Riparazione scheda elettronica graffatrice DN 418 Black & de
49 messaggi
• Pagina 4 di 5 • 1, 2, 3, 4, 5
0
voti
Come ti suggerisce
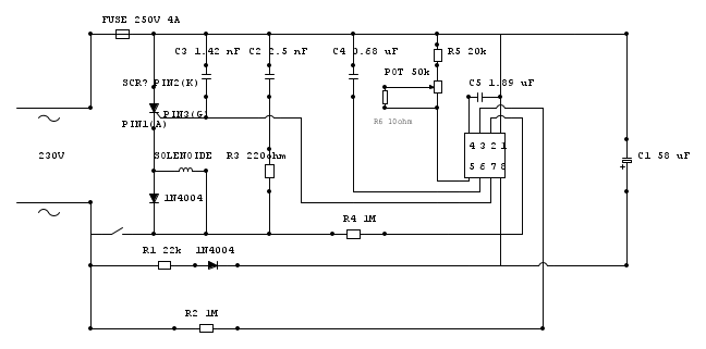
setteali riguarda bene il tutto sopratutto quello che ti ha cerchiato perché così come è non viene alimentata la bobina del solenoide anzi se chiudi l'interruttore e gli arriva il segnale al gate avviene un corto.
-

elektronik
7.800 4 6 7 - Master

- Messaggi: 3836
- Iscritto il: 12 mag 2015, 22:26
0
voti
non mi torna che se fosse un SCR le semionde negative che fa passare il diodo non dovrebbero andare sul PIN1 il catodo invece come si vede dalla foto il diodo è collegato con il pin2 (Anodo) dell SCR
grazie per la risposta
Ultima modifica di
schioppo il 6 apr 2021, 14:40, modificato 3 volte in totale.
1
voti
ho affiancato le immagini del PCB
0
voti
schioppo ha scritto:ho affiancato le immagini del PCB
ok adesso ho capito cosa intendevi
-

elektronik
7.800 4 6 7 - Master

- Messaggi: 3836
- Iscritto il: 12 mag 2015, 22:26
0
voti
Avevo capito cosa avevi fatto, ma facendo così confondi ancora di più le idee, le regole vanno seguite.
E' fuorviante quell'immagine.
Inoltre devi fare attenzione quando leggi i data-sheet o qualche libro:
Questa è simbologia di un diodo od anche SCR.
La resistenza R5 dici che è 20 kohm, hai provato a toglierla e misurarla? A me sembra bruciata e se fosse bruciata, potrebbe essere bruciato anche il trimmer oppure se fosse stato in posizione di zero Ohm, è bruciato l'IC, che comunque non trovo equivalenze con IC da me conosciuti e mi pare però che sia una eeprom, che non è sostituibile se non con una con il suo programma interno.
E' fuorviante quell'immagine.
Inoltre devi fare attenzione quando leggi i data-sheet o qualche libro:
Questa è simbologia di un diodo od anche SCR.
La resistenza R5 dici che è 20 kohm, hai provato a toglierla e misurarla? A me sembra bruciata e se fosse bruciata, potrebbe essere bruciato anche il trimmer oppure se fosse stato in posizione di zero Ohm, è bruciato l'IC, che comunque non trovo equivalenze con IC da me conosciuti e mi pare però che sia una eeprom, che non è sostituibile se non con una con il suo programma interno.
Alex
https://www.facebook.com/Elettronicaeelettrotecnica
<< vedi di pigliare arditamente in mano, il dizionario che ti suona in bocca,
se non altro è schietto e paesano.
(Giuseppe Giusti) <<
https://www.facebook.com/Elettronicaeelettrotecnica
<< vedi di pigliare arditamente in mano, il dizionario che ti suona in bocca,
se non altro è schietto e paesano.
(Giuseppe Giusti) <<
0
voti
La resistenza R5 dici che è 20 kohm, hai provato a toglierla e misurarla? A me sembra bruciata
la R5 non è bruciata misura 18.36k
0
voti
Allora è l'immagine che mi gioca un brutto scherzo, ma te l'hai tolta e misurata?
Del diodo dove hai segnato la polarità sbagliata, l'hai visto ?
Del diodo dove hai segnato la polarità sbagliata, l'hai visto ?
Alex
https://www.facebook.com/Elettronicaeelettrotecnica
<< vedi di pigliare arditamente in mano, il dizionario che ti suona in bocca,
se non altro è schietto e paesano.
(Giuseppe Giusti) <<
https://www.facebook.com/Elettronicaeelettrotecnica
<< vedi di pigliare arditamente in mano, il dizionario che ti suona in bocca,
se non altro è schietto e paesano.
(Giuseppe Giusti) <<
0
voti
Io ti ho segnato i pin del componente che non si sa se è un scr o un triac. metti il tuo tester digitale per segna giunzioni quella segnata come testa diodi. Se fosse un SCR dovrebbe darti la seguente tabella:
metti il puntale rosso su K e il nero su A deve darti OL
metti il puntale rosso su K e il nero su G deve darti OL
metti il puntale rosso su A e il nero su G deve darti OL
metti il puntale nero su K e il rosso su A deve darti OL
metti il puntale nero su K e il rosso su A deve darti 645 Millivolt ca.
metti il puntale nero su A e il rosso su G deve darti OL
Se invece fosse un triac dovrebbe darti la seguente tabella:
metti il puntale rosso su A1 e il nero su A2 deve darti 639 Millivolt ca.
metti il puntale rosso su A1 e il nero su G deve darti OL
metti il puntale rosso su A2 e il nero su G deve darti OL
metti il puntale nero su A1 e il rosso su A2 deve darti OL
metti il puntale nero su A1 e il rosso su G deve darti 645 Millivolt ca.
metti il puntale nero su A2 e il rosso su G deve darti OL
metti il puntale rosso su K e il nero su A deve darti OL
metti il puntale rosso su K e il nero su G deve darti OL
metti il puntale rosso su A e il nero su G deve darti OL
metti il puntale nero su K e il rosso su A deve darti OL
metti il puntale nero su K e il rosso su A deve darti 645 Millivolt ca.
metti il puntale nero su A e il rosso su G deve darti OL
Se invece fosse un triac dovrebbe darti la seguente tabella:
metti il puntale rosso su A1 e il nero su A2 deve darti 639 Millivolt ca.
metti il puntale rosso su A1 e il nero su G deve darti OL
metti il puntale rosso su A2 e il nero su G deve darti OL
metti il puntale nero su A1 e il rosso su A2 deve darti OL
metti il puntale nero su A1 e il rosso su G deve darti 645 Millivolt ca.
metti il puntale nero su A2 e il rosso su G deve darti OL
-

elektronik
7.800 4 6 7 - Master

- Messaggi: 3836
- Iscritto il: 12 mag 2015, 22:26
0
voti
ho controllato io i diodi e vanno bene come stanno
-

elektronik
7.800 4 6 7 - Master

- Messaggi: 3836
- Iscritto il: 12 mag 2015, 22:26
0
voti
la resistenza l'ho tolta e misurata
puntale rosso K - puntale nero A = OL (se con una pinzetta faccio contatto sul G da conduzione)
puntale nero K - puntale rosso A = OL (se con una pinzetta faccio contatto sul G da conduzione)
puntale rosso A - puntale nero G = OL
puntale nero A - puntale rosso G = OL
puntale rosso K - puntale nero G = 0.067 il multimetro suona ma dà un valore (su resistenza dà 67)
puntale nero K - puntale rosso G = 0.067 il multimetro suona ma dà un valore (su resistenza dà 67)
ho testato un triac che ho della ST il BTB24-600BW e mi dà gli stessi risultati con la differeza che dà un valore di 0.064 tra pin 1 e pin 3
TEST EFFETTUATO CON MULTIMETRO DIGITALE
quindi é un TRIAC!
puntale rosso K - puntale nero A = OL (se con una pinzetta faccio contatto sul G da conduzione)
puntale nero K - puntale rosso A = OL (se con una pinzetta faccio contatto sul G da conduzione)
puntale rosso A - puntale nero G = OL
puntale nero A - puntale rosso G = OL
puntale rosso K - puntale nero G = 0.067 il multimetro suona ma dà un valore (su resistenza dà 67)
puntale nero K - puntale rosso G = 0.067 il multimetro suona ma dà un valore (su resistenza dà 67)
ho testato un triac che ho della ST il BTB24-600BW e mi dà gli stessi risultati con la differeza che dà un valore di 0.064 tra pin 1 e pin 3
TEST EFFETTUATO CON MULTIMETRO DIGITALE
quindi é un TRIAC!
Ultima modifica di
schioppo il 6 apr 2021, 19:35, modificato 7 volte in totale.
49 messaggi
• Pagina 4 di 5 • 1, 2, 3, 4, 5
Torna a Costruzione, riparazione, riutilizzo
Chi c’è in linea
Visitano il forum: Nessuno e 42 ospiti

Elettrotecnica e non solo (admin)
Un gatto tra gli elettroni (IsidoroKZ)
Esperienza e simulazioni (g.schgor)
Moleskine di un idraulico (RenzoDF)
Il Blog di ElectroYou (webmaster)
Idee microcontrollate (TardoFreak)
PICcoli grandi PICMicro (Paolino)
Il blog elettrico di carloc (carloc)
DirtEYblooog (dirtydeeds)
Di tutto... un po' (jordan20)
AK47 (lillo)
Esperienze elettroniche (marco438)
Telecomunicazioni musicali (clavicordo)
Automazione ed Elettronica (gustavo)
Direttive per la sicurezza (ErnestoCappelletti)
EYnfo dall'Alaska (mir)
Apriamo il quadro! (attilio)
H7-25 (asdf)
Passione Elettrica (massimob)
Elettroni a spasso (guidob)
Bloguerra (guerra)


