Cos'è ElectroYou | Login Iscriviti

ElectroYou - la comunità dei professionisti del mondo elettrico

Costruzione OpAmp a componenti discreti

Elettronica lineare e digitale: didattica ed applicazioni

Moderatori: Foto Utentecarloc, Foto Utenteg.schgor, Foto UtenteBrunoValente, Foto UtenteIsidoroKZ

0
voti

[11] Re: Costruzione OpAmp a componenti discreti

Messaggioda Foto UtenteIsidoroKZ » 5 apr 2021, 17:59

Gli amplificatori audio di potenza sono di solito realizzati a tre stadi, come il tuo, e, mutatis mutandis, seguono abbastanza da vicino l'architettura degli operazionali realizzando i vari stadi a componenti discreti, con tutti i problemi che ti ha detto Foto UtenteEtemenanki.

Posso suggerire di guardare i libri di Douglas Self sugli amplificatori a componenti discreti. Mi sembrano dei buoni testi che spiegano in dettaglio il funzionamento e il dimensionamento degli stadi.

Ho qualche dubbio sulla corrente di polarizzazione dell'ultimo specchio di corrente, proverei ad aumentarla. Nello schema fidocadj metti anche i valori delle resistenze e della tensione di alimentazione, altrimenti non si sa cosa faccia il circuito.
Per usare proficuamente un simulatore, bisogna sapere molta più elettronica di lui
Plug it in - it works better!
Il 555 sta all'elettronica come Arduino all'informatica! (entrambi loro malgrado)
Se volete risposte rispondete a tutte le mie domande
Avatar utente
Foto UtenteIsidoroKZ
121,2k 1 3 8
G.Master EY
G.Master EY
 
Messaggi: 21059
Iscritto il: 17 ott 2009, 0:00

0
voti

[12] Re: Costruzione OpAmp a componenti discreti

Messaggioda Foto UtenteMarcoD » 5 apr 2021, 18:09

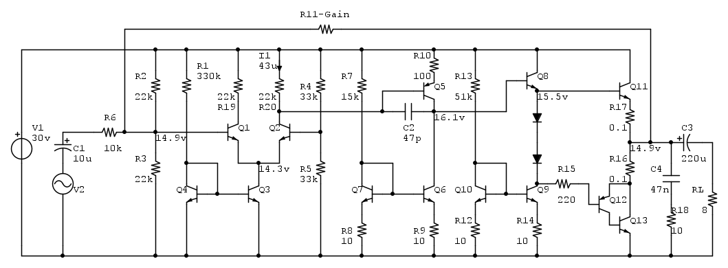
Consiglierei anche di numerare tutti i componenti per tipo, per esempio R1,R2,R3.. Q1,Q2 D1... C
Riporta anche le sigle dei transistor.

Non ho capito se hai montato il circuito fisicamente o sei ancora allo stadio di simulazione.

Per una dato valore di tensione di alimentazione, in assenza di segnale di ingresso, dovresti misurare tutte le tensioni presenti ai vari nodi ripetto a massa e riportarle sullo schema.

Lo so che è lungo e diventa poco divertente...

O_/
Avatar utente
Foto UtenteMarcoD
12,2k 5 9 13
Master EY
Master EY
 
Messaggi: 6696
Iscritto il: 9 lug 2015, 16:58
Località: Torino

1
voti

[13] Re: Costruzione OpAmp a componenti discreti

Messaggioda Foto Utentelorespaul » 5 apr 2021, 18:40

Ho aggiunto tutti i valori e le label dei vari componenti, anche delle tensioni e correnti misurate con il multimetro. Ho visto inoltre che avevo fatto un errore nel collegamento di R15 che ho corretto.




MarcoD ha scritto:Non ho capito se hai montato il circuito fisicamente o sei ancora allo stadio di simulazione.


Ho realizzato fisicamente il circuito e i valori di tensioni e correnti che vedi indicati sono stati misurati sul circuito di test.

IsidoroKZ ha scritto:Posso suggerire di guardare i libri di Douglas Self sugli amplificatori a componenti discreti. Mi sembrano dei buoni testi che spiegano in dettaglio il funzionamento e il dimensionamento degli stadi.

Ho qualche dubbio sulla corrente di polarizzazione dell'ultimo specchio di corrente, proverei ad aumentarla.


Grazie per il suggerimento del libro. Per quanto riguarda la resistenza dell'ultimo specchio (R13), ho già provato a sostituirla con un potenziometro arrivando ad un valore minimo di 5k senza che il risultato cambiasse.
Avatar utente
Foto Utentelorespaul
20 2
 
Messaggi: 13
Iscritto il: 4 apr 2021, 21:19

0
voti

[14] Re: Costruzione OpAmp a componenti discreti

Messaggioda Foto UtenteMarcoD » 5 apr 2021, 19:34

Manca la numerazione dei transistor, semplificherebbe la descrizione:
Mi pare che il carico dei collettori dei due transistor dello stadio differenziale sia asimmetrico, forse porta a saturazioni/distorsioni asimmetriche.
R20 è circa in parallelo alla base del TR..che ha R10 100 ohm sull'emettitore,
se si suppone un beta di 100 risulta una resistenza equivalente di 22k//(100x100) = circa 6,8 kohm

Porterei R19 da 22k a circa 6,8 k ohm, ma può darsi che sia ininfluente.

Non può verificarsi anche il fenomeno del latch-up dovuto alla saturazione del TR... ?

Che ne dici, Foto UtenteIsidoroKZ ?
O_/
Avatar utente
Foto UtenteMarcoD
12,2k 5 9 13
Master EY
Master EY
 
Messaggi: 6696
Iscritto il: 9 lug 2015, 16:58
Località: Torino

1
voti

[15] Re: Costruzione OpAmp a componenti discreti

Messaggioda Foto Utentelorespaul » 5 apr 2021, 21:38

Riporto lo schema con i transistor numerati.



MarcoD ha scritto:Porterei R19 da 22k a circa 6,8 k ohm


Era proprio quello il motivo! =D>
Facendo questo cambiamento la distorsione non è del tutto sparita ma è quasi impercettibile sull'oscilloscopio, quindi immagino si possa sistemare del tutto rifacendo il calcolo utilizzando come beta quello del transistor Q5 che è un 2N3906 e che come media dovrebbe avere un beta maggiore di 100 (direi un 140-150).

Solo non capito bene come hai dedotto la formula. Sarebbe R20//(R10 x beta_Q5)?
Avatar utente
Foto Utentelorespaul
20 2
 
Messaggi: 13
Iscritto il: 4 apr 2021, 21:19

0
voti

[16] Re: Costruzione OpAmp a componenti discreti

Messaggioda Foto UtenteMarcoD » 5 apr 2021, 21:50

Si . Sono contentodiavere avuto l'intuizione corretta.
O_/
Avatar utente
Foto UtenteMarcoD
12,2k 5 9 13
Master EY
Master EY
 
Messaggi: 6696
Iscritto il: 9 lug 2015, 16:58
Località: Torino

0
voti

[17] Re: Costruzione OpAmp a componenti discreti

Messaggioda Foto UtenteBrunoValente » 5 apr 2021, 23:37

Direi che R19 non serve, conviene eliminarla (cortocircuitarla)
Avatar utente
Foto UtenteBrunoValente
39,6k 7 11 13
G.Master EY
G.Master EY
 
Messaggi: 7797
Iscritto il: 8 mag 2007, 14:48

0
voti

[18] Re: Costruzione OpAmp a componenti discreti

Messaggioda Foto Utentelorespaul » 6 apr 2021, 19:22

Buonasera a tutti.

Purtroppo credo di aver preso la misura male ieri sera (con Rgain più bassa di 500k) per cui la distorsione sembrava essere rientrata, ma in realtà riprovando ora mi accorgo che il problema persiste. Ho provato a cortocircuitare R19 ma senza successo.

Mi scuso ancora per la gaffe, e intanto allego un'immagine presa dall'oscilloscopio con Rgain = 500k per farvi capire l'entità della distorsione.
Allegati
IMG_4601.jpg
Avatar utente
Foto Utentelorespaul
20 2
 
Messaggi: 13
Iscritto il: 4 apr 2021, 21:19

0
voti

[19] Re: Costruzione OpAmp a componenti discreti

Messaggioda Foto UtenteMarcoD » 6 apr 2021, 20:02

L'amplificatore è a vuoto o sotto carico.
La distorsione a occhio la vedo appena,
anzi, mi pare che la traccia bianca ( l'ingresso 2 Vpp ) abbia una leggera distorsione.
Quella gialla (uscita 10 Vpp) forse è un poco più smilza.
Un oscillo digitale dovrebbe visualizzare i valori numerici Vpp dei segnali.
Le due sinusoidi sono leggermente sfasate fra loro.
Dalla immagine non riesco a individuare l'indicazione della frequenza del segnale.

Aumenta l'ampiezza del segnale fino a quando la distorsione non è evidente.
Rispetto ascissa, compare distorsione simmetrica (terza armonica ?) o asimmetrica (2 armonica?)

Per vedre distorsione, forse puoi visualizzare in coordainata x,y
Ingresso asse orizzontale, uscita asse verticale.
Si dovrebbe vedere una linea (curva), oppure una ellisse stretta.

EDIT:
L'oscillo ha la funzione FFT con cui calcolare lo spettro e individuare l'ampiezza delle armoniche
e quindi la distorsione?

Per finire: che prestsazioni ti aspetti ?

O_/
Avatar utente
Foto UtenteMarcoD
12,2k 5 9 13
Master EY
Master EY
 
Messaggi: 6696
Iscritto il: 9 lug 2015, 16:58
Località: Torino

0
voti

[20] Re: Costruzione OpAmp a componenti discreti

Messaggioda Foto Utentelorespaul » 6 apr 2021, 21:28

L'immagine del post precedente riprende sempre l'uscita: quella bianca è l'uscita a carico 10ohm mentre quella gialla è a vuoto. I segnali sono in fase solo che la distorsione causa un rallentamento nella fase di discesa del segnale. Nei 2 casi l'ampiezza del segnale in ingresso e la resistenza di retroazione sono uguali.

Allego le immagini in uno zip.
IMG_4602.jpg e IMG_4605.jpg mostrano il segnale di input in blu e di output in giallo. La prima è a vuoto la seconda a carico (10ohm). SI vede che anche il segnale di input su sporca molto.
IMG_4603.jpg e IMG_4606.jpg sono in modalità X/Y, la prima a vuoto e la seconda a carico ma sono sempre sfasati di 180 gradi.
IMG_4609.jpg e IMG_4608.jpg sono l'analisi FFT del segnale in uscita, la prima a vuoto e la seconda a carico.
Non si notano le armoniche però la frequenza portante è più bassa di circa 2.5dBV a carico.

EDIT1: Tutte le misure sono state prese con Rgain = 500k.

EDIT2: Tra l'altro dall'alimentatore vedo assorbimento = 0.00A se sono a vuoto. A carico comincia ad esserci assorbimento nell'ordine dei 100-300mA (dipende dall'ampiezza del segnale) solo con segnale in input.

EDIT3: Come prestazioni mi aspetterei di poter avere in uscita il segnale pulito così a vuoto come a carico per poter sviluppare una potenza sulla cassa nell'ordine dei 5-6W.

MarcoD ha scritto:Rispetto ascissa, compare distorsione simmetrica (terza armonica ?) o asimmetrica (2 armonica?)

Come posso fare questo tipo di misura?
Allegati
images.zip
(590.95 KiB) Scaricato 163 volte
Avatar utente
Foto Utentelorespaul
20 2
 
Messaggi: 13
Iscritto il: 4 apr 2021, 21:19

PrecedenteProssimo

Torna a Elettronica generale

Chi c’è in linea

Visitano il forum: Nessuno e 47 ospiti