L'SCR te l'avevo già detto che era buono.
Ok la resistenza l'hai misurata. Sapere il valore che hai misurato no eh?
Le prove che ti avevo detto non le hai fatte?
Riparazione scheda elettronica graffatrice DN 418 Black & de
49 messaggi
• Pagina 5 di 5 • 1, 2, 3, 4, 5
0
voti
Alex
https://www.facebook.com/Elettronicaeelettrotecnica
<< vedi di pigliare arditamente in mano, il dizionario che ti suona in bocca,
se non altro è schietto e paesano.
(Giuseppe Giusti) <<
https://www.facebook.com/Elettronicaeelettrotecnica
<< vedi di pigliare arditamente in mano, il dizionario che ti suona in bocca,
se non altro è schietto e paesano.
(Giuseppe Giusti) <<
0
voti
setteali ha scritto:L'SCR te l'avevo già detto che era buono.
Ok la resistenza l'hai misurata. Sapere il valore che hai misurato no eh?
Le prove che ti avevo detto non le hai fatte?
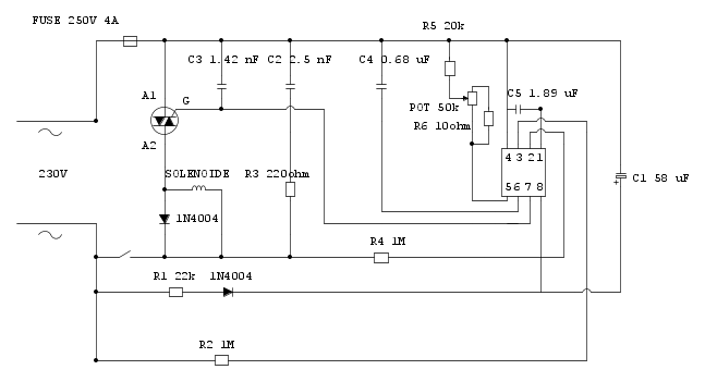
allora mi sa che mi son perso qualcosa io volevo con i due test capire per certo se il componente è un SCR o un triac. oltretutto volevo far notare che il catodo dell'SCR chiamiamolo così, va al pin 4 dell'integrato l'anodo va a D2 e il gate va al pin 7 dell'integrato
-

elektronik
7.800 4 6 7 - Master

- Messaggi: 3836
- Iscritto il: 12 mag 2015, 22:26
0
voti
ho corretto il circuito ma va riguardato perche oggi con il vento ho preso una frescata agli occhi e adesso mi lacrimano perché sono irritati e ci vedo peggio di prima.
-

elektronik
7.800 4 6 7 - Master

- Messaggi: 3836
- Iscritto il: 12 mag 2015, 22:26
0
voti
setteali ha scritto:L'SCR te l'avevo già detto che era buono.
elektronik ha scritto:allora mi sa che mi son perso qualcosa io volevo con i due test capire per certo se il componente è un SCR o un triac.
TRIAC
setteali ha scritto:Ok la resistenza l'hai misurata. Sapere il valore che hai misurato no eh?
l'avevo scritto misura 18.36k
elektronik ha scritto:oltretutto volevo far notare che il catodo dell'SCR chiamiamolo così, va al pin 4 dell'integrato l'anodo va a D2 e il gate va al pin 7 dell'integrato
giusto
0
voti
Buongiorno,
riguardiamo lo schema e ragioniamoci sopra un po', se c'è il diodo 1N4007 in parallelo al solenoide, è ovvio che il semiconduttore di potenza, non può essere un Triac e quindi è un SCR disposti come ho disegnato.
Se fosse un triac la semionda negativa passerebbe attraverso il diodo e provocherebbe un corto-circuito.
R5, R6 e pot 50k . Il rtesistore R6 da 10 Ohm in parallelo al potenziometro che in pratica andrebbe a cortocircuitarlo, non mi torna , come non mi torna il resistore R5 che lo vedo bruciato e quindi ho dei forti dubbi che il valore che viene misurato sia quello che dovrebbe avere.
Una cosa che mi fa pensare al fatto che il circuito integrato possa essere buono è che ai pin 4 & 8 c'è una tensione continua che potrebbe essere quella regolare di alimentazione.
Dopo0 aver controllato bene questi punti sopra e lasciando tutti i componenti interromperei il pin 7 che va al gate e con una tensione esterna ed un resistore, proverei a controllare l'SCR
riguardiamo lo schema e ragioniamoci sopra un po', se c'è il diodo 1N4007 in parallelo al solenoide, è ovvio che il semiconduttore di potenza, non può essere un Triac e quindi è un SCR disposti come ho disegnato.
Se fosse un triac la semionda negativa passerebbe attraverso il diodo e provocherebbe un corto-circuito.
R5, R6 e pot 50k . Il rtesistore R6 da 10 Ohm in parallelo al potenziometro che in pratica andrebbe a cortocircuitarlo, non mi torna , come non mi torna il resistore R5 che lo vedo bruciato e quindi ho dei forti dubbi che il valore che viene misurato sia quello che dovrebbe avere.
Una cosa che mi fa pensare al fatto che il circuito integrato possa essere buono è che ai pin 4 & 8 c'è una tensione continua che potrebbe essere quella regolare di alimentazione.
Dopo0 aver controllato bene questi punti sopra e lasciando tutti i componenti interromperei il pin 7 che va al gate e con una tensione esterna ed un resistore, proverei a controllare l'SCR
Alex
https://www.facebook.com/Elettronicaeelettrotecnica
<< vedi di pigliare arditamente in mano, il dizionario che ti suona in bocca,
se non altro è schietto e paesano.
(Giuseppe Giusti) <<
https://www.facebook.com/Elettronicaeelettrotecnica
<< vedi di pigliare arditamente in mano, il dizionario che ti suona in bocca,
se non altro è schietto e paesano.
(Giuseppe Giusti) <<
1
voti
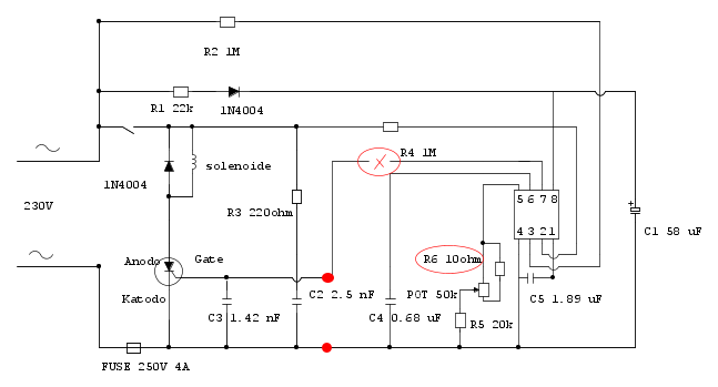
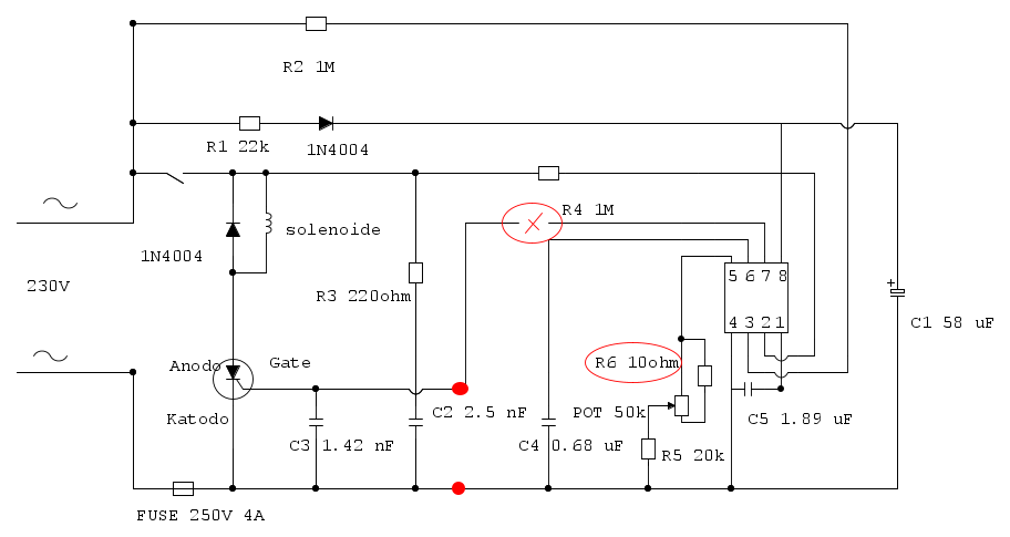
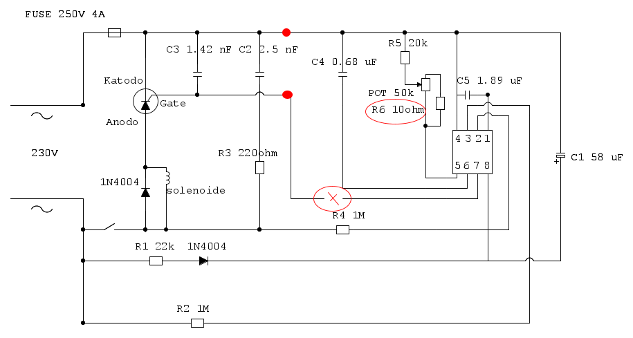
Ho girato il circuito e il diodo in parallelo al solenoide che era nel verso sbagliato.
Mi sembra più leggibile
Mi sembra più leggibile
0
voti
OK
edgar mi fido di te, grazie in effetti così è più leggibile.
Alex
https://www.facebook.com/Elettronicaeelettrotecnica
<< vedi di pigliare arditamente in mano, il dizionario che ti suona in bocca,
se non altro è schietto e paesano.
(Giuseppe Giusti) <<
https://www.facebook.com/Elettronicaeelettrotecnica
<< vedi di pigliare arditamente in mano, il dizionario che ti suona in bocca,
se non altro è schietto e paesano.
(Giuseppe Giusti) <<
0
voti
salve a tutti
grazie edgar per aver corretto lo schema la R6 è da 51k (avevo sbagliato)
dove hai fatto una x cosa intendi?
grazie per la risposta
grazie edgar per aver corretto lo schema la R6 è da 51k (avevo sbagliato)
dove hai fatto una x cosa intendi?
grazie per la risposta
Ultima modifica di
schioppo il 8 apr 2021, 19:11, modificato 1 volta in totale.
0
voti
Leggi in 45
Alex
https://www.facebook.com/Elettronicaeelettrotecnica
<< vedi di pigliare arditamente in mano, il dizionario che ti suona in bocca,
se non altro è schietto e paesano.
(Giuseppe Giusti) <<
https://www.facebook.com/Elettronicaeelettrotecnica
<< vedi di pigliare arditamente in mano, il dizionario che ti suona in bocca,
se non altro è schietto e paesano.
(Giuseppe Giusti) <<
49 messaggi
• Pagina 5 di 5 • 1, 2, 3, 4, 5
Torna a Costruzione, riparazione, riutilizzo
Chi c’è in linea
Visitano il forum: Nessuno e 43 ospiti

Elettrotecnica e non solo (admin)
Un gatto tra gli elettroni (IsidoroKZ)
Esperienza e simulazioni (g.schgor)
Moleskine di un idraulico (RenzoDF)
Il Blog di ElectroYou (webmaster)
Idee microcontrollate (TardoFreak)
PICcoli grandi PICMicro (Paolino)
Il blog elettrico di carloc (carloc)
DirtEYblooog (dirtydeeds)
Di tutto... un po' (jordan20)
AK47 (lillo)
Esperienze elettroniche (marco438)
Telecomunicazioni musicali (clavicordo)
Automazione ed Elettronica (gustavo)
Direttive per la sicurezza (ErnestoCappelletti)
EYnfo dall'Alaska (mir)
Apriamo il quadro! (attilio)
H7-25 (asdf)
Passione Elettrica (massimob)
Elettroni a spasso (guidob)
Bloguerra (guerra)




