
Tornio non regola velocita'
Moderatori:
SandroCalligaro,
mario_maggi,
fpalone
0
voti
Onestamente, visto che l' OP chiedeva come si fa a misurare la tensione di alimentazione degli integrati col multimetro, e vista la presenza della tensione di rete, mi sarei astenuto dall' andare oltre, sconsigliandolo, almeno per il momento di metteci le mani.
Tuttavia, visto il lavorone di
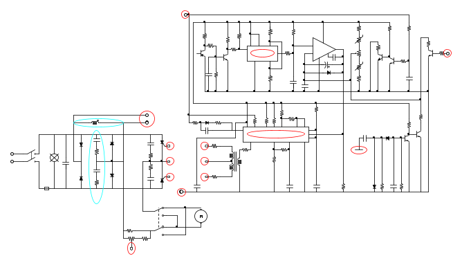
giannid19, e la mia curiosità sul circuito in questione, io chiedere all' OP di scaricarsi i datasheet degli integrati e segnare sullo schema la numerazione o il nome dei vari piedini, e di indicare anche dove si collegano i terminali segnati in rosso qui sotto.
Scusate se l' ho ridisegnato così, ma mi sembra un pelo più intuitivo, inoltre immagino che i gate degli SCR si colleghino al trasformatore, quindi mi sembrava piu ordinato.
Inoltre visto la presenza di utenti più esperti, a loro, chiedo lumi sulle parti cerchiate in azzurro, che vista la mia scarsa eperienza non ho mai trovato in uno stadio di raddrizzamento e non so spiegarmi.
Tuttavia, visto il lavorone di
Scusate se l' ho ridisegnato così, ma mi sembra un pelo più intuitivo, inoltre immagino che i gate degli SCR si colleghino al trasformatore, quindi mi sembrava piu ordinato.
Inoltre visto la presenza di utenti più esperti, a loro, chiedo lumi sulle parti cerchiate in azzurro, che vista la mia scarsa eperienza non ho mai trovato in uno stadio di raddrizzamento e non so spiegarmi.
0
voti
quello che ho trovato , il componente VAC ZKB 409/020-01-PF 327-2 trasformatore e
- Allegati
-
TCA280A-Philips.pdf- (326.47 KiB) Scaricato 278 volte
0
voti
e questo è l'altro componente , di quello rosso non so nulla
- Allegati
-
datasheet.pdf- (112.7 KiB) Scaricato 216 volte
-
datasheet.pdf- (112.7 KiB) Scaricato 224 volte
1
voti
srg ha scritto:di quello rosso non so nulla
E' un amplificatore operazionale.
"quanto a dir qual era è cosa dura" [cit.]
Un indizio è che, stando allo schema, ha un condensatore per la compensazione in frequenza, che negli amplificatori moderni spesso è integrato
0
voti
ci ho capito poco ma grazie per la risposta comunque il tornio credo abbia piu' di 30 anni
0
voti
Probabilmente è già stato riparato in precedenza:
Il componente di sinistra è del 2006 se non addirittura del 2012 (dipende da come vanno interpretate le coppie di cifre settimana-anno), quello di destra del 1999
Il componente di sinistra è del 2006 se non addirittura del 2012 (dipende da come vanno interpretate le coppie di cifre settimana-anno), quello di destra del 1999
1
voti
Ok
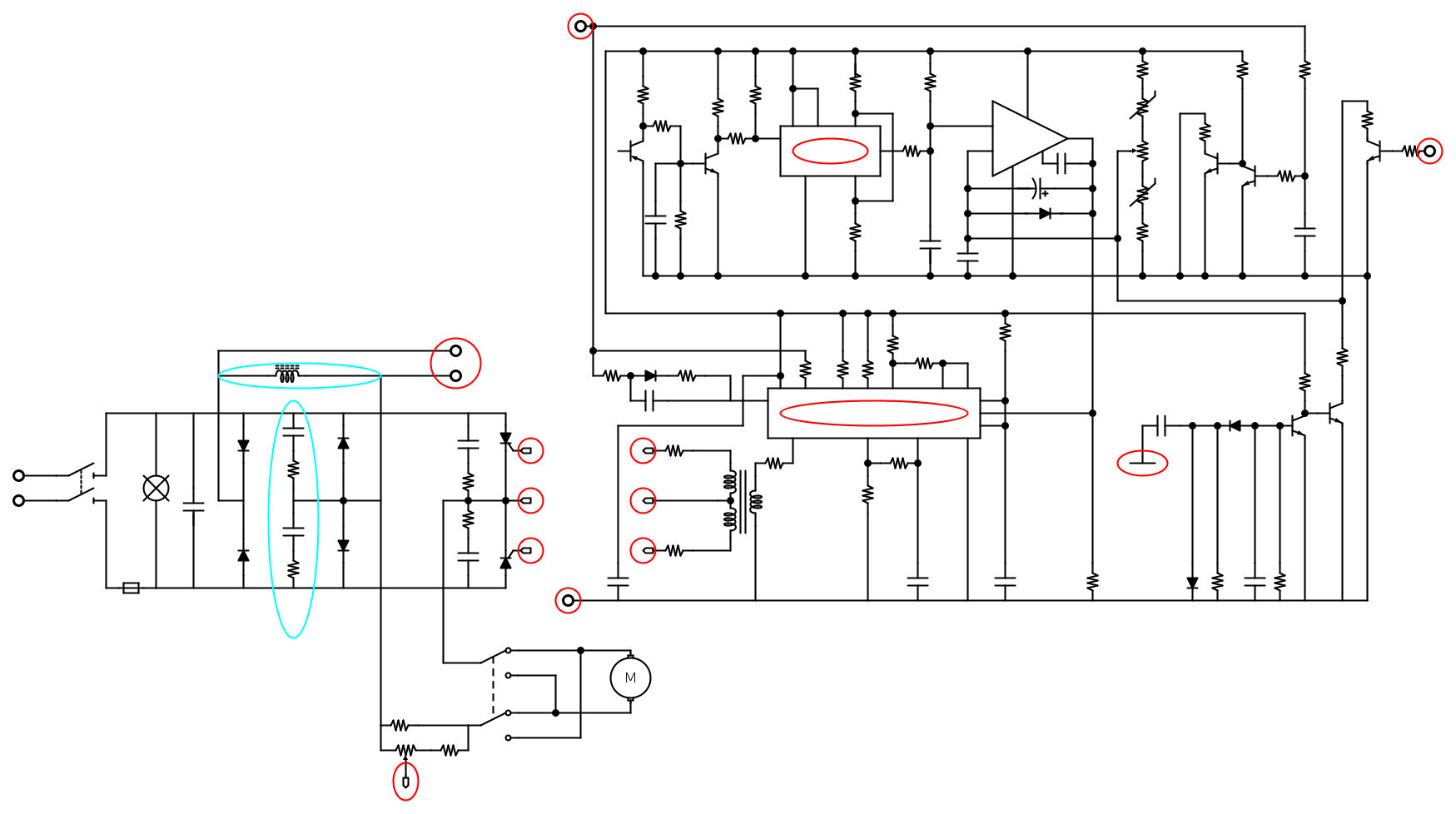
srg, va bene aver cercato i datasheet, ma per me, il lavoro importante che dovresti fare, per capire come funziona quel circuito (o almeno provarci), è quello di annotare sullo schema che
giannid19 si è preso la briga di disegnare in fidocad il nome (o meglio il numero) dei pin degli integrati e come sono collegati i punti cerchiati in rosso.
Qui sotto in blu un esempio di cio che dovresti fare.
Nota che cio che ho disegnato, sono mie supposizioni, e vanno verificate sul circuito.
Inoltre noto che la scheda sembra essere gia stata rimaneggiata, e ci sarebbe da verificare anche il collegamento che ho cerchiato in rosso qui sotto.
Qui sotto in blu un esempio di cio che dovresti fare.
Nota che cio che ho disegnato, sono mie supposizioni, e vanno verificate sul circuito.
Inoltre noto che la scheda sembra essere gia stata rimaneggiata, e ci sarebbe da verificare anche il collegamento che ho cerchiato in rosso qui sotto.
0
voti
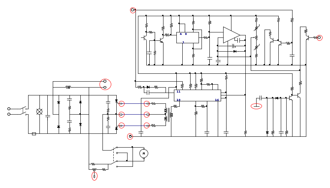
il collegamento nel cerchietto è stato fatto perché sembrava danneggiata la traccia sottostante sulla basetta,comunque staccato o attaccato non cambia nulla, abbiamo fatto la prova
0
voti
Non ti resta che fare cio che ti ho suggerito, poi diamo una misurata elle tensioni di alimentazione e poi speriamo nell' intervento di qualche utente piu esperto di me.
Comunque te lo dico francamente, vista la tua preparazione e attrezzatura, non credo che la tua buona volontà sarà sufficiente.
Non prenderla negativamente, non vuol essere una critica ma solo un modo per non darti false aspettative.
La vedo MOLTO dura.
Comunque te lo dico francamente, vista la tua preparazione e attrezzatura, non credo che la tua buona volontà sarà sufficiente.

Non prenderla negativamente, non vuol essere una critica ma solo un modo per non darti false aspettative.
La vedo MOLTO dura.
Chi c’è in linea
Visitano il forum: Nessuno e 47 ospiti

Elettrotecnica e non solo (admin)
Un gatto tra gli elettroni (IsidoroKZ)
Esperienza e simulazioni (g.schgor)
Moleskine di un idraulico (RenzoDF)
Il Blog di ElectroYou (webmaster)
Idee microcontrollate (TardoFreak)
PICcoli grandi PICMicro (Paolino)
Il blog elettrico di carloc (carloc)
DirtEYblooog (dirtydeeds)
Di tutto... un po' (jordan20)
AK47 (lillo)
Esperienze elettroniche (marco438)
Telecomunicazioni musicali (clavicordo)
Automazione ed Elettronica (gustavo)
Direttive per la sicurezza (ErnestoCappelletti)
EYnfo dall'Alaska (mir)
Apriamo il quadro! (attilio)
H7-25 (asdf)
Passione Elettrica (massimob)
Elettroni a spasso (guidob)
Bloguerra (guerra)






