Cos'è ElectroYou | Login Iscriviti

ElectroYou - la comunità dei professionisti del mondo elettrico

Domanda trasformatore con induttori

Circuiti, campi elettromagnetici e teoria delle linee di trasmissione e distribuzione dell’energia elettrica

Moderatori: Foto Utenteg.schgor, Foto UtenteIsidoroKZ

1
voti

[1] Domanda trasformatore con induttori

Messaggioda Foto Utentedannywall » 7 apr 2021, 18:01

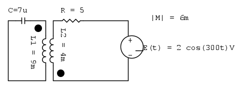
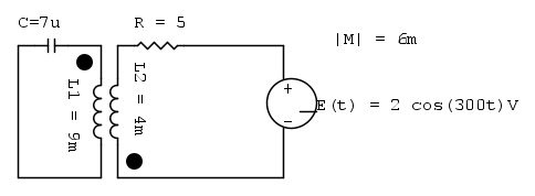
Ho un dubbio, nel momento in cui vado a svolgere il trasformatore ad esempio in questo caso...

in cui ho accoppiamento perfetto tra i due induttori, avendo appunto accoppiamento perfetto devo mettere l'induttore L_1in parallelo al circuito sulla destra.
mentre se non ho accoppiamento perfetto metto in parallelo un induttore L_3=\frac{M^2}{L2} e in serie L_4=L_1-L_3. Giusto?
Avatar utente
Foto Utentedannywall
35 1 7
Frequentatore
Frequentatore
 
Messaggi: 111
Iscritto il: 2 apr 2021, 10:42

2
voti

[2] Re: Domanda trasformatore con induttori

Messaggioda Foto UtenteRenzoDF » 7 apr 2021, 18:40

Sì, come sai però non è l'unica scelta possibile; in generale, nell'accoppiamento non perfetto, sarà possibile scegliere il rapporto di trasformazione n del trasformatore ideale nel seguente intervallo

\frac{M}{L_2} \le  n \le  \frac{L_1}{M}

Scegliendo il valore limite inferiore si andrà a rendere nulla l'induttanza serie secondaria, con i valori parallelo serie primari da te indicati, mentre scegliendo il valore limite superiore andrà ad annullarsi l'induttanza serie primaria.
Chiaramente, non sarebbe conveniente scegliere un valore interno all'intervallo, in quanto si dovrebbero considerare tre induttori, insieme al trasformatore ideale, per modellare il mutuo induttore.

BTW Quei punti sono troppo grandi e dovresti allineare quel generatore. ;-)
"Il circuito ha sempre ragione" (Luigi Malesani)
Avatar utente
Foto UtenteRenzoDF
55,9k 8 12 13
G.Master EY
G.Master EY
 
Messaggi: 13189
Iscritto il: 4 ott 2008, 9:55

0
voti

[3] Re: Domanda trasformatore con induttori

Messaggioda Foto Utentedannywall » 12 apr 2021, 8:03

RenzoDF ha scritto:Sì, come sai però non è l'unica scelta possibile; in generale, nell'accoppiamento non perfetto, sarà possibile scegliere il rapporto di trasformazione n del trasformatore ideale nel seguente intervallo


Foto UtenteRenzoDF e un'altra cosa quando vado a considerare questo valore "n" sia che lo porti al primario, sia al secondario devo moltiplicare anche l'induttore stesso....giusto del tipo
L_1/n^2 e C/n^2
Avatar utente
Foto Utentedannywall
35 1 7
Frequentatore
Frequentatore
 
Messaggi: 111
Iscritto il: 2 apr 2021, 10:42

1
voti

[4] Re: Domanda trasformatore con induttori

Messaggioda Foto UtenteRenzoDF » 12 apr 2021, 11:51

Mi accorgo solo ora che, avendo risposto troppo in fretta, non ho notato la tua indicazione di L1 e L2 sullo schema, ovvero ho considerato che L1 fosse l'induttanza destra e L2 la sinistra.
Detto ciò, in generale, un mutuo induttore può essere modellato con un trasformatore ideale e tre induttori, come segue



di conseguenza quello che hai scritto e quello che ti ho detto è corretto solo scambiando i nomi dei due induttori, ovvero



Per quanto riguarda la tua domanda, non devi "portare" al primario L2 (la tua L1) ma solo C, riducendo il suo valore a C/n^2, visto che ogni impedenza secondaria riportata a primario viene ad essere moltiplicata per n^2; ne segue che se al secondario fosse stato presente un altro induttore L, riportandolo al primario, il suo valore verrebbe moltiplicato e non diviso per n^2. ;-)
"Il circuito ha sempre ragione" (Luigi Malesani)
Avatar utente
Foto UtenteRenzoDF
55,9k 8 12 13
G.Master EY
G.Master EY
 
Messaggi: 13189
Iscritto il: 4 ott 2008, 9:55


Torna a Elettrotecnica generale

Chi c’è in linea

Visitano il forum: Nessuno e 45 ospiti