Ciao,
ho modificato lo schema in quanto il produttore dell'SPD indica quanto segue:
Affinché l'impianto , anche a seguito della cartuccia guasta, rimanga funzionante è necessario prevedere un magnetotermico a protezione dell'SPD in modo tale che scatti quello e non quello generale.
Se vado a togliere il magnetotermico a protezione SPD da 25A rischio che mi scatta quello vicino alla cantina togliendo comunque alimentazione all'impianto. Sbaglio? Dal codice riportato sul SPD risulta essere un sistema TT con possibilità di scelta dell'installazione nei 2 modi descritti sopra.
Potrebbe essere corretto il seguente?
Anomalia QE collegamenti anomali
Moderatori:
sebago,
MASSIMO-G,
lillo,
Mike
46 messaggi
• Pagina 3 di 5 • 1, 2, 3, 4, 5
0
voti
Non ho capito perché ti ostini a non inserire gli schemi con FidoCadj, anche perché l'utilizzo è previsto espressamente dal Regolamento. Vedi qui le istruzioni basilari. Ho visto che hai già fatto delle modifiche agli schemi, quindi ti basterebbe selezionare tutto da FidoCadj, copiare (il solito CTRL + C), premere sull'editor di ElectroYou il pulsante fcd, e incollare (CTRL + V). E' piuttosto semplice. Per piccole variazioni puoi intervenire anche direttamente sul codice sorgente, senza nemmeno importare tutto su FidoCadj, modificare e nuovamente esportare.
Per quanto riguarda lo schema, vedo che hai pasticciato un po'. Rispetto allo schema di
SediciAmpere, vedo che:
Per quanto riguarda lo schema, vedo che hai pasticciato un po'. Rispetto allo schema di
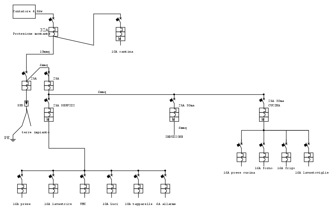
- il differenziale magnetotermico della cantina è diventato un semplice magnetotermico, e questo non va affatto bene;
- il magnetotermico differenziale da 32 A del quadro generale è diventato da 25A, e potrebbe in qualche caso limitare la potenza massima prelevabile dal contatore;
- l'SPD è collegato direttamente al collettore di terra, mentre dovrebbe essere collegato direttamente al dispersore, e da lì il collegamento dovrebbe proseguire per il collettore. Questo è un peccato veniale, l'SPD funziona ugualmente, ma con efficacia ridotta (tanto più ridotta quanto più aumenta la distanza tra collettore di terra e l' SPD);
- hai rimesso un magnetotermico da 16A per il solo frigorifero, invece che uno da 10A;
- l'aggiunta dei dati relativi alla sezione di alcuni conduttori non consente di stabilire se il dimensionamento dell'intero impianto sia stato fatto correttamente.
Big fan of ⋮ƎlectroYou
0
voti
Ciao Franco, grazie per il riscontro.
In merito al circuito postato da SediciAmpere ,
Vorrei che l'impianto rimanesse alimentato ugualmente qualora la cartuccia si bruci, è possibile?
Inoltre i 2 differenziali da 40A posso mettere quelli da 25A al loro posto?
In merito al circuito postato da SediciAmpere ,
ho visionato l'impianto, una cosa non mi è chiara.Sediciampere
Vorrei che l'impianto rimanesse alimentato ugualmente qualora la cartuccia si bruci, è possibile?
Inoltre i 2 differenziali da 40A posso mettere quelli da 25A al loro posto?
0
voti
SediciAmpere ha scritto:io farei così
In questo modo hai un magnetotermico-differenziale dedicato solamente a luce, campanello e allarme che praticamente non scatterà mai; mentre quelli che interverranno più frequentemente alimentano carichi non prioritari
ovviamente una modifica del quadro elettrico non rientra nella manutenzione ordinaria e deve essere eseguita da personale qualificato
Ciao,
ho visionato l'impianto, una cosa non mi è chiara.
Vorrei che l'impianto rimanesse alimentato ugualmente qualora la cartuccia si bruci, è possibile o andando ad inserire un magnetotermico questo diminuisce l'efficacia dell'SPD? Inoltre in questo modo rischierebbe , una volta bruciata la cartuccia, scattare il magnetotermico da 32 a monte del contatore enel isolandomi comunque tutto l'appartamento.
Inoltre i 2 differenziali da 40A posso mettere quelli da 25A al loro posto?
0
voti
Son riuscto a riportare lo schema da fdc e ho corretto il differenziale cantina.
Unico appunto quello riportato sopra, per far rimanere su l'impianto a fronte della cartuccia bruciata è corretto poter mettere un magnetermico a protezione? Se si, che caratteristiche deve avere? Dal manuale schalt non riporta nessuna caratteristica particolare se non magnetoterico.
Unico appunto quello riportato sopra, per far rimanere su l'impianto a fronte della cartuccia bruciata è corretto poter mettere un magnetermico a protezione? Se si, che caratteristiche deve avere? Dal manuale schalt non riporta nessuna caratteristica particolare se non magnetoterico.
0
voti
Ho appena contattato un rivenditore schalt, mi consiglia come dice il produttore l'acquisto di un fusibile da 125A per l'SPD, vi mando il link dell'SPD. Oltre alla cartuccia che già ho consiglia di installare in un sistema TT il fusibile, in modo tale che se dovesse bruciarsi la cartuccia/fusibile l'intero impianto mi rimane operativo.
https://www.elettra.it/MTF//Content/pro ... 389869.pdf
Cosa mi consigliate?
https://www.elettra.it/MTF//Content/pro ... 389869.pdf
Cosa mi consigliate?
0
voti
Altorn ha scritto:Ho appena contattato un rivenditore schalt, mi consiglia come dice il produttore l'acquisto di un fusibile da 125A per l'SPD [...] Cosa mi consigliate?
Purtroppo non so cosa dirti, io mi atterrei a quello che indica il produttore e metterei un fusibile del tipo indicato (ovviamente non da 125A che è solo il valore massimo consentito, ma da 25 o 32A)
Altorn ha scritto: in modo tale che se dovesse bruciarsi la cartuccia/fusibile l'intero impianto mi rimane operativo
ma succede così frequentemente questa cosa? quando il rettangolino verde cambia colore la cartuccia deve essere sostituita, prima che vada in cortocircuito
-

SediciAmpere
4.187 5 5 8 - Master

- Messaggi: 4848
- Iscritto il: 31 ott 2013, 15:00
0
voti
La corrente di rado va via in tutta la zona in estate , vorrei evitare che al ritorno mi vada a rovinare qualche elettrodomestico.
Ma a questo punto un magnetotermico da 25/32A non va a sostituire il fusibile?
In questo caso dovrebbe saltare anche lui al superamento dei 25/32A e farmi funzionare comunque l'impianto come ho disegnato poco sopra, sbaglio?
Ma a questo punto un magnetotermico da 25/32A non va a sostituire il fusibile?
In questo caso dovrebbe saltare anche lui al superamento dei 25/32A e farmi funzionare comunque l'impianto come ho disegnato poco sopra, sbaglio?
0
voti
credo di sì, ma a parte che mettere un magnetotermico da 25A in cascata ad uno da 32 non ti garantisce la selettività verticale (sono troppo simili, la magnetica ha una tolleranza enorme, potrebbe comunque scattare prima il C32), il mio dubbio è che le sovratensioni non sono a 50Hz, ma hanno uno spettro molto più ampio e non sappiamo come si comporta un magnetotermico ad alta frequenza; questo potrebbe diminuirne l'efficacia.
-

SediciAmpere
4.187 5 5 8 - Master

- Messaggi: 4848
- Iscritto il: 31 ott 2013, 15:00
46 messaggi
• Pagina 3 di 5 • 1, 2, 3, 4, 5
Torna a Impianti, sicurezza e quadristica
Chi c’è in linea
Visitano il forum: Nessuno e 84 ospiti

Elettrotecnica e non solo (admin)
Un gatto tra gli elettroni (IsidoroKZ)
Esperienza e simulazioni (g.schgor)
Moleskine di un idraulico (RenzoDF)
Il Blog di ElectroYou (webmaster)
Idee microcontrollate (TardoFreak)
PICcoli grandi PICMicro (Paolino)
Il blog elettrico di carloc (carloc)
DirtEYblooog (dirtydeeds)
Di tutto... un po' (jordan20)
AK47 (lillo)
Esperienze elettroniche (marco438)
Telecomunicazioni musicali (clavicordo)
Automazione ed Elettronica (gustavo)
Direttive per la sicurezza (ErnestoCappelletti)
EYnfo dall'Alaska (mir)
Apriamo il quadro! (attilio)
H7-25 (asdf)
Passione Elettrica (massimob)
Elettroni a spasso (guidob)
Bloguerra (guerra)




