.Transitorio del secondo ordine
Moderatori:
g.schgor,
IsidoroKZ
25 messaggi
• Pagina 2 di 3 • 1, 2, 3
0
voti
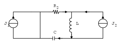
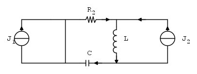
LKC al nodo superiore è

la LKT alla maglia centrale percorrendola in senso orario

Dalla LKC posso ricavarmi

quello che ottengo non mi torna ma non capisco dove sbaglio
-

smeligrana
95 6 - New entry

- Messaggi: 72
- Iscritto il: 5 apr 2021, 20:58
0
voti
Esatto. 
... ipotizzando che la scelta di verso per
sia quella associata alla convenzione degli utilizzatori per il bipolo.

... ipotizzando che la scelta di verso per
sia quella associata alla convenzione degli utilizzatori per il bipolo."Il circuito ha sempre ragione" (Luigi Malesani)
0
voti
Facendo cosi dalla seconda equazione posso ricavarmi
, ma sostituendo nella prima mi trovo con un'equazione differenziale del primo ordine, ed ho ancora la
nell'equazione.
, ma sostituendo nella prima mi trovo con un'equazione differenziale del primo ordine, ed ho ancora la
nell'equazione.-

smeligrana
95 6 - New entry

- Messaggi: 72
- Iscritto il: 5 apr 2021, 20:58
0
voti
cosi facendo però
e non saprei proprio come procedere o forse c'è un modo più furbo per esprimere 
e non saprei proprio come procedere o forse c'è un modo più furbo per esprimere 
-

smeligrana
95 6 - New entry

- Messaggi: 72
- Iscritto il: 5 apr 2021, 20:58
1
voti
smeligrana ha scritto:cosi facendo però...
Diciamo che la forma completa dovrebbe essere,

smeligrana ha scritto: ... non saprei proprio come procedere o forse c'è un modo più furbo per esprimere.
Quello è l'unico modo "più furbo" per esprimerla e per procedere basta trasformare l'equazione integro-differenziale ottenuta andando a derivarla rispetto al tempo.
NB Un altro modo per ottenere gli autovalori in un caso generale e in modo più rapido, sarebbe quello di utilizzare il metodo del "circuito resistivo associato" (lo conosci?) per poi andare a ricavarli dalla matrice A del sistema lineare.
"Il circuito ha sempre ragione" (Luigi Malesani)
0
voti
"circuito resistivo associato" è una metodologia che non conosco 
-

smeligrana
95 6 - New entry

- Messaggi: 72
- Iscritto il: 5 apr 2021, 20:58
25 messaggi
• Pagina 2 di 3 • 1, 2, 3
Torna a Elettrotecnica generale
Chi c’è in linea
Visitano il forum: Nessuno e 13 ospiti

Elettrotecnica e non solo (admin)
Un gatto tra gli elettroni (IsidoroKZ)
Esperienza e simulazioni (g.schgor)
Moleskine di un idraulico (RenzoDF)
Il Blog di ElectroYou (webmaster)
Idee microcontrollate (TardoFreak)
PICcoli grandi PICMicro (Paolino)
Il blog elettrico di carloc (carloc)
DirtEYblooog (dirtydeeds)
Di tutto... un po' (jordan20)
AK47 (lillo)
Esperienze elettroniche (marco438)
Telecomunicazioni musicali (clavicordo)
Automazione ed Elettronica (gustavo)
Direttive per la sicurezza (ErnestoCappelletti)
EYnfo dall'Alaska (mir)
Apriamo il quadro! (attilio)
H7-25 (asdf)
Passione Elettrica (massimob)
Elettroni a spasso (guidob)
Bloguerra (guerra)



