Cos'è ElectroYou | Login Iscriviti

ElectroYou - la comunità dei professionisti del mondo elettrico

Simulazione circuito driver TEC

Elettronica lineare e digitale: didattica ed applicazioni

Moderatori: Foto Utentecarloc, Foto Utenteg.schgor, Foto UtenteBrunoValente, Foto UtenteIsidoroKZ

0
voti

[1] Simulazione circuito driver TEC

Messaggioda Foto Utenteimpedance » 29 apr 2021, 17:21

Buon pomeriggio ragazzi,
Dovrei eseguire uno studio su un circuito di pilotaggio per cella di Peltier. La cella di Peltier, opportunamente alimentata, si comporta come pompa di calore ed è in grado di permettere la trasmissione del calore dal lato caldo (a contatto con l'oggetto che si vuole raffreddare) al lato freddo (che viene collegato solitamente ad un dissipatore).
la cella di Peltier in questo caso, viene vista come carico ohmico pilotata dal circuito.

Il circuito in questione (lo allego, è il "LINEAR TEC DRIVER-1" -pag 7) è presente sul sito Texas Instruments ed è caratterizzato da un amplificatore strumentale, due amplificatore di classe B e due op amp.
Volevo chiedere se è possibile determinare il comportamento del circuito senza utilizzare il simulatore. Sono riuscito a calcolarmi la relazione I/O ed il guadagno dell'INA 155 e vorrei capire come dovrei analizzare i due stadi di amplificazione per poter determinarne complessivamente la risposta in frequenza dell'intero circuito.

Mi piacerebbe capire quali argomenti dovrei studiare e quali dovranno essere i passi da fare al fine di eseguire un analisi dettagliata complessiva del circuito.
Vi ringrazio. A presto O_/
Allegati
optoelectronics Circuit collection.pdf
file pdf della TI
(261.01 KiB) Scaricato 141 volte
Avatar utente
Foto Utenteimpedance
5 2
 
Messaggi: 26
Iscritto il: 22 ago 2018, 20:29

0
voti

[2] Re: Simulazione circuito driver TEC

Messaggioda Foto Utenteimpedance » 30 apr 2021, 12:01

Per maggiore chiarezza, vi allego il file già estrapolato dalla raccolta.
https://drive.google.com/file/d/1d01rHmm0ugktFkhuHBCy6uveuYbdUVno/view?usp=sharing
Avatar utente
Foto Utenteimpedance
5 2
 
Messaggi: 26
Iscritto il: 22 ago 2018, 20:29

0
voti

[3] Re: Simulazione circuito driver TEC

Messaggioda Foto Utenteelfo » 30 apr 2021, 17:40

impedance ha scritto:Sono riuscito a calcolarmi la relazione I/O ed il guadagno dell'INA 155 e vorrei capire come dovrei analizzare i due stadi di amplificazione per poter determinarne complessivamente la risposta in frequenza dell'intero circuito

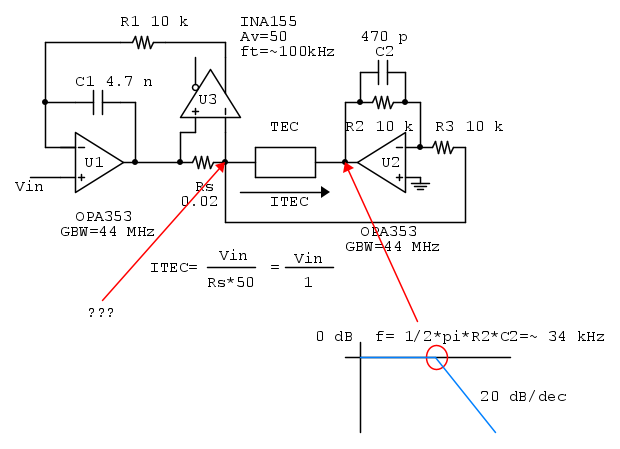
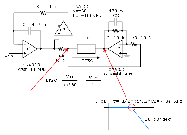
Il circuito dell'applicazione del link nel tuo post puo' essere schematizzato come nello schema qui sotto.

Come puoi vedere il (semi)circuito di DX (U2,R2,R3,C2) puo' essere calcolato facilmente: guadagno invertente unitario e polo a ~ 34 kHz.

Il (semi)circuito di SX (U1, U3, Rs, R1, C1) e' un amplificatore composito ed il calcolo della risposta in frequenza non e' "immediato".

Nell'articolo del tuo link risulta tra l'altro che la risposta in frequenza dipende anche dal valore del carico (TEC).

I link a due articoli di Sergio Franco:

- Achieving Faster Composite Op-Amp Dynamics by Expanding the Frequency Bandwidth

https://www.allaboutcircuits.com/techni ... bandwidth/

- How to Increase Slew Rate in Op Amps

https://www.allaboutcircuits.com/techni ... e-op-amps/

In allegato e qui sotto trovi:

- Composite Amplifier Design for High Gain Applications


in cui viene spiegato un metodo quantitativo per il calcolo della compensazione e e della banda di un amplificatore composito.

- Composite Audio Power Amplier

Pagine da Radio-Electronics-1992-11.pdf
(358.33 KiB) Scaricato 182 volte

- due esempi di generatori di corrente con topologia analoga a quella del tuo link con relative risposta all'impulso ed indicazioni minime sulla funzione del condensatore di compensazione.

VoltCurSour.jpg

VoltCurSour2.jpg
Avatar utente
Foto Utenteelfo
6.819 4 5 7
G.Master EY
G.Master EY
 
Messaggi: 2828
Iscritto il: 15 lug 2016, 13:27

0
voti

[4] Re: Simulazione circuito driver TEC

Messaggioda Foto Utenteimpedance » 3 mag 2021, 8:03

elfo ti sono enormemente grato per il materiale e le spiegazioni a riguardo. Inizio subito a studiarmeli! :cool:
Avatar utente
Foto Utenteimpedance
5 2
 
Messaggi: 26
Iscritto il: 22 ago 2018, 20:29


Torna a Elettronica generale

Chi c’è in linea

Visitano il forum: Google Adsense [Bot] e 242 ospiti