In effetti è stupida,ma ho un po il neurone in standby ultimamente (ho bisogno di ferie......)
Stavo fresando alcuni pannellini in plexiglas (con interruttori vari),e per ogni interruttore c'è la sua brava etichetta.
Volevo fare un po lo sborone e mettere dietro ogni etichetta un led bicolore (rosso/verde),usando alimentazione a 12 v dedicata.
Non so se sia un errore o meno,fatto sta che ho comprato dei bicolore ad anodo comune.
Mi sto bloccando sul come collegarli....
Pensavo un serie / parallelo,ma essendo ad anodo comune mi sono bloccato..... Avessero avuto il catodo comune,mi sarei orientato nel collegare in serie gruppi di 6 anodi rossi (considerando un tensione di 2v a led) e
4 verdi (considerando un tensione di 3v a led),evitandomi cosi di dover usare resistenze.
Quindi a monte un deviatore cosi da indirizzare il +12 o sulla linea verde o su quella rossa.
Ma adesso il fatto che in comune ci sia l"anodo mi sono ingrippato....
Sicuramente la risposta è piu semplice di quello che penso,ma......
Domanda stupida sui led.....
Moderatori:
carloc,
g.schgor,
BrunoValente,
IsidoroKZ
13 messaggi
• Pagina 1 di 2 • 1, 2
0
voti
0
voti
Non si capisce se si devono accendere tutti i rossi o tutti i verdi in funzione di un comando oppure se ciascun interruttore comanda un led rosso/verde.
Butta giù un abbozzo in fidocad, poi ci si ragiona
Butta giù un abbozzo in fidocad, poi ci si ragiona
0
voti
Jocman ha scritto:...,evitandomi cosi di dover usare resistenze.
.....
Quello mai, a meno che tu non stia usando dei driver a corrente costante.
I led sono componenti nonlineari che funzionano in corrente, non in tensione, quindi la corrente che li attraversa va SEMPRE limitata, non importa se con driver a regolazione di corrente o con resistenze in serie, ma un sistema di limitazione ci deve sempre essere.
"Sopravvivere" e' attualmente l'unico lusso che la maggior parte dei Cittadini italiani,
sia pure a costo di enormi sacrifici, riesce ancora a permettersi.
sia pure a costo di enormi sacrifici, riesce ancora a permettersi.
-

Etemenanki
9.517 3 6 10 - Master

- Messaggi: 5944
- Iscritto il: 2 apr 2021, 23:42
- Località: Dalle parti di un grande lago ... :)
0
voti
Ciao
Jocman
La tua domanda non è assolutamente stupida, anzi è molto interessante
Ma il problema che ti sei posto mentalmente sui led ad anodo comune che hai acquistato, anziché a catodo comune come volevi tu, non ti cambia nulla eh
Questa sì che è un'affermazione (non dico stupida perché non voglio offenderti) poco chiara
La tua domanda non è assolutamente stupida, anzi è molto interessante
Ma il problema che ti sei posto mentalmente sui led ad anodo comune che hai acquistato, anziché a catodo comune come volevi tu, non ti cambia nulla eh
Pensavo un serie / parallelo, ma essendo ad anodo comune mi sono bloccato..... Avessero avuto il catodo comune
Questa sì che è un'affermazione (non dico stupida perché non voglio offenderti) poco chiara
-

AZZZ
256 1 5 6 - CRU - Account cancellato su Richiesta utente
- Messaggi: 620
- Iscritto il: 4 mag 2018, 21:47
0
voti
AZZZ ha scritto:Questa sì che è un'affermazione (non dico stupida perché non voglio offenderti) poco chiara
Non mi offendo, sono ignorante in materia quindi c'è poco da offendersi.
Esplico meglio la situazione.
Si è rotto un pannello comandi di uno strumento; su questo pannello ci sono una decina fra interruttori, pulsanti, potenziometri.
Con la CNC ho rifatto in plexiglas questo pannello, e dietro ogni etichetta relativa ad un interruttore, pulsante etc volevo illuminarla, mettendoci un led (sul pannello originale la scritta è solo serigrafata, mentre io l'ho incisa su plexiglas trasparente e verniciato.
Siccome a volte lo strumento in questione viene usato anche al buio (o quasi), la mia "sboronata" consisteva nel mettere un deviatore (uno solo) che accendesse solo o tutti i led verdi o tutti i led rossi (tipo come si vede nei film di guerra quando passano all'illuminazione notturna rossa). Una cosa inutile, ad essere sincero.
In effetti, però facendo uno schema (carta e penna, sono in ufficio...) come suggerito da Edgar, mi sono accorto (sempre nella mia ignoranza) che il creare un serie / parallelo mi crea problemi.
Quando parlo di serie/parallelo mi riferisco: alimentazione a 12V, il led richiede 3 volt, posso collegare 4 led in serie. poi in parallelo posso collegare tot catene di 4 led in serie. Spero sia giusto....
Però, essendo bicolore, il fatto di avere un polo in comune mi scombussola; se poi è l'anodo ad essere in comune, beh peggioro....
Forse sarebbe meglio mettere dei semplici led singoli, con la loro resistenza e basta....
Però mi rimane la curiosità di sapere come collegare i bicolore che ho con l'anodo comune.
Se avessero il catodo comune, considerando l'uso di un solo led mi calcolerei una resistenza per ogni anodo (quindi in ingresso verso il LED); ma in questo caso?
O la resistenza la posso mettere anche sul catodo (in uscita dal LED)??
0
voti
Jocman ha scritto:O la resistenza la posso mettere anche sul catodo (in uscita dal LED)??
Se sono in serie puoi scambiarle senza problemi. Quello che fai sul catodo lo fai sull'anodo. Al componente interessa la caduta di tensione ai sui capi e la corrente che ci scorre dentro. Quindi resistenza sul catodo o sull'anodo il componente non ci fa caso (proprio non lo sa). Così come l'interruzione della corrente la puoi fare sia sul positivo che sul negativo, lui vede aperto (punto).
1
voti
Jocman ha scritto:Quando parlo di serie/parallelo mi riferisco: alimentazione a 12V, il led richiede 3 volt, posso collegare 4 led in serie. poi in parallelo posso collegare tot catene di 4 led in serie. Spero sia giusto....
Direi di no: come ti hanno già detto i led in generale non si possono alimentare senza limitare la corrente, quindi, se l'alimentatore è un generatore di tensione, un resistore in serie ci vuole sempre... è vero che in giro si trovano anche cinesate con led alimentati direttamente da batterie ma per l'appunto sono cinesate.
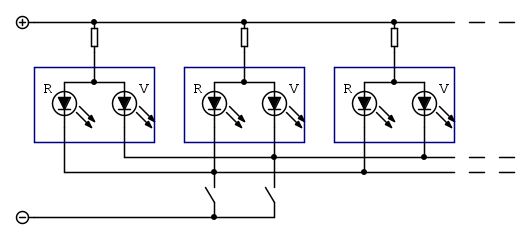
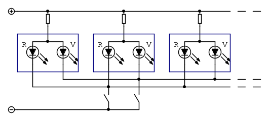
Nel tuo caso per accendere solo i led verdi tutti insieme oppure solo quelli rossi tutti insieme puoi fare così
-

BrunoValente
39,6k 7 11 13 - G.Master EY

- Messaggi: 7796
- Iscritto il: 8 mag 2007, 14:48
0
voti
Se vuoi ottenere l'effetto che desideri potresti usare una serie di led bicolori in antiparallelo tipo questo. Per cambiare colore ti basta invertire la polarità dell'alimentazione, se poi vuoi fare il fine puoi mettere resistenze separate per rosso e verde per avere luminosità simili.
0
voti
Per essere "precisi" il problema è la legge esponenziale corrente tensione. Una piccola variazione di tensione causa una enorme variazione sulla corrente (e poi la distruzione nel caso si superino i valori massimi ammessi).
Visto che all'incirca la

Pertanto se tari la corrente la tensione varia come il logaritmo. Molto più semplice da gestire. Anche perché bisogna tenere conto dei parametri costruttivi (che fanno si che 2 led con la stessa tensione abbiano correnti molto differenti), il fatto che qualsiasi riferimento in tensione sballi in funzione della temperatura (e dei sui parametri costruttivi), etc.
Visto che all'incirca la

Pertanto se tari la corrente la tensione varia come il logaritmo. Molto più semplice da gestire. Anche perché bisogna tenere conto dei parametri costruttivi (che fanno si che 2 led con la stessa tensione abbiano correnti molto differenti), il fatto che qualsiasi riferimento in tensione sballi in funzione della temperatura (e dei sui parametri costruttivi), etc.
13 messaggi
• Pagina 1 di 2 • 1, 2
Chi c’è in linea
Visitano il forum: Google Adsense [Bot] e 307 ospiti

Elettrotecnica e non solo (admin)
Un gatto tra gli elettroni (IsidoroKZ)
Esperienza e simulazioni (g.schgor)
Moleskine di un idraulico (RenzoDF)
Il Blog di ElectroYou (webmaster)
Idee microcontrollate (TardoFreak)
PICcoli grandi PICMicro (Paolino)
Il blog elettrico di carloc (carloc)
DirtEYblooog (dirtydeeds)
Di tutto... un po' (jordan20)
AK47 (lillo)
Esperienze elettroniche (marco438)
Telecomunicazioni musicali (clavicordo)
Automazione ed Elettronica (gustavo)
Direttive per la sicurezza (ErnestoCappelletti)
EYnfo dall'Alaska (mir)
Apriamo il quadro! (attilio)
H7-25 (asdf)
Passione Elettrica (massimob)
Elettroni a spasso (guidob)
Bloguerra (guerra)






