Nel post 27 scrivi che è -0.35 V, mi pare corretto
poi che Vbe è -9,75 sono 9,75 rispetto alla base a massa?
e che Vbc è 0,25, intendi - 0,25 V del collettore rispetto a massa? (prima era - 0,35 V ?)
Quiz, esercizio, esperimento transistor
Moderatori:
carloc,
g.schgor,
BrunoValente,
IsidoroKZ
0
voti
Vbe = puntale rosso sulla base, nero sull'emettitore.
Idem per Vbc. Vu = Vcb.
Tra una misura e l'altra ho tolto alimentazione al circuito... Sì, 0.25 V nella misura successiva.
Idem per Vbc. Vu = Vcb.
Tra una misura e l'altra ho tolto alimentazione al circuito... Sì, 0.25 V nella misura successiva.
0
voti
Ma la domanda ora è: perché??![]()
Provo con una risposta superficiale come l'ho letta e come più o meno l'ho capita:
La giunzione base emettitore lavora in una condizione di valanga in cui realizza l'effetto zener.
In tali condizioni emette luce come fosse un LED.
I fotoni passano attraverso il reticolo della giunzione base collettore e generano elettroni che caricano negativamente il collettore.
Probabilmente altri sapranno rispondere meglio.

0
voti
Ehi, ehi, non mettete via i 2N2222 che c'e' un altro quizzz!
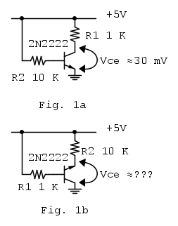
Guardate il circuito di Fig.1a
La Vce(sat) del transistor vale ~30 mV (in accordo alla Fig. 11 del datasheet https://www.onsemi.com/pdf/datasheet/p2n2222a-d.pdf)
Guardate adesso la Fig. 1b in cui:
- il transistor e' stato "girato"
- le due resistenze R1 e R2 sono state "scambiate" di posto
Domande: in Fig.1b
- quanto vale (circa) la Vce(sat)?
- qual e'(ra) l'utilizzo di questo circuito?
Guardate il circuito di Fig.1a
La Vce(sat) del transistor vale ~30 mV (in accordo alla Fig. 11 del datasheet https://www.onsemi.com/pdf/datasheet/p2n2222a-d.pdf)
Guardate adesso la Fig. 1b in cui:
- il transistor e' stato "girato"
- le due resistenze R1 e R2 sono state "scambiate" di posto
Domande: in Fig.1b
- quanto vale (circa) la Vce(sat)?
- qual e'(ra) l'utilizzo di questo circuito?
3
voti
elfo ha scritto:Ehi, ehi, non mettete via i 2N2222 che c'e' un altro quizzz!
Ma qui stiamo andando nell'archeologia degli switch. Veniva usato negli A/D negli anni 60, mi pare nei primi multimetri digitali. La particolare struttura costruttiva del 2N2222 consente di avere saturazioni, quando lo si polarizza al contrario, dell'ordine delle decine di microvolt. Ma però, appunto, non devi mettere in breakdown la giungione emettitore-base.
Comunque funziona con tutti i BJT: tipicamente messi al contrario hanno tensioni di saturazioni inferiori.
Ho vinto?
-

EnChamade
6.498 2 8 12 - G.Master EY

- Messaggi: 588
- Iscritto il: 18 giu 2009, 12:00
- Località: Padova - Feltre
1
voti
Anche io ho una ulteriore domanda: se prendete un LED e lo mandate in breakdown polarizzandolo inversamente, emette luce?
Perché se non emette luce abbiamo un problema, right?
Perché se non emette luce abbiamo un problema, right?
-

PietroBaima
90,7k 7 12 13 - G.Master EY

- Messaggi: 12206
- Iscritto il: 12 ago 2012, 1:20
- Località: Londra
0
voti
Io anni fa sono riuscito a far emettere un minimo di luce ad un led collegato per sbaglio alla rovescia ... ma era il filamento che collegava il chip al piedino che divento' incandescente, conta anche quello ? 
"Sopravvivere" e' attualmente l'unico lusso che la maggior parte dei Cittadini italiani,
sia pure a costo di enormi sacrifici, riesce ancora a permettersi.
sia pure a costo di enormi sacrifici, riesce ancora a permettersi.
-

Etemenanki
9.517 3 6 10 - Master

- Messaggi: 5940
- Iscritto il: 2 apr 2021, 23:42
- Località: Dalle parti di un grande lago ... :)
0
voti
EnChamade ha scritto:Ma la domanda ora è: perché??
Io ho pensato allo schema seguente:
Chi c’è in linea
Visitano il forum: Nessuno e 59 ospiti

Elettrotecnica e non solo (admin)
Un gatto tra gli elettroni (IsidoroKZ)
Esperienza e simulazioni (g.schgor)
Moleskine di un idraulico (RenzoDF)
Il Blog di ElectroYou (webmaster)
Idee microcontrollate (TardoFreak)
PICcoli grandi PICMicro (Paolino)
Il blog elettrico di carloc (carloc)
DirtEYblooog (dirtydeeds)
Di tutto... un po' (jordan20)
AK47 (lillo)
Esperienze elettroniche (marco438)
Telecomunicazioni musicali (clavicordo)
Automazione ed Elettronica (gustavo)
Direttive per la sicurezza (ErnestoCappelletti)
EYnfo dall'Alaska (mir)
Apriamo il quadro! (attilio)
H7-25 (asdf)
Passione Elettrica (massimob)
Elettroni a spasso (guidob)
Bloguerra (guerra)




V
V

per l'ottimo spiegone
pigreco]=π