Buona sera,
per gestire più generatori per la ricarica di una batteria, collegandoli in parallelo con all'uscita di ognuno un diodo Schottky in serie, è vero che verrebbe prelevata automaticamente solo la potenza solo del generatore con tensione più alto?
Anche se non molto efficientemente perché lavorerebbe solo un generatore alla volta potrebbe funzionare o servono altre protezioni oltre ai diodi?
Esistono BMS per gestire la carica bilanciata tra più celle al litio e con tensione massima e minima personalizzabili?
Ringrazio in anticipo per l'aiuto.
gestione di più generatori per la ricarica di una batteria
Moderatori:
carloc,
g.schgor,
BrunoValente,
IsidoroKZ
9 messaggi
• Pagina 1 di 1
0
voti
Direi che il diodo possa funzionare, ma perdi l'energia che potrebbero erogare tutti gli altri generatori (*).
Per il bilanciamento delle celle non so rispondere.
(*) Problema divertente che mi e` venuto in mente adesso, quindi non e` una risposta alla tua domanda.
Se al posto di avere n generatori con tensione ideali Ei (con i che va da 1 a n) collegati con dei diodi, si sggiungesse una resistenza Ri in serie a ciascun generatore e al diodo, si potrebbe estrarre una potenza totale maggiore di quella data dai semplici diodi? Problema di ottimizzazione multivariata
Per il bilanciamento delle celle non so rispondere.
(*) Problema divertente che mi e` venuto in mente adesso, quindi non e` una risposta alla tua domanda.
Se al posto di avere n generatori con tensione ideali Ei (con i che va da 1 a n) collegati con dei diodi, si sggiungesse una resistenza Ri in serie a ciascun generatore e al diodo, si potrebbe estrarre una potenza totale maggiore di quella data dai semplici diodi? Problema di ottimizzazione multivariata
Per usare proficuamente un simulatore, bisogna sapere molta più elettronica di lui
Plug it in - it works better!
Il 555 sta all'elettronica come Arduino all'informatica! (entrambi loro malgrado)
Se volete risposte rispondete a tutte le mie domande
Plug it in - it works better!
Il 555 sta all'elettronica come Arduino all'informatica! (entrambi loro malgrado)
Se volete risposte rispondete a tutte le mie domande
1
voti
miky94 ha scritto:per gestire più generatori per la ricarica di una batteria, collegandoli in parallelo
Provo a dare la mia interpretazione alla domanda.
In linea generale un caricabatteria e' composto da un generatore di corrente ed un limitatore di tensione.
Le batterie di varie "chimiche" possono richiedere "profili di carica" diversi ma in linea di principio si ha:
- una fase di carica a "corrente costante" (intensita' di corrente "alta" variabile in funzione dello stato di carica)
- una fase di mantenimento di fine carica in cui la tensione viene limitata (corrente "trascurabile").
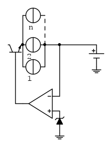
Guardiamo lo schema qui sotto, libera interpretazione di principio di quanto esposto qui sopra.
Abbiamo "n" generatori do corrente collegati in parallelo.
Nella fase di carica a "corrente costante" ciascun generatore eroghera' una corrente in funzione della propria "programmazione" (funzione della "precisione" dei componenti del generatore) ma non ci sara' interazione tra i vari generatori.
Il diodo per impedire la "circolazione inversa della corrente" puo' essere immaginato interno al generatore o non necessario (dipende da come e' realizzato il generatore) ma in ogni caso non sposta il principio di funzionamento dei generatori di corrente in parallelo.
Nella fase di "mantenimento" il caricabatteria entra nella modalita' "generatore di tensione" per cui la corrente viene erogata solamente da generatore con la tensione piu' alta, ma la corrente erogata sul carico diventa "trascurabile" per cui e' poco importante se tale corrente viene erogata da un solo generatore.
Riassumendo:
- fase di carica (max corrente): tutti I generatori partecipano all'erogazione della corrente in base alle proprie capacita'
- fase di mantenimento (min corrente): solo il generatore con la tensione piu' alta eroga la corrente necessaria
P.S. riguardo alla tecnica di utilizzare piu' generatori di tensione in parallelo (con resistenza in serie)guarda al figura qui sotto, tratta dal data sheet dell'LT338, tenenedo ben presente che il componente e' obsoleto e che tecniche di questo tipo oggi sono raramente utilizzate/necessarie (quest'ultima affermazione dovrebbe essere meglio precisata
https://www.analog.com/media/en/technic ... 138afd.pdf
0
voti
Ciao a tutti...chi non muore si rivede :) (intendo io, ovviamente)
Che tipo di batteria devi ricaricare? i diodi in serie a sorgenti multiple collegati a catodo comune funzionano, in generale, pur non essendo ovviamente una soluzione ottimizzata per alcune applicazioni, ma quello che metti dopo i catodi? dipende da che tipo di batteria devi caricare e/o dal tipo di generatori che hai (limitati in corrente?)
carino :)
Che tipo di batteria devi ricaricare? i diodi in serie a sorgenti multiple collegati a catodo comune funzionano, in generale, pur non essendo ovviamente una soluzione ottimizzata per alcune applicazioni, ma quello che metti dopo i catodi? dipende da che tipo di batteria devi caricare e/o dal tipo di generatori che hai (limitati in corrente?)
Se al posto di avere n generatori con tensione ideali Ei (con i che va da 1 a n) collegati con dei diodi, si sggiungesse una resistenza Ri in serie a ciascun generatore e al diodo, si potrebbe estrarre una potenza totale maggiore di quella data dai semplici diodi? Problema di ottimizzazione multivariata
carino :)
_______________________________________________________
Gli oscillatori non oscillano mai, gli amplificatori invece sempre
Io HO i poteri della supermucca, e ne vado fiero!
Gli oscillatori non oscillano mai, gli amplificatori invece sempre
Io HO i poteri della supermucca, e ne vado fiero!
0
voti
I generatori saranno un pannello solare ed una turbina eolica e se più facile mi potrebbe essere sufficiente la ricarica di un solo generatore alla volta a seconda di sole e vento (quello che eroga la tensione maggiore).
La batteria sarà composta da 2 serie di LiFePO4 (o LiIon) e vorrei bilanciare la carica delle celle, per ottimizzare la vita della batteria potrebbe bastare la fase di carica a corrente costante gestendo cut-off di carica (75%) e scarica (25%), ma in questa fase come mantengo la corrente costante e che tensione devo applicare?
La batteria sarà composta da 2 serie di LiFePO4 (o LiIon) e vorrei bilanciare la carica delle celle, per ottimizzare la vita della batteria potrebbe bastare la fase di carica a corrente costante gestendo cut-off di carica (75%) e scarica (25%), ma in questa fase come mantengo la corrente costante e che tensione devo applicare?
0
voti
obiuan ha scritto:Ciao a tutti...chi non muore si rivede :) (intendo io, ovviamente)
Toh chi si rivede! Hai portato la giustificazione per una cosi` lunga assenza? Che non si ripeta piu`
Per usare proficuamente un simulatore, bisogna sapere molta più elettronica di lui
Plug it in - it works better!
Il 555 sta all'elettronica come Arduino all'informatica! (entrambi loro malgrado)
Se volete risposte rispondete a tutte le mie domande
Plug it in - it works better!
Il 555 sta all'elettronica come Arduino all'informatica! (entrambi loro malgrado)
Se volete risposte rispondete a tutte le mie domande
0
voti
"Ero… rimasto senza benzina. Avevo una gomma a terra. Non avevo i soldi per prendere il taxi. La tintoria non mi aveva portato il tight. C’era il funerale di mia madre! Era crollata la casa! C’è stato un terremoto! Una tremenda inondazione! Le cavallette! Non è stata colpa mia! Lo giuro su Dio!"
non proprio di prima mano come giustificazione, ma sempre efficace no? :)
non proprio di prima mano come giustificazione, ma sempre efficace no? :)
_______________________________________________________
Gli oscillatori non oscillano mai, gli amplificatori invece sempre
Io HO i poteri della supermucca, e ne vado fiero!
Gli oscillatori non oscillano mai, gli amplificatori invece sempre
Io HO i poteri della supermucca, e ne vado fiero!
0
voti
obiuan ha scritto:...non proprio di prima mano come giustificazione, ma sempre efficace no? :)
Si ma devi toglierti gli occhiali da sole!
Se quello che funziona basta non lo tocca' sennò te lassa!
0
voti
;P
_______________________________________________________
Gli oscillatori non oscillano mai, gli amplificatori invece sempre
Io HO i poteri della supermucca, e ne vado fiero!
Gli oscillatori non oscillano mai, gli amplificatori invece sempre
Io HO i poteri della supermucca, e ne vado fiero!
9 messaggi
• Pagina 1 di 1
Chi c’è in linea
Visitano il forum: Google [Bot] e 27 ospiti

Elettrotecnica e non solo (admin)
Un gatto tra gli elettroni (IsidoroKZ)
Esperienza e simulazioni (g.schgor)
Moleskine di un idraulico (RenzoDF)
Il Blog di ElectroYou (webmaster)
Idee microcontrollate (TardoFreak)
PICcoli grandi PICMicro (Paolino)
Il blog elettrico di carloc (carloc)
DirtEYblooog (dirtydeeds)
Di tutto... un po' (jordan20)
AK47 (lillo)
Esperienze elettroniche (marco438)
Telecomunicazioni musicali (clavicordo)
Automazione ed Elettronica (gustavo)
Direttive per la sicurezza (ErnestoCappelletti)
EYnfo dall'Alaska (mir)
Apriamo il quadro! (attilio)
H7-25 (asdf)
Passione Elettrica (massimob)
Elettroni a spasso (guidob)
Bloguerra (guerra)






