Cos'è ElectroYou | Login Iscriviti

ElectroYou - la comunità dei professionisti del mondo elettrico

Riparazione alimentatore switching 12V - 6,5A

Tecniche per la costruzione e la riparazione di apparecchiature elettriche e non. Ricerca guasti. Adattamenti e riutilizzazioni
0
voti

[251] Re: Riparazione alimentatore switching 12V - 6,5A

Messaggioda Foto Utentestefanopc » 13 giu 2021, 15:42



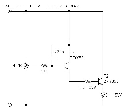
Ecco il carico variabile versione "minimale" con componenti di recupero che uso da una ventina di anni.
Diciamo che rispetta le direttive "meno componenti ci sono meno si rompono" e più rapidamente si fa a montarlo. :mrgreen:
Non c'è protezione alcuna contro la inversione di alimentazione ne di sovracorrente ne di massima temperatura prestare attenzione.
I componenti sono piuttosto massicci e robusti io l'ho bruciato solo una volta per inversione di alimentazione.
Spero di non urtare la sensibilita di Foto UtenteIsidoroKZ
Per prove rapide sugli alimentatori è molto piu comodo di qualsiasi carico non variabile.
Mi piacerebbe provare trasformarlo con la configurazione Sziklai con darlington PNP.
E' dimensionato per 12V circa 20 - 25 A
Serve aletta generosa pasta siliconica e se le prove vanno per le lunghe oltre i 20A anche una ventola aiuta.
Prestare attenzione alle superfici roventi
Non serve PCB è facile realizzare il tutto tra i pin dei vari componenti.
Il condensatore nella mia ultima versione non l'ho messo e non ho notato problemi ma potrebbe essere indicato in caso di autooscillazioni.
La regolazione è abbastanza comoda anche con un normale potenzionetro ad un giro.
Fino a 10A potrebbe andare bene un solo 3055

Fino a 2 - 3A potrebbe andare anche la versione a un transistor.

Ciao
600 Elettra
Avatar utente
Foto Utentestefanopc
13,3k 5 9 13
Master EY
Master EY
 
Messaggi: 5567
Iscritto il: 4 ago 2020, 9:11

1
voti

[252] Re: Riparazione alimentatore switching 12V - 6,5A

Messaggioda Foto UtenteAlan18 » 13 giu 2021, 22:40

Grazie Foto Utentestefanopc per gli schemi. Mi sono fatto una minima idea di quello che può essere un carico attivo variabile. Non dimentichiamo che sono totalmente profano sulla maggior parte degli argomenti. Quindi anche cose che magari ai più possono apparire banali, per me sono di grande aiuto.

Ora, come aveva già detto Foto UtenteIsidoroKZ, le strade sono 2. O cimentarsi nella realizzazione di un circuito, e con la scusa studiarne il funzionamento, oppure più rapidamente, prendere un po' di resistenze e metterle in parallelo.

Devo essere sincero, gli schemi di Foto Utentestefanopc mi tentano, sia per l'apparente semplicità di realizzazione, tanto semplice che forse ho capito anche come funziona...sia perché trovo il tutto mentalmente più stimolante rispetto al piazzare le resistenze in parallelo e misurare da quanta corrente sono attraversate (anche se forse sarebbe la soluzione più rapida e più da praticoni per ciò che vogliamo sapere). Ma come qualcuno aveva già notato, le soluzioni semplici non fanno parte di questa discussione :mrgreen:

Mi rendo conto che non avere sempre e subito a disposizione i vari componenti che servono e doverli recuperare, rende un po' meno dinamica la discussione, ma purtroppo per ora è così. Conto, in futuro, di essere sempre più fornito. In più c'è da considerare, visto che trovo giusto che sia così, che ogni volta che salta fuori un argomento nuovo, cerco di studiacchiarlo dalla rete in modo da avere almeno idea di quello di cui si parla e farmi delle minime basi. E per farlo, ci vuole ovviamente il suo tempo e non sempre rispondo alle vostre indicazioni con la rapidità che vorrei.

Detto ciò, vorrei capire se ho capito come funziona il circuito e se è così semplice come penso.
In pratica la corrente che eroga l'alimentatore è "gestita" dal potenziometro da 4,7\,\mathrm{K\Omega}, il quale regola la corrente che arriva in base di T1. La corrente transitante tra collettore ed emettitore di T1 (proporzionale alla corrente che arriva alla sua base), finisce a sua volta in base di T2 e T3. A questo punto T2 e T3 vanno proporzionalmente in conduzione e chiudono il circuito attraverso le 2 resistenze di basso valore ove fluirà la corrente totale del circuito.
Ci ho preso?
Tutta la potenza o quasi, viene dissipata in calore?
Non ho ben capito, nella pratica, a quali componenti applicare il dissipatore. Solo ai transistor?
E' possibile vedere la foto di una realizzazione pratica di questo circuito?

Ho trovato in rete altre varianti atte allo stesso scopo, un po' più elaborate come accennava Foto UtenteIsidoroKZ (operazionale, protezione da inversione di polarità, protezione da overheating, ecc.), ma partirei dalle cose facili facili.

Nel mio caso, penso si possa adattare bene la soluzione n. 2, quella fino a 10A.
Vorrei sapere, visto che in casa ho diversi transistor, quali caratteristiche "essenziali" devono avere T1 e T2 per capire se posso usare componenti equivalenti.

Grazie.
Avatar utente
Foto UtenteAlan18
514 1 3 7
Frequentatore
Frequentatore
 
Messaggi: 225
Iscritto il: 8 mar 2020, 13:11

3
voti

[253] Re: Riparazione alimentatore switching 12V - 6,5A

Messaggioda Foto UtenteIsidoroKZ » 13 giu 2021, 23:39

Alan18 ha scritto:dal potenziometro da 4,7\,\mathrm{K\Omega}, il quale regola la corrente che arriva in base di T1. La corrente transitante tra collettore ed emettitore di T1 (proporzionale alla corrente che arriva alla sua base),
Ci ho preso?


Oggi mi sento perfido. NO, non ci hai preso. Non solo non ci hai preso (succede!) ma devi assolutamente e prontamente dimenticare quella spiegazione, che non e` solo sbagliata e` terribilmente sbagliata!

Stai mettendo nel tuo ragionamento il guadagno di corrente del transistore, parametro che non si usa MAI in nessun caso per nessun motivo. Il solo guadagno di corrente dei transistori che serve nei progetti e` quello minimo: da quel valore a salire il circuito deve funzionare sempre nello stesso modo.

Vedere in proposito la firma di Foto Utentecarloc, che dice qualcosa del tipo "se ti serve sapere il guadagno del transistore, hai sbagliato progetto".

La corrente di base di un bipolare (e quindi il guadagno di corrente) e` un parametro PARASSITA!

So bene che in tanti posti si insiste sul guadagno di corrente, ma e` sbagliato, e` un parametro che viene usato a rovescio. La grandezza importante e` la corrente di collettore: quella di base viene di conseguenza, basta che non sia troppo grande. Quindi non si calcola o si regola la corrente di base e moltiplicata per il guadagno si ha quella di collettore. Si regola la corrente di collettore, e quella che serve in base viene quella che viene, in un progetto ben fatto chi se ne frega della corrente di base!

Cio` detto quel circuito e` un amplificatore di transconduttanza: data una tensione in ingresso assorbe una precisa corrente di uscita.

Adesso ho altro da fare, provero` a farti due esempi di ampli di transconduttanza, uno giusto e uno sbagliato che piu` sbagliato non si puo` :D
Per usare proficuamente un simulatore, bisogna sapere molta più elettronica di lui
Plug it in - it works better!
Il 555 sta all'elettronica come Arduino all'informatica! (entrambi loro malgrado)
Se volete risposte rispondete a tutte le mie domande
Avatar utente
Foto UtenteIsidoroKZ
121,2k 1 3 8
G.Master EY
G.Master EY
 
Messaggi: 21059
Iscritto il: 17 ott 2009, 0:00

1
voti

[254] Re: Riparazione alimentatore switching 12V - 6,5A

Messaggioda Foto Utentestefanopc » 14 giu 2021, 0:06

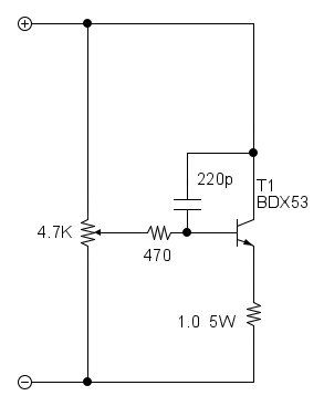
Per semplicita guardiamo la versione a un solo transistor nella ultima figura.
Se lo guardi bene è un normale alimentatore lineare a regolazione serie a tensione variabile con una resistenza da 1.0 Ohm attaccata in uscita.

Alan18 ha scritto:in pratica la corrente che eroga l'alimentatore è "gestita" dal potenziometro da 4,7K il quale regola la...
Tensione che arriva alla base del transistor.
Facciamo un esempio di massima e consideriamo la corrente di base del transistor talmente bassa da essere trascurabile(anche perché è un darlington e quindi è effettivamente molto bassa).
Regoliamo il potenziometro esattamente a meta e ipotizziamo la tensione di alimentazione sia esattamente 12Vcc.

La tensione in base al transistor è Vb = Vcc/2 =12/2 =  6 V rispetto al terminale negativo (se si considerano trascurabili le cadute su rb e sul potenziometro) .
La tensione sull'emettitore del darlington è Ve =  Vb - 2Vbe = 6-0.65-0.65 = 4.7 V

La corrente che scorre nel carico attivo sarà di 4.7A visto che la resistenza Re è di 1.0\Omega.
Se vuoi misurare la corrente sul carico non serve neppure un amperometro.
Basta misurare la caduta su Re con un voltmetro (multimetro) e 1V = 1A .
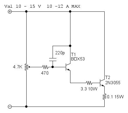
Se Re è da 0.1 Ohm nel circuito con un 2N3055 1V = 10A e con 2 transistor 2N3055 (circa)il doppio 1V = 20A.
Non tutti i multimetri misurano 25 A fondo scala :mrgreen: anzi di quelli che ho visto io nessuno.

Con piu transistor la storia cambia leggermente causa le due resistenze di base dei 2n3055 ma il principio di funzionamento è identico.

La foto del mio esemplare è meglio se non la metto altrimenti vengo radiato dal forum. :mrgreen:
E' un pochino impresentabile.


Ciao
600 Elettra
Avatar utente
Foto Utentestefanopc
13,3k 5 9 13
Master EY
Master EY
 
Messaggi: 5567
Iscritto il: 4 ago 2020, 9:11

0
voti

[255] Re: Riparazione alimentatore switching 12V - 6,5A

Messaggioda Foto Utenteclaudiocedrone » 14 giu 2021, 0:36

Per quanto riguarda:
Alan18 ha scritto: ...Tutta la potenza o quasi, viene dissipata in calore?...

Noti qualche componente che possa illuminarsi o mettersi in movimento? :mrgreen:
La potenza non può che essere dissipata tutta sotto forma di calore.

IsidoroKZ ha scritto: ...in tanti posti si insiste sul guadagno di corrente, ma e` sbagliato, e` un parametro che viene usato a rovescio...


Ehm, ciò io lo paragono forse un po' forzatamente a una certa diffusa interpretazione del metodo Ogino-Knaus :mrgreen: conosco tanti ragazzi che sono venuti al mondo anche perché i genitori usavano tale metodo come anticoncezionale quando invece è un metodo ideato per favorire il concepimento.
"Non farei mai parte di un club che accettasse la mia iscrizione" (G. Marx)
Avatar utente
Foto Utenteclaudiocedrone
21,3k 4 7 9
Master EY
Master EY
 
Messaggi: 15303
Iscritto il: 18 gen 2012, 13:36

3
voti

[256] Re: Riparazione alimentatore switching 12V - 6,5A

Messaggioda Foto UtenteAlan18 » 14 giu 2021, 15:00

Mi sento come quello che dopo mezza giornata sulle piste da sci, inizia a scendere e urla agli amici "ho imparato!ho imparato!"......poco prima di scatafasciarsi tra gli alberi.
E tirando fuori la testa dalla neve si guarda intorno sperando che nessuno lo abbia visto.
E invece lo stavano guardando tutti. Anche gli scoiattoli.
Vado a nascondermi mestamente nell'angolo.
Avatar utente
Foto UtenteAlan18
514 1 3 7
Frequentatore
Frequentatore
 
Messaggi: 225
Iscritto il: 8 mar 2020, 13:11

1
voti

[257] Re: Riparazione alimentatore switching 12V - 6,5A

Messaggioda Foto Utentestefanopc » 14 giu 2021, 17:28

Diciamo che avevi il 50 per cento di possibilità di schivare l'albero ma il tuo entusiasmo e la tua costanza sono comunque da premiare.
Il maestro di sci ti ha solo dato una leggera "tiratina di orecchie" forse per causa mia.
Come dicevano a scuola "calma e gesso".
Ciao
600 Elettra
Avatar utente
Foto Utentestefanopc
13,3k 5 9 13
Master EY
Master EY
 
Messaggi: 5567
Iscritto il: 4 ago 2020, 9:11

1
voti

[258] Re: Riparazione alimentatore switching 12V - 6,5A

Messaggioda Foto UtenteAlan18 » 14 giu 2021, 20:19

IsidoroKZ ha scritto:Oggi mi sento perfido.

No, sei solo stato giusto. D'altro canto, se uno sbaglia e nessuno glielo dice, quella persona continuerà a sbagliare.
Potevo evitare, chiedendo semplicemente come funziona. Ma ho voluto prendermi il rischio e provare a ragionarci prima da solo.
IsidoroKZ ha scritto:Vedere in proposito la firma di carloc, che dice qualcosa del tipo "se ti serve sapere il guadagno del transistore, hai sbagliato progetto".

L'avevo già notata al suo primo intervento nella discussione e mi sono anche chiesto "chissà cosa vorrà dire?"...... Ecco, appunto!

Diciamo che adesso, con la spiegazione terra-terra di Foto Utentestefanopc ho compreso meglio il principio di funzionamento. Anche se comunque ho dovuto ragionarci con calma, passo per passo. Nel calcolo della tensione sull'emettitore del darlington V_e\,=\, V_b-2V_{be}, non capivo il -2V_{be}, poi mi sono guardato bene come è fatto. Non me li ero ancora studiati molto bene, l'unica cosa che sapevo è che posseggono un guadagno molto elevato...dannato guadagno!
Ma se il guadagno non ci interessa, perché viene posto nel circuito proprio un darlington e non un normale transistor?

stefanopc ha scritto:La foto del mio esemplare è meglio se non la metto altrimenti vengo radiato dal forum. E' un pochino impresentabile.

Potresti mostrarla come esempio da non seguire. Così non lo faccio uguale :mrgreen: :mrgreen:
Nel caso, se in rete si trova qualche immagine di lavoro fatto bene, potete linkarla per favore? Giusto per avere un idea di che faccia deve avere, in particolar modo, per quanto riguarda la struttura dissipativa.

Domani se riesco faccio un salto al negozio. Se non dovessi trovare esattamente questi transistor (non so se sono molto commerciali o meno), c'è un'alternativa equivalente che potrei richiedere?
Io ho trovato online un po' di sigle su un sito che, data una sigla, suggerisce gli equivalenti, ma non so se le indicazioni sono affidabili. Oppure se mi dite quali sono i parametri da tenere in considerazione (Vce e Ic?), me li cerco da solo.
Grazie

PS: ringrazio l'anonimo utente che ha deciso di darmi un compassionevole ed immeritato voto positivo. Ma forse gli ho solo strappato un sorriso con la storia degli sci. :lol:
Avatar utente
Foto UtenteAlan18
514 1 3 7
Frequentatore
Frequentatore
 
Messaggi: 225
Iscritto il: 8 mar 2020, 13:11

0
voti

[259] Re: Riparazione alimentatore switching 12V - 6,5A

Messaggioda Foto Utenteclaudiocedrone » 14 giu 2021, 23:31

Direi che il Darlington si usa perché... rispetto a un "normale" BJT ha un elevato guadagno :mrgreen: (quello che interessa è sempre il guadagno minimo) il chè si traduce però nel fatto di assorbire una corrente di base praticamente trascurabile; naturalmente c'è un prezzo da pagare ed è che la tensione di soglia di conduzione base-emettitore è circa doppia rispetto al singolo BJT (avrai visto che il Darlington è composto da due BJT connessi alla Darlington, in questo caso integrati in un unico chip) ma ciò in questo caso non è affatto un problema.
certamente ci sono transistor equivalenti e i parametri non sono affatto stringenti ma comunque quelli indicati da Stefano sono comunissimi; riguardo al loro acquisto però tieni presente che per i 2N3055 c'è purtroppo un gran mercato di esemplari fake quindi non fidarti di venditori troppo "esotici".
"Non farei mai parte di un club che accettasse la mia iscrizione" (G. Marx)
Avatar utente
Foto Utenteclaudiocedrone
21,3k 4 7 9
Master EY
Master EY
 
Messaggi: 15303
Iscritto il: 18 gen 2012, 13:36

1
voti

[260] Re: Riparazione alimentatore switching 12V - 6,5A

Messaggioda Foto UtenteAlan18 » 30 giu 2021, 15:05

Buongiorno a tutti. Sto avendo serie difficoltà nel reperire il BDX53 presso il mio negozio di fiducia. Che è anche l'unico nei paraggi credo...
Mi è stato consigliato un BDX33 come alternativa. Chiedo, può andar bene lo stesso. Dovrebbe avere caratteristiche superiori se non ho capito male.
In particolare la corrente di collettore è di 10 A contro gli 8 A del BDX53.
Posso usare questo come alternativa?
Allego i due datasheet. Grazie.
BDX33.pdf
(42.77 KiB) Scaricato 235 volte

BDX53.pdf
(44.25 KiB) Scaricato 278 volte
Avatar utente
Foto UtenteAlan18
514 1 3 7
Frequentatore
Frequentatore
 
Messaggi: 225
Iscritto il: 8 mar 2020, 13:11

PrecedenteProssimo

Torna a Costruzione, riparazione, riutilizzo

Chi c’è in linea

Visitano il forum: Nessuno e 7 ospiti