Cos'è ElectroYou | Login Iscriviti

ElectroYou - la comunità dei professionisti del mondo elettrico

Da 120Vdc a 12Vdc

Tipologie, strumenti di sviluppo, hardware e progetti

Moderatore: Foto UtentePaolino

3
voti

[11] Re: Da 120Vdc a 12Vdc

Messaggioda Foto UtenteIsidoroKZ » 18 giu 2021, 22:26

L'assenza di feedback e` il meno, visto che l'uscita non deve essere tanto regolata.

Il problema e` che se si vuole lavorare a duty cycle fisso, il buck deve lavorare in modo continuo, altrimenti la tensione di uscita non e` piu` pari alla tensione di ingresso moltiplicata per il duty cycle. Per lavorare in modo continuo con un carico cosi` esiguo, l'induttore deve essere enorme. Se non e` abbastanza grande e il convertitore va in modo discontinuo, la tensione di uscita sale, al limite fino al valore della tensione di ingresso, con grande gioia del circuito alimentato :(

Per evitare che il convertitore vada in modo discontinuo senza dover usare induttori di valore elevato, bisogna usare un buck sincrono, con due interruttori comandati in opposizione di fase. Oppure, se si vogliono evitare queste complicazioni (induttore di valore elevato o due interruttori), bisogna usare la retroazione.

Altrimenti resistenza e zener, oppure resistenza MOS e zener, oppure infine TL783. Le ultime due soluzioni dissipano meno potenza.
Per usare proficuamente un simulatore, bisogna sapere molta più elettronica di lui
Plug it in - it works better!
Il 555 sta all'elettronica come Arduino all'informatica! (entrambi loro malgrado)
Se volete risposte rispondete a tutte le mie domande
Avatar utente
Foto UtenteIsidoroKZ
121,2k 1 3 8
G.Master EY
G.Master EY
 
Messaggi: 21059
Iscritto il: 17 ott 2009, 0:00

0
voti

[12] Re: Da 120Vdc a 12Vdc

Messaggioda Foto UtenteEtemenanki » 18 giu 2021, 23:08

Mouser ne aveva uno a catalogo con uscita a 15V ed ingresso da 24 a 110V, ma costava sui 70 Euro (piu spedizione)

Pero' si potrebbe usare uno di questi cosi*, che anche se hanno un'ingresso che al massimo regge 80V, e' comunque meglio abbassare da 120 ad 80, che da 120 a 24 ;-)

Oppure si potrebbe rischiare di prendere uno di questi altri cosi*, alimentarlo in DC e fare qualche esperimento per vedere fino a che punto e' "elastica" la protezione UVLO, e se si puo "stiracchiarla" un po di piu :roll:

(* "coso" = termine scentificamente accettato per definire oggetti di dubbia natura :mrgreen: )
"Sopravvivere" e' attualmente l'unico lusso che la maggior parte dei Cittadini italiani,
sia pure a costo di enormi sacrifici, riesce ancora a permettersi.
Avatar utente
Foto UtenteEtemenanki
9.517 3 6 10
Master
Master
 
Messaggi: 5944
Iscritto il: 2 apr 2021, 23:42
Località: Dalle parti di un grande lago ... :)

0
voti

[13] Re: Da 120Vdc a 12Vdc

Messaggioda Foto UtenteIsidoroKZ » 18 giu 2021, 23:14

Regolatore da 80V massimi con in serie sull'ingresso uno zener da una cinquantina di volt (e una resistenza per dare un minimo di carico)
Per usare proficuamente un simulatore, bisogna sapere molta più elettronica di lui
Plug it in - it works better!
Il 555 sta all'elettronica come Arduino all'informatica! (entrambi loro malgrado)
Se volete risposte rispondete a tutte le mie domande
Avatar utente
Foto UtenteIsidoroKZ
121,2k 1 3 8
G.Master EY
G.Master EY
 
Messaggi: 21059
Iscritto il: 17 ott 2009, 0:00

0
voti

[14] Re: Da 120Vdc a 12Vdc

Messaggioda Foto Utenteabusivo » 19 giu 2021, 11:46

Etemenanki ha scritto:...Oppure si potrebbe rischiare di prendere uno di...

Di salti nel buio ne ho fatti tanti e la mia esperienza mi suggerisce che è sempre un terno all'otto!
I "cosi" sono molto rumorosi ed il carico ne potrebbe essere influenzato.
Se quello che funziona basta non lo tocca' sennò te lassa!
Avatar utente
Foto Utenteabusivo
13,3k 4 7 10
Master
Master
 
Messaggi: 7008
Iscritto il: 16 ott 2012, 18:43
Località: L'Aquila

0
voti

[15] Re: Da 120Vdc a 12Vdc

Messaggioda Foto UtenteEtemenanki » 19 giu 2021, 11:49

Be', se il carico e' sensibile, basta mettere all'uscita un robusto filtro CLC, o magari un regolatore LDO ben filtrato per abbassare l'ultimo volt o due ;-)
"Sopravvivere" e' attualmente l'unico lusso che la maggior parte dei Cittadini italiani,
sia pure a costo di enormi sacrifici, riesce ancora a permettersi.
Avatar utente
Foto UtenteEtemenanki
9.517 3 6 10
Master
Master
 
Messaggi: 5944
Iscritto il: 2 apr 2021, 23:42
Località: Dalle parti di un grande lago ... :)

0
voti

[16] Re: Da 120Vdc a 12Vdc

Messaggioda Foto Utenteelfo » 19 giu 2021, 12:53

GioArca67 ha scritto:La sorgente sono pannelli fotovoltaici.

Perche' non usi direttamente un pannello solare?

12 V 1.5 W USD 1.97 free shipping 115 mm x 85 mm

Numero saldature da fare: 2 :D

https://www.aliexpress.com/item/1005002 ... 55a79099-3
Avatar utente
Foto Utenteelfo
6.819 4 5 7
G.Master EY
G.Master EY
 
Messaggi: 2828
Iscritto il: 15 lug 2016, 13:27

0
voti

[17] Re: Da 120Vdc a 12Vdc

Messaggioda Foto UtenteGioArca67 » 19 giu 2021, 18:10

elfo ha scritto:perche' non usi direttamente un pannello solare?

Ci avevo pensato... anche se avrei preferito non passare altri cavi.

IsidoroKZ ha scritto:In questo caso come lo alimenteresti?

Certo!
È che sono un po' lento... ma al momento di collegare il piedino 8 me ne sarei accorto... :mrgreen:
Meglio accorgersene prima però.
Avatar utente
Foto UtenteGioArca67
4.580 4 6 9
Master EY
Master EY
 
Messaggi: 4591
Iscritto il: 12 mar 2021, 9:36

0
voti

[18] Re: Da 120Vdc a 12Vdc

Messaggioda Foto UtenteGioArca67 » 19 giu 2021, 18:28

Ad ogni modo perché secondo voi un PWM filtrato (o magari due in serie), non è perseguibile, visto che non ho particolari esigenze di efficienza, né di regolazione?
Avatar utente
Foto UtenteGioArca67
4.580 4 6 9
Master EY
Master EY
 
Messaggi: 4591
Iscritto il: 12 mar 2021, 9:36

0
voti

[19] Re: Da 120Vdc a 12Vdc

Messaggioda Foto UtenteIsidoroKZ » 20 giu 2021, 0:26

Fai lo schema, poi lo si vede. Se vuoi ricavare il valore medio del PWM serve un induttore grande oppure due interruttori ad alta tensione, uno sul positivo e uno sul negativo, con il casino di pilotare lo high side.

Quanto consuma davvero il carico? Un MOS e uno zener potrebbeRo essere la soluzione!
Per usare proficuamente un simulatore, bisogna sapere molta più elettronica di lui
Plug it in - it works better!
Il 555 sta all'elettronica come Arduino all'informatica! (entrambi loro malgrado)
Se volete risposte rispondete a tutte le mie domande
Avatar utente
Foto UtenteIsidoroKZ
121,2k 1 3 8
G.Master EY
G.Master EY
 
Messaggi: 21059
Iscritto il: 17 ott 2009, 0:00

0
voti

[20] Re: Da 120Vdc a 12Vdc

Messaggioda Foto UtenteGioArca67 » 20 giu 2021, 11:58

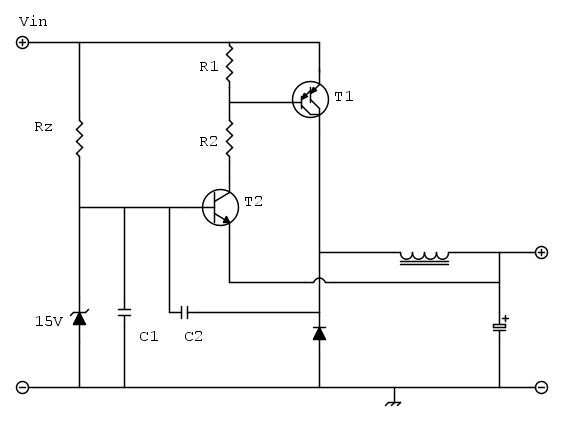
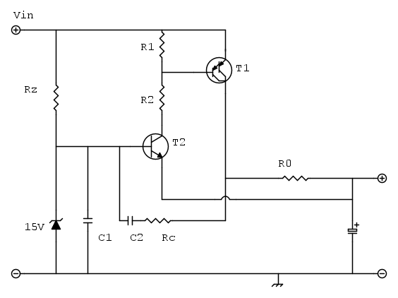
Stavo pensando anche ad un circuito del genere:


Non è farina del mio sacco ma una elaborazione di un tal Black.
Il circuito è molto semplice: supponendo di avere 14,5V in uscita T1 è off e quindi T2 anche. Quando la tensione Vo si abbassa T1 entra in conduzione e accende T2 con conseguente passaggio di corrente che rigenera il campo magnetico nell'induttore e poi ricarica il condensatore nella "flywheel".
Tralascio i percorsi secondari attraverso C1 e C2.

Con Vin dell'ordine dei 120Vdc (secondo l'autore ben possibile) Rz vale circa un 100aio di kohm. Il resto da vedere.

Vorrei eliminare induttore e diodo, secondo voi è fattibile?


Con Ro dell'ordine di un 100 ohm
Avatar utente
Foto UtenteGioArca67
4.580 4 6 9
Master EY
Master EY
 
Messaggi: 4591
Iscritto il: 12 mar 2021, 9:36

PrecedenteProssimo

Torna a Realizzazioni, interfacciamento e nozioni generali.

Chi c’è in linea

Visitano il forum: Nessuno e 20 ospiti