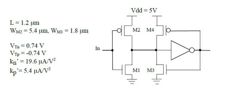
Salve,ho il seguente esercizio mostrato in figura e viene chiesto di trovare le dimensioni dei transistori M3 e M4 cosicchè le soglie per il trigger di Schmitt siano impostate a 1.5V e 3.5V rispettivamente.Ora io provato ad iniziare a fare questo ragionamento,iniziando da uno stato basso in input avrò il transistore M3 spento (o interdetto) mentre il pmos M4 avra' una vgs in modulo pari a Vdd=5V,ora man mano che vin comincia a salire sicuramente M1 ed M2 andranno in saturazione ,come faccio a dimostrare che per vin=3.5 (soglia superiore) M1 ed M2 sono in saturazione mentre M4 è in zona triodo?per vin=3.5 la vds di M1=3.5?se si perché?
Grazie
Esercizio elettronica digitale
Moderatori:
carloc,
g.schgor,
BrunoValente,
IsidoroKZ
27 messaggi
• Pagina 1 di 3 • 1, 2, 3
0
voti
Alla soglia superiore M4 è in zona triodo? Avrei detto di no.
Calcola le correnti di M1 ed M2 alla soglia superiore e supponi che la soglia dell'inverter sia a VCC/2.
Calcola le correnti di M1 ed M2 alla soglia superiore e supponi che la soglia dell'inverter sia a VCC/2.
Per usare proficuamente un simulatore, bisogna sapere molta più elettronica di lui
Plug it in - it works better!
Il 555 sta all'elettronica come Arduino all'informatica! (entrambi loro malgrado)
Se volete risposte rispondete a tutte le mie domande
Plug it in - it works better!
Il 555 sta all'elettronica come Arduino all'informatica! (entrambi loro malgrado)
Se volete risposte rispondete a tutte le mie domande
0
voti
Ma la soglia del primo inverter è Vdd/2 solo se non è caricato,in questo caso se si suppone in ingresso un livello basso allora in uscita si ha un livello basso tale che M3 è off mentre M4 va in parallelo ad M2,quindi in uscita al primo inverter non si ha una corrente nulla...si avrebbe una situazione come in figura.Sicuramente mentre cresce vin da o a Vdd ,m1 ed m2 vanno in saturazione ma m4 in che condizione si troverà?Non so se mi sono spiegato bene..
- Allegati
-
- eser mic 2021-06-20_010714.jpg (11.4 KiB) Osservato 6680 volte
-

Roswell1947
89 1 3 8 - Stabilizzato

- Messaggi: 438
- Iscritto il: 10 feb 2020, 16:39
0
voti
Quindi il secondo invertitore va considerato ideale con soglia a Vdd/2?
Se fosse così, alla tensione di soglia superiore meno
, dovresti avere nel nodo centrale Vdd/2 più
. Quindi come si procede?
Se fosse così, alla tensione di soglia superiore meno
. Quindi come si procede?-

EnChamade
6.498 2 8 12 - G.Master EY

- Messaggi: 588
- Iscritto il: 18 giu 2009, 12:00
- Località: Padova - Feltre
0
voti
Il secondo invertitore non è caricato mentre il terzo è caricato dal primo...
-

Roswell1947
89 1 3 8 - Stabilizzato

- Messaggi: 438
- Iscritto il: 10 feb 2020, 16:39
0
voti
Questo lo so. La mia domanda é relativa all'invertitore che indichi con il simbolo di una porta NOT. Questo é ideale? Suppongo di si. In questo caso supponendo l'ingresso alla soglia di commutazione alta (meno un epsilon piccolo a piacere) in che zona di lavoro sono i MOS?
Quando iniziano ad usare fidocadj?
Quando iniziano ad usare fidocadj?
-

EnChamade
6.498 2 8 12 - G.Master EY

- Messaggi: 588
- Iscritto il: 18 giu 2009, 12:00
- Località: Padova - Feltre
0
voti
Si proverò ad usare fidocadj,solo che non so se ci sono tutti i simboli necessari.Comunque l'ivertiore indicato col simbolo not è ideale,il problema è proprio questo cioè ,quando l'ingresso è alla soglia di commutazione (che non conosco) meno un epsilon in che zona di lavoro sono i MOS?dovrei consderare la varie vds se sono o meno maggiori o uguali alle vgs-vt....ma come faccio a calcolare le vds dei transistori ?
-

Roswell1947
89 1 3 8 - Stabilizzato

- Messaggi: 438
- Iscritto il: 10 feb 2020, 16:39
0
voti
La soglia di commutazione in ingresso la conosci. É 3.5V. La soglia di quello ideale pure la conosci: se é ideale é Vdd/2. Quindi, se l'ingresso é a 3.5V -
vorrà dire che devi dimensionare il MOS 4 tale per cui il nodo centrale, che é l'ingrsso dell'invertitore ideale, stia a Vdd/2 +
. Quindi?
Non ti preoccupare: sulla libreria di EY di fidocadj ci sono tutti i simboli.
vorrà dire che devi dimensionare il MOS 4 tale per cui il nodo centrale, che é l'ingrsso dell'invertitore ideale, stia a Vdd/2 +
. Quindi?Non ti preoccupare: sulla libreria di EY di fidocadj ci sono tutti i simboli.
-

EnChamade
6.498 2 8 12 - G.Master EY

- Messaggi: 588
- Iscritto il: 18 giu 2009, 12:00
- Località: Padova - Feltre
0
voti
se parto da uno stato di ingresso nullo e mi porto verso un ingresso a 3.5V - epsilon, M1 ed M2 sono in saturazione o no?M3 è in saturazione o triodo?sapendo ciò posso ugugliare le correnti ,nel senso che I2=I1+I4 e quindi trovare una relazione che lega M4 ad M1 ed M2...però occorre sapere che tipo di corrente utilizzare se saturazione o triodo
-

Roswell1947
89 1 3 8 - Stabilizzato

- Messaggi: 438
- Iscritto il: 10 feb 2020, 16:39
27 messaggi
• Pagina 1 di 3 • 1, 2, 3
Chi c’è in linea
Visitano il forum: Nessuno e 37 ospiti

Elettrotecnica e non solo (admin)
Un gatto tra gli elettroni (IsidoroKZ)
Esperienza e simulazioni (g.schgor)
Moleskine di un idraulico (RenzoDF)
Il Blog di ElectroYou (webmaster)
Idee microcontrollate (TardoFreak)
PICcoli grandi PICMicro (Paolino)
Il blog elettrico di carloc (carloc)
DirtEYblooog (dirtydeeds)
Di tutto... un po' (jordan20)
AK47 (lillo)
Esperienze elettroniche (marco438)
Telecomunicazioni musicali (clavicordo)
Automazione ed Elettronica (gustavo)
Direttive per la sicurezza (ErnestoCappelletti)
EYnfo dall'Alaska (mir)
Apriamo il quadro! (attilio)
H7-25 (asdf)
Passione Elettrica (massimob)
Elettroni a spasso (guidob)
Bloguerra (guerra)