Roswell1947 ha scritto:La mi riflessione è corretta??
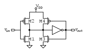
Se ho interpretato giusto la filosofia dell'esercizio, si. Quell'invertitore ideale ha l'uscita determinata o a
o 0 V, tranne per il valore d'ingresso
dove l'uscita non è definita. Ne consegue che sempre uno dei due MOS M3 e M4 è spento. Se parti con
dal livello logico basso e sali, M3 sarà quello spento; se parti da quello alto e scendi, M4 sarà quello spento. Quindi, lo spostamento di soglia di commutazione del sistema è dato dal fatto che ai MOS M1 e M2 metti in parallelo o M4 o M3 a seconda se stai salendo o scendendo con
.Ora, partiamo dallo schema in FCJ
e supponiamo di avere
dal livello logico basso e che inzia a salire. Per effetto dell'invertiote ideale, il MOS M3 sarà spento e M4 acceso. Tu vuoi che avvenga la commutazione all'uscita dell'invertitore ideale quando all'ingresso ci sono 3,5V-
, dove
è piccolo a piacere. Per essere sulla soglia di commutazione per l'invertitore ideale, devi avere il nodo centrale a
. In altre parole sei in questa situazione:Devi dimensionare
per avere questa situazione. Conosci tutte le tensione nel circuito. Quindi in che zona di lavoro si trovano M1, M2 e M4?
Elettrotecnica e non solo (admin)
Un gatto tra gli elettroni (IsidoroKZ)
Esperienza e simulazioni (g.schgor)
Moleskine di un idraulico (RenzoDF)
Il Blog di ElectroYou (webmaster)
Idee microcontrollate (TardoFreak)
PICcoli grandi PICMicro (Paolino)
Il blog elettrico di carloc (carloc)
DirtEYblooog (dirtydeeds)
Di tutto... un po' (jordan20)
AK47 (lillo)
Esperienze elettroniche (marco438)
Telecomunicazioni musicali (clavicordo)
Automazione ed Elettronica (gustavo)
Direttive per la sicurezza (ErnestoCappelletti)
EYnfo dall'Alaska (mir)
Apriamo il quadro! (attilio)
H7-25 (asdf)
Passione Elettrica (massimob)
Elettroni a spasso (guidob)
Bloguerra (guerra)






e una
. Come fa ad essere in saturazione avendo
?
?