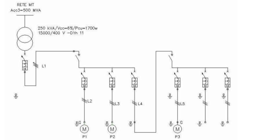
ho la rete come in figura. Avendo Acc, posso calcolare la Zrete attraverso la formula
Acc/(V1n)^2
come posso scomporre questa impedenza nella sua parte resistiva e reattiva? Può essere utile la potenza di corto circuito Pcu indicata tra i dati? grazie per la risposta!
impedenza di rete
Moderatori:
sebago,
MASSIMO-G,
lillo,
Mike
2 messaggi
• Pagina 1 di 1
0
voti
massifrasca9696 ha scritto:ho la rete come in figura. Avendo Acc, posso calcolare la Zrete attraverso la formula
Acc/(V1n)^2
Nell'attesa di qualcuno più esperto di me, dico due cose:
1) Se fai l'analisi dimensionale della formula ti accorgi che salta fuori un'ammettenza e non un'impedenza, occorre pertanto invertire numeratore con denominatore. Tale formula ti permette di calcolare l'impedenza della rete a monte del tuo circuito.
2) La rete AT ha un'impedenza la cui componente resistiva è quasi totalmente trascurabile rispetto alla reattiva mentre per la rete MT occorre conoscere le caratteristiche della linea che ti alimenta (dati che conosce e ti può fornire solo il Distributore).
2 messaggi
• Pagina 1 di 1
Torna a Impianti, sicurezza e quadristica
Chi c’è in linea
Visitano il forum: Nessuno e 67 ospiti

Elettrotecnica e non solo (admin)
Un gatto tra gli elettroni (IsidoroKZ)
Esperienza e simulazioni (g.schgor)
Moleskine di un idraulico (RenzoDF)
Il Blog di ElectroYou (webmaster)
Idee microcontrollate (TardoFreak)
PICcoli grandi PICMicro (Paolino)
Il blog elettrico di carloc (carloc)
DirtEYblooog (dirtydeeds)
Di tutto... un po' (jordan20)
AK47 (lillo)
Esperienze elettroniche (marco438)
Telecomunicazioni musicali (clavicordo)
Automazione ed Elettronica (gustavo)
Direttive per la sicurezza (ErnestoCappelletti)
EYnfo dall'Alaska (mir)
Apriamo il quadro! (attilio)
H7-25 (asdf)
Passione Elettrica (massimob)
Elettroni a spasso (guidob)
Bloguerra (guerra)

