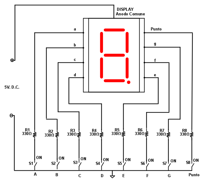
WALTERmwp ha scritto:@alessio777, forse non lo sai ma alla saldatura c'è un'alternativa.
Potresti utilizzare una protoboard tipo questa
i collegamenti li realizzi con pezzetti di filo inserendoli nei fori dopo aver posizionato i componenti.
Così ti potresti concentrare suila realizzazione del tuo circuito rimandando la pratica della saldatura, oppure per questa esercitandoti al momento solo con dei pezzi di filo.
Saluti
ottimo, grazie. questo si acquista facilmente?

Elettrotecnica e non solo (admin)
Un gatto tra gli elettroni (IsidoroKZ)
Esperienza e simulazioni (g.schgor)
Moleskine di un idraulico (RenzoDF)
Il Blog di ElectroYou (webmaster)
Idee microcontrollate (TardoFreak)
PICcoli grandi PICMicro (Paolino)
Il blog elettrico di carloc (carloc)
DirtEYblooog (dirtydeeds)
Di tutto... un po' (jordan20)
AK47 (lillo)
Esperienze elettroniche (marco438)
Telecomunicazioni musicali (clavicordo)
Automazione ed Elettronica (gustavo)
Direttive per la sicurezza (ErnestoCappelletti)
EYnfo dall'Alaska (mir)
Apriamo il quadro! (attilio)
H7-25 (asdf)
Passione Elettrica (massimob)
Elettroni a spasso (guidob)
Bloguerra (guerra)








