Cassa attiva non funzionante
31 messaggi
• Pagina 2 di 4 • 1, 2, 3, 4
0
voti
Si, ho sia il capacimetro, che l'oscilloscopio, per i diodi, non si può provare anche direttamente senza dissaldarli
0
voti
Allora prima di dissaldare potresti provare con l'oscilloscopio il valore del ripple, posizionando ad esempio la sonda in parallelo ai condensatori elettrolitici. Se esiste ripple allora devi inziare a dissaldare diodi e condensatori per scoprire il componente guasto.
0
voti
Quindi mentre è accesa, intendi... non potrei inviargli una tensione piu bassa degli 80V direttamente a valle del trasformatore con l'alimentatore da banco, le info sul ripple sarebbero analoghe se i condensatori lavorassero a tensioni inferiori...
0
voti
Dipende quant'è la differenza tra tensione originale e tensione dell'alimentatore da banco. Ma tu sai quanto vale la tensione ai capi dei condensatori di filtro? Gli 80V sono la tensione di targa dei condensatori, non certo la tensione di lavoro del circuito.
0
voti
Elidur ha scritto:Dipende quant'è la differenza tra tensione originale e tensione dell'alimentatore da banco. Ma tu sai quanto vale la tensione ai capi dei condensatori di filtro? Gli 80V sono la tensione di targa dei condensatori, non certo la tensione di lavoro del circuito.
Li ho misurati uno lavorava a circa 40V, laltro a 70
0
voti
Elidur ha scritto:Il trasformatore è a zero centrale? Intendo se l'uscita del trasformatore è composta da 2 cavi o da 3?
3 cavi di uscita
0
voti
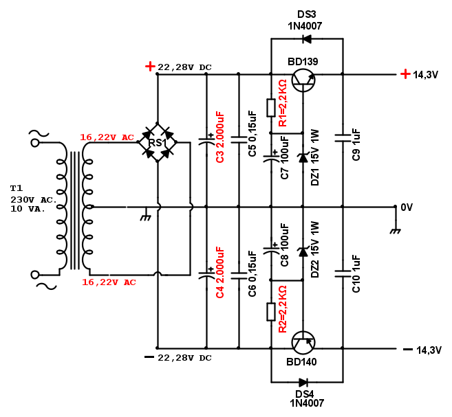
Ma allora potrebbe esserci addirittura una tensione duale.
Un'alimentazione simile allo schema che ti pubblico qui sotto come esempio:
Un'alimentazione simile allo schema che ti pubblico qui sotto come esempio:
0
voti
Ho letto sul trasformatore, è un 54V/0V/54V, quindi, si e simile alla foto il circuito, però possibile che sul circuito non trovo il ponte di graetz, ci sono due componenti bianchi ma sono a tre pin
31 messaggi
• Pagina 2 di 4 • 1, 2, 3, 4
Torna a Costruzione, riparazione, riutilizzo
Chi c’è in linea
Visitano il forum: Nessuno e 19 ospiti

Elettrotecnica e non solo (admin)
Un gatto tra gli elettroni (IsidoroKZ)
Esperienza e simulazioni (g.schgor)
Moleskine di un idraulico (RenzoDF)
Il Blog di ElectroYou (webmaster)
Idee microcontrollate (TardoFreak)
PICcoli grandi PICMicro (Paolino)
Il blog elettrico di carloc (carloc)
DirtEYblooog (dirtydeeds)
Di tutto... un po' (jordan20)
AK47 (lillo)
Esperienze elettroniche (marco438)
Telecomunicazioni musicali (clavicordo)
Automazione ed Elettronica (gustavo)
Direttive per la sicurezza (ErnestoCappelletti)
EYnfo dall'Alaska (mir)
Apriamo il quadro! (attilio)
H7-25 (asdf)
Passione Elettrica (massimob)
Elettroni a spasso (guidob)
Bloguerra (guerra)


