Buongiorno.
Come da titolo oggi sono alle prese con una lavatrice...
L'errore che mi si presenta è un "tilt" con LED lampeggianti dopo 1 minuto impostando qualsiasi programma.
Cercando soluzioni in rete, fatte le basilari verifiche del caso, sono velocemente giunto ad un problema alla scheda elettronica.
Smontata ed aperta ho dopo poco identificato un triac esploso (z0607) ed una coppia di diodi in corto... Nel cercare i componenti per la sostituzione ho problemi sull'identità proprio di questo diodo SMD, la serigrafia riporta F (penso sia Fairchild) AB20 S1M...
Riuscite a darmi un aiuto per recuperare il sostituto... Va bene un equivalente anche non SMD, c'è spazio!
Grazie per l'aiuto
Riparare lavatrice Indesit IWC61061
6 messaggi
• Pagina 1 di 1
1
voti
Forse l'ho trovato.
La sigla da considerare e S1M che mi porta ad un diodo rettificatore da 1kV e 1A... Componente comune.
Recupero il triac, monto i diodi e per continuità darò un feedback sul risultato della riparazione.
Ciao
La sigla da considerare e S1M che mi porta ad un diodo rettificatore da 1kV e 1A... Componente comune.
Recupero il triac, monto i diodi e per continuità darò un feedback sul risultato della riparazione.
Ciao
-

Luridbeatle
215 2 6 - Frequentatore

- Messaggi: 256
- Iscritto il: 19 ago 2018, 10:34
1
voti
Buona sera.
Continuo la descrizione della mia riparazione: ho preceduto alla sostituzione dei due diodi (S1W) con due N4007, il triac Z00607 ed il triac B10-800 anch'esso compromesso... I termistori li ho verificati tutti e non sono in corto.
Rimontato il tutto... Esito negativo!
Smontata la scheda ho ricontrollato i componenti appena installati ed ho trova il B10-800 andato (non esploso ma... non è più lui
).
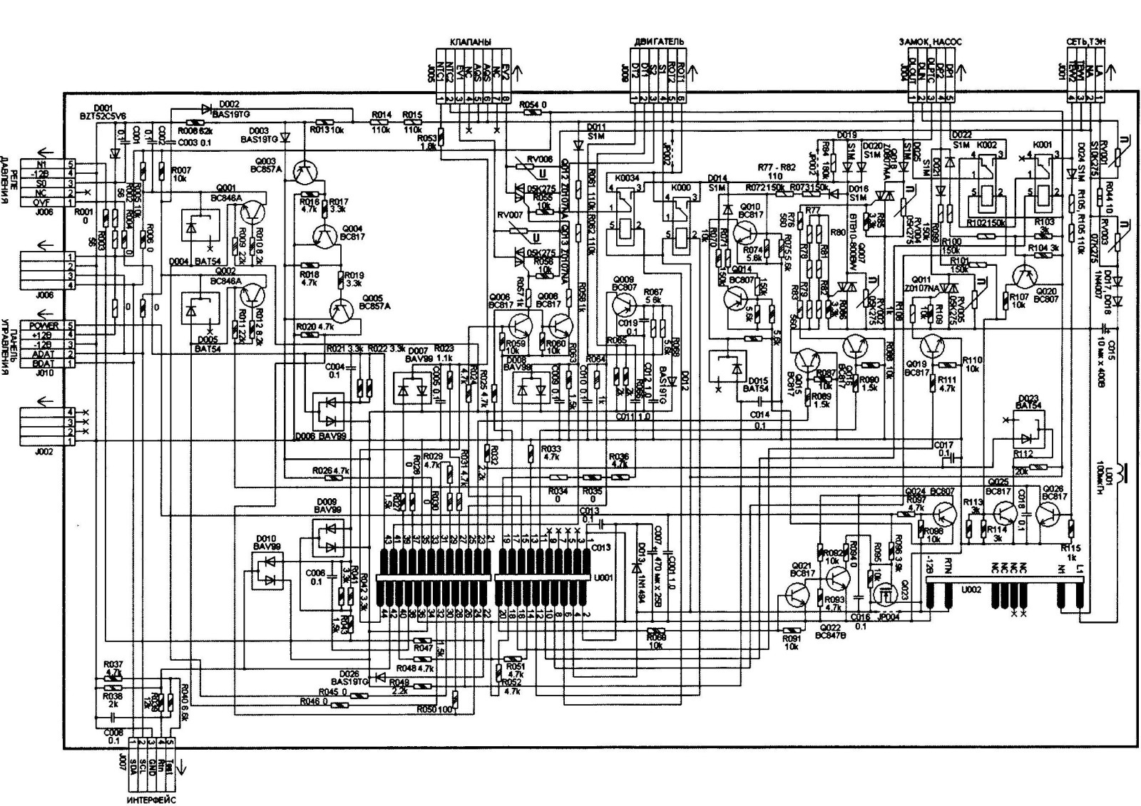
A questo punto ho ricontrollato tutti i componenti cercando di seguire lo schema (che allego, sempre utile) e con l'aiuto di un microscopio (cinese ma funziona!), si perché non so voi ma io dopo un po' vedo doppio controllando i componenti SMD
Ho trovato questo:
Nel dettaglio:
Cavolo, non li avevo notati!! Essere frettolosi in queste cose...
Comunque, si tratta di 3 resistenze: due da 5,6K ed una da 3,3K.
Mentre attendo che mi arrivi il nuovo Triac B10, sostituirò queste resistenze con delle tradizionali a film metallico, non ho SMD e non compro bobine di resistenze per usarne una o due... Vediamo se riesco a fare un lavoro decoroso!
Visto che c'ero ho cambiato anche i due condensatori elettrolitici su scheda (quello da 470uF e quello da 10uF), non erano gonfi ma pare che siano soggetti a guasto... visto che ci sono...
Vi aggiorno sul prosieguo dell'intervento ed intanto, nel caso qualcuno leggesse, chiedo:
"può esserci una causa esterna alla scheda che ha innescato il guasto? Mi suggerite di controllare qualcos'altro prima di ridar corrente??"
buona serata a tutti
Continuo la descrizione della mia riparazione: ho preceduto alla sostituzione dei due diodi (S1W) con due N4007, il triac Z00607 ed il triac B10-800 anch'esso compromesso... I termistori li ho verificati tutti e non sono in corto.
Rimontato il tutto... Esito negativo!
Smontata la scheda ho ricontrollato i componenti appena installati ed ho trova il B10-800 andato (non esploso ma... non è più lui
A questo punto ho ricontrollato tutti i componenti cercando di seguire lo schema (che allego, sempre utile) e con l'aiuto di un microscopio (cinese ma funziona!), si perché non so voi ma io dopo un po' vedo doppio controllando i componenti SMD
Ho trovato questo:
Nel dettaglio:
Cavolo, non li avevo notati!! Essere frettolosi in queste cose...
Comunque, si tratta di 3 resistenze: due da 5,6K ed una da 3,3K.
Mentre attendo che mi arrivi il nuovo Triac B10, sostituirò queste resistenze con delle tradizionali a film metallico, non ho SMD e non compro bobine di resistenze per usarne una o due... Vediamo se riesco a fare un lavoro decoroso!
Visto che c'ero ho cambiato anche i due condensatori elettrolitici su scheda (quello da 470uF e quello da 10uF), non erano gonfi ma pare che siano soggetti a guasto... visto che ci sono...
Vi aggiorno sul prosieguo dell'intervento ed intanto, nel caso qualcuno leggesse, chiedo:
"può esserci una causa esterna alla scheda che ha innescato il guasto? Mi suggerite di controllare qualcos'altro prima di ridar corrente??"
buona serata a tutti
-

Luridbeatle
215 2 6 - Frequentatore

- Messaggi: 256
- Iscritto il: 19 ago 2018, 10:34
0
voti
Luridbeatle ha scritto:..
Comunque, si tratta di 3 resistenze: due da 5,6K ed una da 3,3K.
......
? quanta corrente ci vuole per bruciare delle resistenze di quel valore?
Sarà andata anche oltre? Credo di si perché non può essersi fermata sulla resistenza.
Direi che sia da controllare il più possibile.
Alex
https://www.facebook.com/Elettronicaeelettrotecnica
<< vedi di pigliare arditamente in mano, il dizionario che ti suona in bocca,
se non altro è schietto e paesano.
(Giuseppe Giusti) <<
https://www.facebook.com/Elettronicaeelettrotecnica
<< vedi di pigliare arditamente in mano, il dizionario che ti suona in bocca,
se non altro è schietto e paesano.
(Giuseppe Giusti) <<
0
voti
Grazie per il contributo.
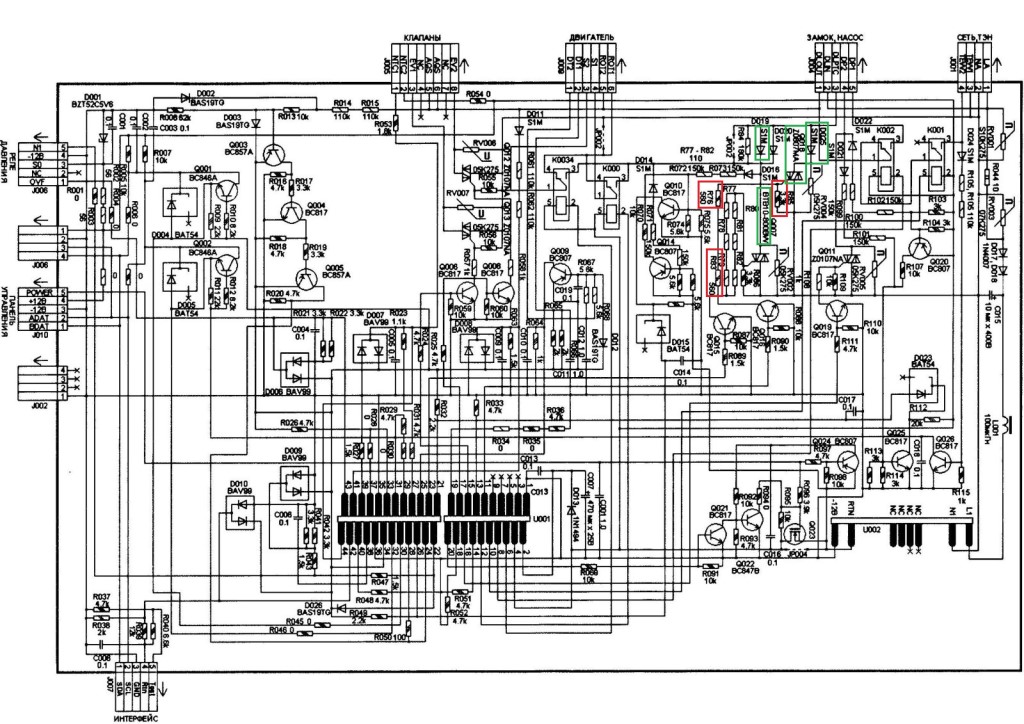
Come suggerito ho verificato passo-passo tutti i componenti della scheda a parte il blocco del microcontrollore. Verificato i 4 relè, deviano.
Non ho trovato altro guasto se non quanto in evidenza nello schema qui sotto (ho cambiato anche gli elettrolitici, non segnati, ma per sfizio!):
Ho provveduto a sostituire il tutto.
Ora seguendo lo schema (quanto ho trovato gira attorno a J004) e la logica presumo che il problema lo devo andare a cercare sull'elettro serratura o la pompa anche se... sembrano funzionare correttamente: all'avvio del programma la porta si blocca e rimane bloccata anche quando va in crisi la scheda sino a quando tolgo tensione e poi riaccendo mentre la pompa scarica all'avvio del programma e continua a scaricare anche quando la scheda va in crisi.
Proverò a smontare la pompa, magari è "impastata" e sforza eccessivamente ma se anche questa la trovo in buone condizioni... RIMONTO LA SCHEDA!
Vi aggiorno.
Come suggerito ho verificato passo-passo tutti i componenti della scheda a parte il blocco del microcontrollore. Verificato i 4 relè, deviano.
Non ho trovato altro guasto se non quanto in evidenza nello schema qui sotto (ho cambiato anche gli elettrolitici, non segnati, ma per sfizio!):
Ho provveduto a sostituire il tutto.
Ora seguendo lo schema (quanto ho trovato gira attorno a J004) e la logica presumo che il problema lo devo andare a cercare sull'elettro serratura o la pompa anche se... sembrano funzionare correttamente: all'avvio del programma la porta si blocca e rimane bloccata anche quando va in crisi la scheda sino a quando tolgo tensione e poi riaccendo mentre la pompa scarica all'avvio del programma e continua a scaricare anche quando la scheda va in crisi.
Proverò a smontare la pompa, magari è "impastata" e sforza eccessivamente ma se anche questa la trovo in buone condizioni... RIMONTO LA SCHEDA!
Vi aggiorno.
-

Luridbeatle
215 2 6 - Frequentatore

- Messaggi: 256
- Iscritto il: 19 ago 2018, 10:34
1
voti
[/quote]setteali ha scritto:
? quanta corrente ci vuole per bruciare delle resistenze di quel valore?
Sarà andata anche oltre? Credo di si perché non può essersi fermata sulla resistenza.
Direi che sia da controllare il più possibile.
Bene e su questo devo dire PURTROPPO: " SI!, la corrente è andata oltre!"
Dopo aver riparato e sostituito tutto ciò che fisicamente era guasto ho purtroppo trovato l'ultimo scoglio da me non risolvibile: "il microcontrollore".
Praticamente elettricamente è tutto riparato ma il chip di controllo è sprogrammato o bruciato. E' un SMD potrei anche sostituirlo ma non ho modo di programmarlo!!
Da qui l'abbandono della riparazione e l'acquisto di una scheda usata (con 40 euro), la mia la cannibalizzerò. Lavatrice OK!
Qualcuno può dire "guarda quanto tempo inutilmente hai speso!" ma per me è un hobby e quel che faccio, successi ed insuccessi è tutta esperienza. Non avrò mai un laboratorio completo ma tenterò sempre di riparare ogni cosa prima di destinarla ad altro!
Auguro una buona giornata
-

Luridbeatle
215 2 6 - Frequentatore

- Messaggi: 256
- Iscritto il: 19 ago 2018, 10:34
6 messaggi
• Pagina 1 di 1
Torna a Costruzione, riparazione, riutilizzo
Chi c’è in linea
Visitano il forum: Nessuno e 13 ospiti

Elettrotecnica e non solo (admin)
Un gatto tra gli elettroni (IsidoroKZ)
Esperienza e simulazioni (g.schgor)
Moleskine di un idraulico (RenzoDF)
Il Blog di ElectroYou (webmaster)
Idee microcontrollate (TardoFreak)
PICcoli grandi PICMicro (Paolino)
Il blog elettrico di carloc (carloc)
DirtEYblooog (dirtydeeds)
Di tutto... un po' (jordan20)
AK47 (lillo)
Esperienze elettroniche (marco438)
Telecomunicazioni musicali (clavicordo)
Automazione ed Elettronica (gustavo)
Direttive per la sicurezza (ErnestoCappelletti)
EYnfo dall'Alaska (mir)
Apriamo il quadro! (attilio)
H7-25 (asdf)
Passione Elettrica (massimob)
Elettroni a spasso (guidob)
Bloguerra (guerra)
