Vorrei segnalare l'ultima pagina del progetto originale, intitolata "MOSFET? Forse si, forse no...":
http://www.microcontroller.it/Progetti/ ... load_4.htm
L'autore riporta alcune considerazioni e controindicazioni, circa l'uso di Mosfet al posto di BJT,
o di operazionali alternativi all'LM10.
Carico Elettronico - Un parere su questo progetto Diy?
Moderatori:
carloc,
g.schgor,
BrunoValente,
IsidoroKZ
0
voti
Nonostante in questa fase possa dare un contributo limitato,
(...ma la partecipazione supera le mie aspettative e ringrazio tutti per questo...),
forse si potrebbe fermarsi un attimo, fare un piccolo passo indietro, rileggere velocemente il progetto originale e apportare solo le modifiche strettamente necessarie.
Se l'opinione comune è che sia un buon progetto, non dovrebbe necessario modificarlo per forza.
Di base, dovrebbe funzionare bene con un singolo MJ1132.
La proposta di sostituirlo con più darlington in parallelo (BDX53C, BDW42G), perseguiva una più efficiente distribuzione del calore, anche in prospettiva di utilizzare un dissipatore da CPU con Heat Pipe, al posto di grosso (e costoso) dissipatore di alluminio.
Damanda: Quanti transistor potrebbero essere utilizzati in parallelo, senza ricorrere al 2N1711 o a sostanziali modifiche del circuito?
Uno dei vantaggi citati dall'autore, era appunto la non necessità di una alimentazione ausiliaria, che evita a priori possibili interferenze con il circuito principale.
(...ma la partecipazione supera le mie aspettative e ringrazio tutti per questo...),
forse si potrebbe fermarsi un attimo, fare un piccolo passo indietro, rileggere velocemente il progetto originale e apportare solo le modifiche strettamente necessarie.
Se l'opinione comune è che sia un buon progetto, non dovrebbe necessario modificarlo per forza.
Di base, dovrebbe funzionare bene con un singolo MJ1132.
La proposta di sostituirlo con più darlington in parallelo (BDX53C, BDW42G), perseguiva una più efficiente distribuzione del calore, anche in prospettiva di utilizzare un dissipatore da CPU con Heat Pipe, al posto di grosso (e costoso) dissipatore di alluminio.
Damanda: Quanti transistor potrebbero essere utilizzati in parallelo, senza ricorrere al 2N1711 o a sostanziali modifiche del circuito?
Uno dei vantaggi citati dall'autore, era appunto la non necessità di una alimentazione ausiliaria, che evita a priori possibili interferenze con il circuito principale.
1
voti
Qui è disponibile la descrizione con immagini di un carico elettronico con diversi TIP3055 in quasi parallelo.
http://arifidenza.it/Forum/topic.asp?TOPIC_ID=388521
Ogni TIP3055 ha un resistore da 0,1 ohm 5 W in serie sull'emettitore per rendere prossime le correnti dei transistor.
Tutti gli altri capi dei resistori vengono connessi fra loro e viene connesso in serie un unico resistore da 0,1 ohm 100 watt che fornisce la caduta di tensione per la reazione che stabilizza il valore richiesto di corrente assorbita.
Di base, dovrebbe funzionare bene con un singolo MJ1132.
Concordo.
Quanti transistor potrebbero essere utilizzati in parallelo, senza ricorrere al 2N1711 o a sostanziali modifiche del circuito?
La domanda è mal posta, perché la capacità di assorbimento della corrente è indipendente dal numero di transistor.
Lo avevamo già calcolato nei post precedenti: mi pare 20 A con MJ1132 e circa 15 con l'altro darlington.
Sappiamo che LM10 eroga al max 20 mA
Supponiamo di adoperare un solo transistor darlington con hfe (guadagno in corrente) 1000
20 mA x 1000 = 20 A.
Ora supponiamo due transistor in parallelo
Partiamo dalla corrente assorbita: supponiamo 20 A, in ogni collettore la metà : 10 A
La corrente di base in ogni transistor è 10 / 1000 = 10 mA.
Le correnti di base si sommano 10 + 10 = 20 mA.
supponiamo quattro transistor in parallelo
Partiamo dalla corrente assorbita: supponiamo 20 A, in ogni collettore un quarto : 5 A
La corrente di base in ogni transistor è 5 / 1000 = 5 mA.
Le quattro correnti di base si sommano 5 + 5 + 5 +5 = sempre 20 mA.
http://arifidenza.it/Forum/topic.asp?TOPIC_ID=388521
Ogni TIP3055 ha un resistore da 0,1 ohm 5 W in serie sull'emettitore per rendere prossime le correnti dei transistor.
Tutti gli altri capi dei resistori vengono connessi fra loro e viene connesso in serie un unico resistore da 0,1 ohm 100 watt che fornisce la caduta di tensione per la reazione che stabilizza il valore richiesto di corrente assorbita.
Di base, dovrebbe funzionare bene con un singolo MJ1132.
Concordo.
Quanti transistor potrebbero essere utilizzati in parallelo, senza ricorrere al 2N1711 o a sostanziali modifiche del circuito?
La domanda è mal posta, perché la capacità di assorbimento della corrente è indipendente dal numero di transistor.
Lo avevamo già calcolato nei post precedenti: mi pare 20 A con MJ1132 e circa 15 con l'altro darlington.
Sappiamo che LM10 eroga al max 20 mA
Supponiamo di adoperare un solo transistor darlington con hfe (guadagno in corrente) 1000
20 mA x 1000 = 20 A.
Ora supponiamo due transistor in parallelo
Partiamo dalla corrente assorbita: supponiamo 20 A, in ogni collettore la metà : 10 A
La corrente di base in ogni transistor è 10 / 1000 = 10 mA.
Le correnti di base si sommano 10 + 10 = 20 mA.
supponiamo quattro transistor in parallelo
Partiamo dalla corrente assorbita: supponiamo 20 A, in ogni collettore un quarto : 5 A
La corrente di base in ogni transistor è 5 / 1000 = 5 mA.
Le quattro correnti di base si sommano 5 + 5 + 5 +5 = sempre 20 mA.
0
voti
elfo ha scritto: usando una configurazione Sziklai (tripla) -invece che Darlington - che presenta unasingola indipendentemente dal numero di transistor "in serie" utilizzati.
Grazie Elfo.
Ho un debole per la configurazione Sziklai.
La ho riscoperta con piacere.
Se lo devo realizzare lo faccio sicuramente così.
Con una foresta di transistor.
Il circuito originale funziona bene? Si.
Ma ci sono diversi fattori da considerare.
A 20 A hfe non è 1000 è di meno quindi a 20A non ci arriva di sicuro (forse quando è caldo migliora un po' ) .
Ma guardando bene la SOA oltre i 7 V la massima corrente teorica cala rapidamente.
A 15V è 15A
A 24 V è 10A
A 40V 4.5A
Se si riesce a tenere il case a 25 gradi.
Impresa ardua come già accennato prima.
Per finire (la cosa più grave ) la tensione di saturazione a 20A è di ben 3V.
Per arrivare ad un valore decente cioè 1V bisogna scendere con la corrente a 5A.
Quindi molti tipi di batterie singole non possono essere scaricati con questo circuito.
Qui i dati del costruttore.
https://www.google.it/url?sa=t&source=w ... ZbS-hYRNFT
Quindi se si vuole avere di meglio a cominciare dalla tensione di saturazione qualcosa si potrebbe fare.
Come sempre il circuito va adeguatamente provato prima di cantare vittoria.
In conclusione bene o male fa lo stesso servizio del mio circuito senza operazionale che utilizzo da tempo con soddisfazione.
(quello del messaggio N 10 per intenderci che tiene veramente 20 A anche se per pochi minuti ).
Insomma l'elettronica è un compromesso quasi peggio della politica.
Ciao
600 Elettra
1
voti
Grazie ancora per i chiarimenti,
MarcoD
(Ciao
elfo ...!)
Ho provato a confrontare le SOA dei transistor presi in esame.
Mi pare che i BDW42G si comportino meglio dei BDX53 e gli MJ11032 meglio dei MJ11016.
Dovendo scegliere, preferireste un singolo MJ11032 o un parallelo di quattro BDW42G?
(come suggerito da
Etemenanki al post 33)
Che poi, la corrente gestibile cali con l'aumentare della tensione, mi sembra fisiologico.
Basta prenderla come una caratteristica, più che come un limite dello strumento.
Se la potenza complessiva rimane vicina ai 200W, io sarei già contento.
Come dicevamo, molto dipenderà anche come si lavora con la dissipazione del calore.
stefanopc, sono certo che il tuo circuito segnalato al (10), possa davvero tenere i 20A, anche se per poco, ma mi pare lavori in un range di tensioni più basso.
Per come immagino di impiegarlo io, provando alimentatori e non batterie, è più probabile che salga di tensione (24, 32, 36V), piuttosto che di corrente.
(Ciao
Ho provato a confrontare le SOA dei transistor presi in esame.
Mi pare che i BDW42G si comportino meglio dei BDX53 e gli MJ11032 meglio dei MJ11016.
Dovendo scegliere, preferireste un singolo MJ11032 o un parallelo di quattro BDW42G?
(come suggerito da
Che poi, la corrente gestibile cali con l'aumentare della tensione, mi sembra fisiologico.
Basta prenderla come una caratteristica, più che come un limite dello strumento.
Se la potenza complessiva rimane vicina ai 200W, io sarei già contento.
Come dicevamo, molto dipenderà anche come si lavora con la dissipazione del calore.
Per come immagino di impiegarlo io, provando alimentatori e non batterie, è più probabile che salga di tensione (24, 32, 36V), piuttosto che di corrente.
0
voti
Ho valutato ieri cosa ho già in casa per fare qualche prova con la configurazione Sziklai che come ricordava anche
elfo può venire utile anche in questo caso.
Tra le coppie papabili la migliore sembra essere D45H11 e BD139.
Si potrebbero mettere 5 prefinali npn BD139 e 10 finali pnp D45H11.
Occorre valutare se si arriva ad un hfe di almeno 2000 alla corrente di 2.5 - 3A.
Stando ai manuali potrebbe essere.
In questo caso si avrebbe un buon margine di sicurezza sul pilotaggio diretto sia con LM10 che con LM358.
Ciao ( dal mare )
Tra le coppie papabili la migliore sembra essere D45H11 e BD139.
Si potrebbero mettere 5 prefinali npn BD139 e 10 finali pnp D45H11.
Occorre valutare se si arriva ad un hfe di almeno 2000 alla corrente di 2.5 - 3A.
Stando ai manuali potrebbe essere.
In questo caso si avrebbe un buon margine di sicurezza sul pilotaggio diretto sia con LM10 che con LM358.
Ciao ( dal mare )
600 Elettra
2
voti
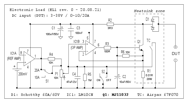
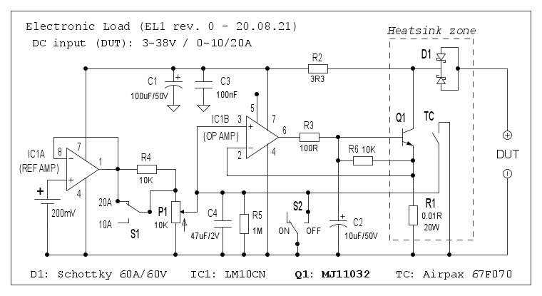
Ci ho messo un po per capire come far funzionare FidoCADJ, poi ho risolto.
Aggiorno il Thread con la versione completa del circuito originale (EL1 v0).
Spero non contenga errori.
Le possibili varianti del circuito (come la Sziklai con "foreste di transistor" accennata da
stefanopc)
presumo siano interessanti in generale, ma per quanto mi riguarda credo realizzerò il circuito sopra,
o eventualmente la variante con quattro transistor in parallelo.
Tornando al ragionamento di
MarcoD e
stefanopc (ai punti 43, 44), ho cercato di indentificare alcuni rapporti chiave della "DC Safe Operating Area", relativa al transistor MJ11032 e al possibile sostituto BDW42G.
MJ11032 SOA:
6V - 50A
9V - 30A
15V - 20A
20V - 15A
30V - 10A
BDW42G SOA:
6V - 14A (*4)
9V - 9A (*4)
20V - 4A (*4)
30V - 2.8A (*4)
Come ricordava (a me)
MarcoD, la corrente massima gestibile è 20A (20 mA dell'LM10 * hfe Darlington = 0.02 * 1000 = 20A).
Nel caso dei BDW42G, il guadagno è superiore a 1000, nel range da 0.25A a 8A (25°C).
Anche non superando questo valore, la potenza massima teorica è comunque notevole in entrambi i casi, così come il calore generato.
(...ma l'area di appoggio di quattro TO-220 è più grande di quella di un singolo TO-3, che però richiede fori passanti per i terminali...).
Aggiorno il Thread con la versione completa del circuito originale (EL1 v0).
Spero non contenga errori.
Le possibili varianti del circuito (come la Sziklai con "foreste di transistor" accennata da
presumo siano interessanti in generale, ma per quanto mi riguarda credo realizzerò il circuito sopra,
o eventualmente la variante con quattro transistor in parallelo.
Tornando al ragionamento di
MJ11032 SOA:
6V - 50A
9V - 30A
15V - 20A
20V - 15A
30V - 10A
BDW42G SOA:
6V - 14A (*4)
9V - 9A (*4)
20V - 4A (*4)
30V - 2.8A (*4)
Come ricordava (a me)
Nel caso dei BDW42G, il guadagno è superiore a 1000, nel range da 0.25A a 8A (25°C).
Anche non superando questo valore, la potenza massima teorica è comunque notevole in entrambi i casi, così come il calore generato.
(...ma l'area di appoggio di quattro TO-220 è più grande di quella di un singolo TO-3, che però richiede fori passanti per i terminali...).
1
voti
Turk182 ha scritto:Dovendo scegliere, preferireste un singolo MJ11032 o un parallelo di quattro BDW42G?
Singolo transistore MJ11032. E` vero che la dissipazione di calore forse e` migliore con 4 transistori separati, ma non vale la pena di complicarsi la vita e rischiare instabilita` e cattiva suddivisione della corrente.
Come in tanti altri progetti hobbistici manca una definizione dell'utilizzo dello strumento: misure e test su alimentatori non vuole dire molto
Sicuramente non alimentatori da desktop che sono da molte centinaia di watt. Gli alimentatori da banco forse si possono provare, tipicamente sono da 30V un paio di ampere, poi tutti gli AC adapter. Tutta roba da corrente decisamente limitata che non eroga potenze elevate.
CI sono ancora altre considerazioni sulle misure che si possono fare, ma non mi pare ancora il momento
Per usare proficuamente un simulatore, bisogna sapere molta più elettronica di lui
Plug it in - it works better!
Il 555 sta all'elettronica come Arduino all'informatica! (entrambi loro malgrado)
Se volete risposte rispondete a tutte le mie domande
Plug it in - it works better!
Il 555 sta all'elettronica come Arduino all'informatica! (entrambi loro malgrado)
Se volete risposte rispondete a tutte le mie domande
0
voti
Buongiorno
IsidoroKZ,
Ti ringrazio per i suggerimenti, che posso solo condividere.
Assolutamente. Meglio evitare a priori instabilità e cattiva suddivisione della corrente.
E si, è come dici.
Non ho definito con precisione come intendo impiegarlo perché fino ad un mese fa, nemmeno sapevo potesse servirmi. Quindi non so con precisione come lo impiegherò, ma posso assicurarti questo:
Considero le modalità d'uso, importanti quanto la bontà del circuito.
E non mi sono sfuggiti alcuni commenti, che vertevano proprio sulla corretta catena di accensione e spegnimento del DUT e/o del Carico. Domande di questo tipo o più specificamente su come effettuare misure (le procedure corrette), me le tenevo per dopo il collaudo, per non incrociare troppi ragionamenti.
Ma forse è il caso di chiarire un po il contesto.
La mia idea (da un paio d'anni) è di raccogliere gli strumenti principali, utili e necessari ad effettuare misure più evolute di quelle che permette un multimetro. Credo si dica di tipo "qualitativo".
Queste (le misure), relativamente a dispositivi elettronici principalmente analogici ma anche digitali (alta frequenza a parte). Parlo di dispositivi comuni, pre e amplificatori audio (A/B, D), alimentatori lineari regolati e non, gadget vari, Arduino e la marea di sensori che è possibile gestire.
Giusto i primi esempi che mi vengono in mente.
Solo l'anno scorso, credevo che lo strumento fondamentale per "le misure" fosse l'oscilloscopio.
E in parte lo sarà anche, per versatilità e per cento altri motivi che ignoro.
Ma quando sono entrato nel merito di quale acquistare (grazie ai furum...), ho capito che "DIPENDE".
Per fare un esempio scemo, è come chiedere: "Che veicolo a quattro ruote mi consigliate"?
Se serve a traportare la famiglia sarà di un tipo, per vincere una gara un altro, per arare un terreno, un altro ancora.
Per non parlare della dibattuta questione: "Oscilloscopio Analogico usato Vs Digitale nuovo".
Ho letto a lungo dei pro e dei contro e credo di aver capito il punto. Dipende sempre da chi usa lo strumento e per cosa. Un esperto saprà impiegare al meglio entrambi (sfruttando al massimo i non molti, ma importanti vantaggi dell'Analogico), ma partendo da zero, credo sia preferibile un approccio alle misure, più "attuale".
Dopo qualche mese di letture, ho identificato l'Oscilloscopio che probabilmente acquisterò, ma più che altro ho realizzato che per effettuare determinate misure, servono strumenti specifici.
Quindi ad esempio (molto rozzamente...), per misure Audio di rumore e distorsione, potrebbero servire particolari interfacce audio, un generatore di segnali/funzioni, un alimentatore da banco, filtri T-notch o un carico fittizio, così come un Carico Elettronico per misure sugli alimentatori.
Mi mi rendo conto che per il momento sono solo spunti.
Ambiti, che potrò approfondire solo quando disporrò degli strumenti.
perché con tutta la buona volontà, non si impara a suonare il Violino senza possederne uno.
Ti ringrazio per i suggerimenti, che posso solo condividere.
Assolutamente. Meglio evitare a priori instabilità e cattiva suddivisione della corrente.
E si, è come dici.
Non ho definito con precisione come intendo impiegarlo perché fino ad un mese fa, nemmeno sapevo potesse servirmi. Quindi non so con precisione come lo impiegherò, ma posso assicurarti questo:
Considero le modalità d'uso, importanti quanto la bontà del circuito.
E non mi sono sfuggiti alcuni commenti, che vertevano proprio sulla corretta catena di accensione e spegnimento del DUT e/o del Carico. Domande di questo tipo o più specificamente su come effettuare misure (le procedure corrette), me le tenevo per dopo il collaudo, per non incrociare troppi ragionamenti.
Ma forse è il caso di chiarire un po il contesto.
La mia idea (da un paio d'anni) è di raccogliere gli strumenti principali, utili e necessari ad effettuare misure più evolute di quelle che permette un multimetro. Credo si dica di tipo "qualitativo".
Queste (le misure), relativamente a dispositivi elettronici principalmente analogici ma anche digitali (alta frequenza a parte). Parlo di dispositivi comuni, pre e amplificatori audio (A/B, D), alimentatori lineari regolati e non, gadget vari, Arduino e la marea di sensori che è possibile gestire.
Giusto i primi esempi che mi vengono in mente.
Solo l'anno scorso, credevo che lo strumento fondamentale per "le misure" fosse l'oscilloscopio.
E in parte lo sarà anche, per versatilità e per cento altri motivi che ignoro.
Ma quando sono entrato nel merito di quale acquistare (grazie ai furum...), ho capito che "DIPENDE".
Per fare un esempio scemo, è come chiedere: "Che veicolo a quattro ruote mi consigliate"?
Se serve a traportare la famiglia sarà di un tipo, per vincere una gara un altro, per arare un terreno, un altro ancora.
Per non parlare della dibattuta questione: "Oscilloscopio Analogico usato Vs Digitale nuovo".
Ho letto a lungo dei pro e dei contro e credo di aver capito il punto. Dipende sempre da chi usa lo strumento e per cosa. Un esperto saprà impiegare al meglio entrambi (sfruttando al massimo i non molti, ma importanti vantaggi dell'Analogico), ma partendo da zero, credo sia preferibile un approccio alle misure, più "attuale".
Dopo qualche mese di letture, ho identificato l'Oscilloscopio che probabilmente acquisterò, ma più che altro ho realizzato che per effettuare determinate misure, servono strumenti specifici.
Quindi ad esempio (molto rozzamente...), per misure Audio di rumore e distorsione, potrebbero servire particolari interfacce audio, un generatore di segnali/funzioni, un alimentatore da banco, filtri T-notch o un carico fittizio, così come un Carico Elettronico per misure sugli alimentatori.
Mi mi rendo conto che per il momento sono solo spunti.
Ambiti, che potrò approfondire solo quando disporrò degli strumenti.
perché con tutta la buona volontà, non si impara a suonare il Violino senza possederne uno.
0
voti
Cercando in rete sono capitato su questa pagina web.
http://maxhobby.altervista.org/dummyload/dummyload.html
Si vede una versione circuitalmente simile a quella originale del post con finali MOS e MOS driver.
In allegato lo schema pdf.
Può essere uno spunto ulteriore per ampliare la panoramica sull'argomento
Ciao
http://maxhobby.altervista.org/dummyload/dummyload.html
Si vede una versione circuitalmente simile a quella originale del post con finali MOS e MOS driver.
In allegato lo schema pdf.
Può essere uno spunto ulteriore per ampliare la panoramica sull'argomento
Ciao
- Allegati
-
SCHEMA_MAX_DUMMY_LOAD.pdf- (112.47 KiB) Scaricato 187 volte
600 Elettra
Chi c’è in linea
Visitano il forum: Nessuno e 272 ospiti

Elettrotecnica e non solo (admin)
Un gatto tra gli elettroni (IsidoroKZ)
Esperienza e simulazioni (g.schgor)
Moleskine di un idraulico (RenzoDF)
Il Blog di ElectroYou (webmaster)
Idee microcontrollate (TardoFreak)
PICcoli grandi PICMicro (Paolino)
Il blog elettrico di carloc (carloc)
DirtEYblooog (dirtydeeds)
Di tutto... un po' (jordan20)
AK47 (lillo)
Esperienze elettroniche (marco438)
Telecomunicazioni musicali (clavicordo)
Automazione ed Elettronica (gustavo)
Direttive per la sicurezza (ErnestoCappelletti)
EYnfo dall'Alaska (mir)
Apriamo il quadro! (attilio)
H7-25 (asdf)
Passione Elettrica (massimob)
Elettroni a spasso (guidob)
Bloguerra (guerra)



singola indipendentemente dal numero di transistor "in serie" utilizzati.


