Entrambe, però andando ad intuito mettendo due componenti con le stesse giunzioni in parallelo i le caratteristiche fisiche del componente visto dai tre poli cambiano, o no?
Quello che mi domando è in che modo cambiano?
Nodo equipotenziale
Moderatori:
carloc,
g.schgor,
BrunoValente,
IsidoroKZ
21 messaggi
• Pagina 2 di 3 • 1, 2, 3
0
voti
Sicuramente si dividono la dissipazione.
"Non farei mai parte di un club che accettasse la mia iscrizione" (G. Marx)
-

claudiocedrone
21,3k 4 7 9 - Master EY

- Messaggi: 15302
- Iscritto il: 18 gen 2012, 13:36
0
voti
massì, una prova la posso fare, ne ho più di un centinaio e ancora non ho trovato cosa farci... a parte l'interrupt della sincronizzazione di rete (50Hz)
-

daniele1996
610 3 8 11 - Sostenitore

- Messaggi: 1554
- Iscritto il: 29 ago 2011, 11:29
0
voti
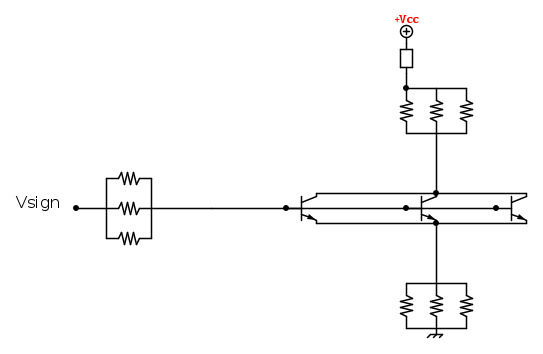
Allora scusa il ritardo nella risposta. Sono a corto di tempo ultimamente e lontano da un PC. Mi dispiace dovrai accontentarti della mia brutta grafia 
Ho fatto un esempio con dei MOS perché è più facile. Ho usato il modello lineare e parabolico. In questo caso cambia solo il beta.
Ovviamente se cambi altri parametri la cosa si fa più complicata, ma nemmeno di tanto (per esempio se cambi la soglia puoi definire una soglia equivalente).
In pratica modelli i MOS come un unico MOS con altri parametri, a quel punto puoi calcolarti transconduttanza, etc, etc.
Stessa cosa la puoi fare con i BJT o con qualsiasi circuito. Devi risolvere le equazioni ai nodi, c'è poco da fare.
Ho fatto un esempio con dei MOS perché è più facile. Ho usato il modello lineare e parabolico. In questo caso cambia solo il beta.
Ovviamente se cambi altri parametri la cosa si fa più complicata, ma nemmeno di tanto (per esempio se cambi la soglia puoi definire una soglia equivalente).
In pratica modelli i MOS come un unico MOS con altri parametri, a quel punto puoi calcolarti transconduttanza, etc, etc.
Stessa cosa la puoi fare con i BJT o con qualsiasi circuito. Devi risolvere le equazioni ai nodi, c'è poco da fare.
0
voti
Tranquillo,
Quindi nel caso dei MOS dovrebbe essere che la sua Rds ON diminuisce all'aumentare della tensione nel gate senza che transiti corrente... e le correnti dei drain e source si sommano... ovviamente matematicamente cambia qualcosa... quindi si può dedurre che nei transistor vada considerata la stessa situazione ma con la corrente al posto della tensione, ovviamente di tutto ciò ne va tenuto conto matematicamente con le equazioni ai nodi... a me principalmente mi interessa la parte concettuale... Prima devo trovare un'applicazione per un circuito simile visto che al massimo ho usato dei mosfet come interruttori con gli 817 (recuperati da vecchie schede madri i MOS) che tengono benissimo anche 5A....
Quindi nel caso dei MOS dovrebbe essere che la sua Rds ON diminuisce all'aumentare della tensione nel gate senza che transiti corrente... e le correnti dei drain e source si sommano... ovviamente matematicamente cambia qualcosa... quindi si può dedurre che nei transistor vada considerata la stessa situazione ma con la corrente al posto della tensione, ovviamente di tutto ciò ne va tenuto conto matematicamente con le equazioni ai nodi... a me principalmente mi interessa la parte concettuale... Prima devo trovare un'applicazione per un circuito simile visto che al massimo ho usato dei mosfet come interruttori con gli 817 (recuperati da vecchie schede madri i MOS) che tengono benissimo anche 5A....
-

daniele1996
610 3 8 11 - Sostenitore

- Messaggi: 1554
- Iscritto il: 29 ago 2011, 11:29
0
voti
Piccolo appunto. I MOSFET sono transistor :P
Con i BJT puoi fare una cosa simile con la VBE usando la legge esponenziale. Devi tenere in conto anche l'aumento della corrente di base all'aumentare dei BJT in parallelo.
Concettualmente hai fatto un transistor con area di giunzione più grande. Ovviamente stiamo semplificando un casino. Puoi pensarla molto facilmente, se hai componenti in parallelo tutti uguali in tutti scorre la stessa corrente.
Non c'è alcuna applicazione pratica a componenti discreti per cui sia una buona idea fare una cosa simile.
L'unica eccezione possibile che vedo (ma comunque non è una idea geniale) è questa https://electrowiki.org/wiki/Driver_LED ... e_a_dinamo (ultime foto).
In pratica li usi per dividere la potenza dissipabile. Qui comunque hai il controllo della corrente con un feedback negativo gestito da un solo altro transistor.
Il motivo per cui è una pessima idea fare una cosa del genere è la dispersione dei parametri di processo. In pratica 2 transistor uguali discreti non li trovi e quindi magari ti scorre tutta la corrente in uno etc, etc.
Un altro esempio in cui si potrebbero usare è 2 MOSFET di potenza usati come interruttori pilotati con una VGS >> Vt, ma se ce ne è uno solo più grosso, molto meglio usarne uno solo.
Invece in ambito integrato è usatissimo, anzi è l'unico modo per fare transistor in rapporti precisi. Questo ancora una volta si fa per via della dispersione dei parametri di processo (tutte le varie capacità che dipendono dall'area e dal perimetro della giunzione), altrimenti non gestisci più nulla.
Con i BJT puoi fare una cosa simile con la VBE usando la legge esponenziale. Devi tenere in conto anche l'aumento della corrente di base all'aumentare dei BJT in parallelo.
daniele1996 ha scritto:a me principalmente mi interessa la parte concettuale
Concettualmente hai fatto un transistor con area di giunzione più grande. Ovviamente stiamo semplificando un casino. Puoi pensarla molto facilmente, se hai componenti in parallelo tutti uguali in tutti scorre la stessa corrente.
daniele1996 ha scritto:Prima devo trovare un'applicazione per un circuito simile visto che al massimo ho usato dei mosfet come interruttori
Non c'è alcuna applicazione pratica a componenti discreti per cui sia una buona idea fare una cosa simile.
L'unica eccezione possibile che vedo (ma comunque non è una idea geniale) è questa https://electrowiki.org/wiki/Driver_LED ... e_a_dinamo (ultime foto).
In pratica li usi per dividere la potenza dissipabile. Qui comunque hai il controllo della corrente con un feedback negativo gestito da un solo altro transistor.
Il motivo per cui è una pessima idea fare una cosa del genere è la dispersione dei parametri di processo. In pratica 2 transistor uguali discreti non li trovi e quindi magari ti scorre tutta la corrente in uno etc, etc.
Un altro esempio in cui si potrebbero usare è 2 MOSFET di potenza usati come interruttori pilotati con una VGS >> Vt, ma se ce ne è uno solo più grosso, molto meglio usarne uno solo.
Invece in ambito integrato è usatissimo, anzi è l'unico modo per fare transistor in rapporti precisi. Questo ancora una volta si fa per via della dispersione dei parametri di processo (tutte le varie capacità che dipendono dall'area e dal perimetro della giunzione), altrimenti non gestisci più nulla.
0
voti
drGremi ha scritto: Il motivo per cui è una pessima idea fare una cosa del genere è la dispersione dei parametri di processo. In pratica 2 transistor uguali discreti non li trovi e quindi magari ti scorre tutta la corrente in uno etc, etc.
Un altro esempio in cui si potrebbero usare è 2 MOSFET di potenza usati come interruttori pilotati con una VGS >> Vt, ma se ce ne è uno solo più grosso, molto meglio usarne uno solo.
Stavo pensando alle radiofrequenze,sicuramente la soluzione migliore è usarne uno solo... per una questione di prevedibilità matematica...
-

daniele1996
610 3 8 11 - Sostenitore

- Messaggi: 1554
- Iscritto il: 29 ago 2011, 11:29
21 messaggi
• Pagina 2 di 3 • 1, 2, 3
Chi c’è in linea
Visitano il forum: Nessuno e 61 ospiti

Elettrotecnica e non solo (admin)
Un gatto tra gli elettroni (IsidoroKZ)
Esperienza e simulazioni (g.schgor)
Moleskine di un idraulico (RenzoDF)
Il Blog di ElectroYou (webmaster)
Idee microcontrollate (TardoFreak)
PICcoli grandi PICMicro (Paolino)
Il blog elettrico di carloc (carloc)
DirtEYblooog (dirtydeeds)
Di tutto... un po' (jordan20)
AK47 (lillo)
Esperienze elettroniche (marco438)
Telecomunicazioni musicali (clavicordo)
Automazione ed Elettronica (gustavo)
Direttive per la sicurezza (ErnestoCappelletti)
EYnfo dall'Alaska (mir)
Apriamo il quadro! (attilio)
H7-25 (asdf)
Passione Elettrica (massimob)
Elettroni a spasso (guidob)
Bloguerra (guerra)
