Dubbio su schema

Progettazione, esercizio, manutenzione, sicurezza, leggi, normative...

Moderatori: Foto Utentesebago, Foto UtenteMASSIMO-G, Foto Utentelillo, Foto UtenteMike

Avatar utente
Foto UtenteRicu96
90 2 5
Frequentatore
Frequentatore
Messaggi: 129
Iscritto il: 27 mar 2020, 18:08
0
voti

[1] Dubbio su schema

Messaggioda Foto UtenteRicu96 » 29 set 2021, 20:26

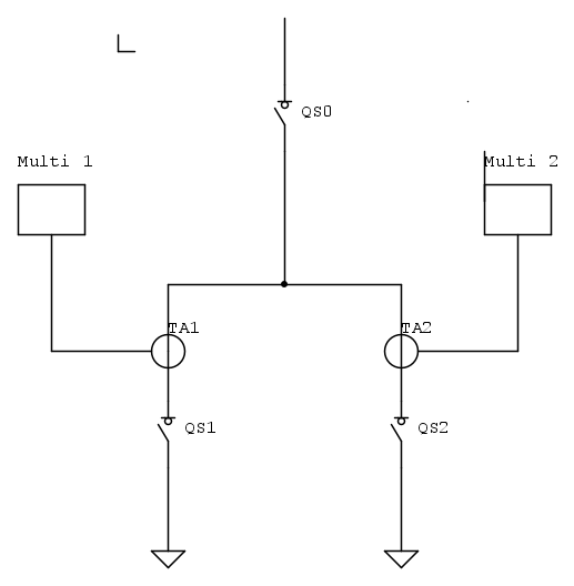
Buonasera, nella ditta nella quale lavoro, oggi mi è stato proposto uno schema simile.
Tutti i componenti sono all'interno dello stesso quadro.
A valle di QS0 partono due corde, una che va ad alimentare QS1 e l'altra che va ad alimentare QS2.
Da schema originale del progettista, i TA sono messi a monte di QS1 e QS2.
Mi sorge un dubbio, supponiamo che QS1 sia aperto e QS2 sia chiuso, il TA1 leggerebbe qualcosa?



Avatar utente
Foto UtenteMASSIMO-G
14,3k 6 9 12
G.Master EY
G.Master EY
Messaggi: 2894
Iscritto il: 20 set 2004, 8:31
Località: PIACENZA
Contatta:
0
voti

[2] Re: Dubbio su schema

Messaggioda Foto UtenteMASSIMO-G » 29 set 2021, 20:57

No , il TA non sarebbe percorso da nessuna corrente


Torna a “Impianti, sicurezza e quadristica”