Buongiorno a tutti, premetto che non sono un professionista in elettrotecnica/elettronica.
Ho realizzato una camera di maturazione per salumi utilizzando le celle di Peltier come refriggeranti.
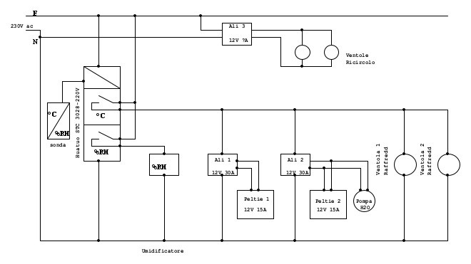
Gli elementi che costituiscono il circuito sono:
2 alimentatori da 30A 12V
1 Termostato per la temperatura e umidità ( Huatuo STC-3028 220 V)
2 Celle di Peltier a 15A cadauna
2 Ventole per raffreddamento radiatori a 220 V
1 Pompa ad immersione da 12V
2 Ventoline per ventilazione interna alla camera da 12V
Il raffreddamento delle celle di Peltier è ad acqua.
Il circuito funziona ma dopo un certo tempo il termostato si spegne e si riaccende mantenendo i valori impostati.
Ho provato passo passo a escludere le celle di Peltier lasciando solo le ventole e il problema non si verifica, mentre ricollegando le celle di Peltier si verifica lo spegnimento del termostato.
Sembra che qualcosa faccia andare in protezione il termostato a causa di un errato collegamento ma chiedo a Voi quale potrebbe essere il problema.
Ho letto del programma CAD e l'ho scaricato, capisco l'importanza di usare il programma affinchè si possa interagire con esso anche da parte di chi vuole partecipare alla soluzione del problema.
Tuttavia non ho avuto il tempo necessario per acquisire le immediate conoscenze per usarlo quindi allego un circuito logico che possa far capire quale potrebbe essere il problema dell spegnimento del termostato.
In seguito ricalcherò il circuito con il programma CAD consigliato nel forum.
Grazie
Giovanni
Spegnimento autonomo del termostato
Moderatori:
carloc,
g.schgor,
BrunoValente,
IsidoroKZ
6 messaggi
• Pagina 1 di 1
0
voti
Le connessioni del termostato nello schema logico non sono chiare.
Ti lamenti che i termostato senza intervento umano si disalimenta (si spegne) e poi si riaccende? connessione elettrica difettosa? Morsetto mal serrato?
Il termostato è questo?:
Ti lamenti che i termostato senza intervento umano si disalimenta (si spegne) e poi si riaccende? connessione elettrica difettosa? Morsetto mal serrato?
Il termostato è questo?:
0
voti
Ciao @gioking.
Questo in attesa di sapere esattamente come hai collegato tra loro i dispositivi, altrimenti quasi ogni ipotesi è plausibile.
Saluti
descrivi meglio e specifica cosa intendi.gioking ha scritto:(...) Il circuito funziona ma dopo un certo tempo il termostato si spegne e si riaccende mantenendo i valori impostati. (...)
Questo in attesa di sapere esattamente come hai collegato tra loro i dispositivi, altrimenti quasi ogni ipotesi è plausibile.
Saluti
W - U.H.F.
-

WALTERmwp
30,2k 4 8 13 - G.Master EY

- Messaggi: 8986
- Iscritto il: 17 lug 2010, 18:42
- Località: le 4 del mattino
0
voti
Grazie della risposta WALTERmwp e MarcoD
Intanto confermo che il termostato è quello in foto.
Intendo che dopo una manciata di minuti tutto si spegne per qualche secondo e poi riparte tutto.
Dunque vediamo se riesco a spiegare i collegamenti:
1 Dalla linea di casa porto la fase al termostato e alla morsettiera (Contatti), stessa cosa per il neutro.
2 Dalla morsettiera(Contatti) porto la fase a uno dei due morsetti del termostato, dallo stesso morsetto porto la fase agli alimentatori, alle ventole di raffreddamento e in futuro anche all'umidificatore.
Nota: gli alimentatori sono alimentati nel seguente modo:
1 dalla morsettiera porto la fase al primo alimentatori e ponticello la fase nel secondo alimentatore, i due neutri ritornano alla morsettiera.
3 Da ognuno degli alimentatori port il positivo e il negativo verso le utenze a 12V (Sia le Peltier che la pompa che le ventoline su i dissipatori delle celle di peltier, sono a 12V)
Nota: su gli alimentatori, le celle di peltier sono collegate su i morsetti positivo e negativo, mentre le altre utenza sono collegate a morsetti diversi.
Comunque nel circuito che ho prodotto fase e neutro sono nero e blu mentre la bassa tensione è rosso e nero.
Se può essere di aiuto, ho fatto le seguenti prove:
Ho scollegato solo le celle di Peltier e tutto funziona regolarmente e cioè l'impanto non si spegne.
Ho ricollegato le celle di peltier e la pompa di ricircolo e scollegato le ventole e dopo alcuni minuti si spegne tutto.
Nota: i fili elettrici che portano il positivo e negativo alla cella di peltier si scalda un po.. non esageratamente ma rispetto agli altri fili sono più caldi. Per questo ho provato a cambiare i fili mettendo una sezione più grossetta (1.5)... non scalda ma il problema dello spegnimento persiste.
Spero di avere dato un minimo di chiarezza rispetto al disegno, mi riprometto di rifarlo correttamente in CAD.
Grazie
Intanto confermo che il termostato è quello in foto.
Intendo che dopo una manciata di minuti tutto si spegne per qualche secondo e poi riparte tutto.
Dunque vediamo se riesco a spiegare i collegamenti:
1 Dalla linea di casa porto la fase al termostato e alla morsettiera (Contatti), stessa cosa per il neutro.
2 Dalla morsettiera(Contatti) porto la fase a uno dei due morsetti del termostato, dallo stesso morsetto porto la fase agli alimentatori, alle ventole di raffreddamento e in futuro anche all'umidificatore.
Nota: gli alimentatori sono alimentati nel seguente modo:
1 dalla morsettiera porto la fase al primo alimentatori e ponticello la fase nel secondo alimentatore, i due neutri ritornano alla morsettiera.
3 Da ognuno degli alimentatori port il positivo e il negativo verso le utenze a 12V (Sia le Peltier che la pompa che le ventoline su i dissipatori delle celle di peltier, sono a 12V)
Nota: su gli alimentatori, le celle di peltier sono collegate su i morsetti positivo e negativo, mentre le altre utenza sono collegate a morsetti diversi.
Comunque nel circuito che ho prodotto fase e neutro sono nero e blu mentre la bassa tensione è rosso e nero.
Se può essere di aiuto, ho fatto le seguenti prove:
Ho scollegato solo le celle di Peltier e tutto funziona regolarmente e cioè l'impanto non si spegne.
Ho ricollegato le celle di peltier e la pompa di ricircolo e scollegato le ventole e dopo alcuni minuti si spegne tutto.
Nota: i fili elettrici che portano il positivo e negativo alla cella di peltier si scalda un po.. non esageratamente ma rispetto agli altri fili sono più caldi. Per questo ho provato a cambiare i fili mettendo una sezione più grossetta (1.5)... non scalda ma il problema dello spegnimento persiste.
Spero di avere dato un minimo di chiarezza rispetto al disegno, mi riprometto di rifarlo correttamente in CAD.
Grazie
0
voti
gioking ha scritto:
Ho realizzato una camera di maturazione per salumi utilizzando le celle di Peltier come refriggeranti.
Gli elementi che costituiscono il circuito sono:
2 alimentatori da 30A 12V
1 Termostato per la temperatura e umidità ( Huatuo STC-3028 220 V)
2 Celle di Peltier a 15A cadauna
2 Ventole per raffreddamento radiatori a 220 V
1 Pompa ad immersione da 12V
2 Ventoline per ventilazione interna alla camera da 12V
Il raffreddamento delle celle di Peltier è ad acqua.
Il circuito funziona ma dopo un certo tempo il termostato si spegne e si riaccende mantenendo i valori impostati.
Ho provato passo passo a escludere le celle di Peltier lasciando solo le ventole e il problema non si verifica, mentre ricollegando le celle di Peltier si verifica lo spegnimento del termostato.
Sembra che qualcosa faccia andare in protezione il termostato a causa di un errato collegamento ma chiedo a Voi quale potrebbe essere il problema.
Ho letto del programma CAD e l'ho scaricato, capisco l'importanza di usare il programma affinchè si possa interagire con esso anche da parte di chi vuole partecipare alla soluzione del problema.
Tuttavia non ho avuto il tempo necessario per acquisire le immediate conoscenze per usarlo quindi allego un circuito logico che possa far capire quale potrebbe essere il problema dell spegnimento del termostato.
In seguito ricalcherò il circuito con il programma CAD consigliato nel forum.
Grazie
Giovanni
Ma scattano le protezioni magnetotermiche e/o differenziale ?
Occhio che le celle di peltie vanno alimentate in controllo di limite di corrente, se non raffreddate adeguatamente, vanno in corto, portando in sovraccarico l'alimentatore.
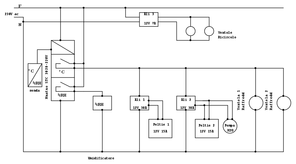
Ti allego disegno tuo impianto con fidocad da completrare.
Ciao
Scopo principale della nostra vita , è dare prosieguo alla vita , come tutti gli esseri viventi fanno.
0
voti
Per caricare il file di fidocad,
clicca su "sorgente FidoCadj", sotto il disegno, ti si apre il file sorgente,
con il mouse lo selezioni tutto,
clicchi pulsante destro mouse,
copia,
apri fidocadJ,
file,
nuovo disegno
e incolli.
Cioa
clicca su "sorgente FidoCadj", sotto il disegno, ti si apre il file sorgente,
con il mouse lo selezioni tutto,
clicchi pulsante destro mouse,
copia,
apri fidocadJ,
file,
nuovo disegno
e incolli.
Cioa
Scopo principale della nostra vita , è dare prosieguo alla vita , come tutti gli esseri viventi fanno.
6 messaggi
• Pagina 1 di 1
Chi c’è in linea
Visitano il forum: Nessuno e 150 ospiti

Elettrotecnica e non solo (admin)
Un gatto tra gli elettroni (IsidoroKZ)
Esperienza e simulazioni (g.schgor)
Moleskine di un idraulico (RenzoDF)
Il Blog di ElectroYou (webmaster)
Idee microcontrollate (TardoFreak)
PICcoli grandi PICMicro (Paolino)
Il blog elettrico di carloc (carloc)
DirtEYblooog (dirtydeeds)
Di tutto... un po' (jordan20)
AK47 (lillo)
Esperienze elettroniche (marco438)
Telecomunicazioni musicali (clavicordo)
Automazione ed Elettronica (gustavo)
Direttive per la sicurezza (ErnestoCappelletti)
EYnfo dall'Alaska (mir)
Apriamo il quadro! (attilio)
H7-25 (asdf)
Passione Elettrica (massimob)
Elettroni a spasso (guidob)
Bloguerra (guerra)




