Salve ragazzi, avrei una domanda su un circuito generico con 2 induttori mutualmente accoppiati e connessi in pararello con flussi concordi. In pratica succede che l'induttanza diminuisce giusto? Anzi se sono uguali e il fattore d'accoppiamento (in caso ideale ovviamente) l'induttanza diventa 0 . Ma quindi abbassandosi l'induttanza il campo magnetico impiega meno tempo a cambiare oppure abbiamo solo la corrente che impiega meno tempo ad arrivare al valore massimo? Parlo di quello che succede su ogni induttore.
Grazie e buona serata.
Cosa succede in un mutuo accoppiamento?
Moderatori:
IsidoroKZ,
PietroBaima,
Ianero
47 messaggi
• Pagina 1 di 5 • 1, 2, 3, 4, 5
0
voti
discovery90 ha scritto:pratica succede che l'induttanza diminuisce giusto
Eh? E pure volendo, rispetto a cosa? Sicuro tu stia parlando di induttanza?
discovery90 ha scritto:il campo magnetico impiega meno tempo
?? E comunque sempre volendo, rispetto a quale caso?
discovery90 ha scritto:la corrente che impiega meno tempo ad arrivare al valore massimo
Quale valore massimo?
1
voti
La tua è una bella domanda !
Penso a un trasformatore ideale con rapporto spire 1:1
Se alimento solo un avvolgimento, sull'altro ho la stessa tensione con la stessa fase.
Il solo avvolgimento perpercorso da corrente presenterà una reattanza dovuta all'induttanza dell'avvolgimento.
Se metto i due avvolgimenti in parallelo, il "secondario" non è percorso da corrente in quanto ha la stessa tensione del primario, per cui l'induttanza del parallelo è uguale all'induttanza di un solo avvolgimento.
In realtà per simmetria la corrente nei due avvolgimenti sarà la metà della corrente del parallelo. Quindi puoi dire che l'induttanza di ogni avvolgimento raddoppia, ma poi in parallelo ritorna uguale a quella di un avvolgimento isolato.
Il ragionamento è corretto ?

Penso a un trasformatore ideale con rapporto spire 1:1
Se alimento solo un avvolgimento, sull'altro ho la stessa tensione con la stessa fase.
Il solo avvolgimento perpercorso da corrente presenterà una reattanza dovuta all'induttanza dell'avvolgimento.
Se metto i due avvolgimenti in parallelo, il "secondario" non è percorso da corrente in quanto ha la stessa tensione del primario, per cui l'induttanza del parallelo è uguale all'induttanza di un solo avvolgimento.
In realtà per simmetria la corrente nei due avvolgimenti sarà la metà della corrente del parallelo. Quindi puoi dire che l'induttanza di ogni avvolgimento raddoppia, ma poi in parallelo ritorna uguale a quella di un avvolgimento isolato.
Il ragionamento è corretto ?
Solo se la polarità degli avvolgimenti è discorde.Anzi se sono uguali e il fattore d'accoppiamento (in caso ideale ovviamente) l'induttanza diventa 0

0
voti
discovery90 ha scritto:Salve ragazzi, avrei una domanda su un circuito generico con 2 induttori mutualmente accoppiati e connessi in pararello con flussi concordi. In pratica succede che l'induttanza diminuisce giusto? Anzi se sono uguali e il fattore d'accoppiamento (in caso ideale ovviamente) l'induttanza diventa 0 . Ma quindi abbassandosi l'induttanza il campo magnetico impiega meno tempo a cambiare oppure abbiamo solo la corrente che impiega meno tempo ad arrivare al valore massimo? Parlo di quello che succede su ogni induttore.
Grazie e buona serata.
Buongiorno.
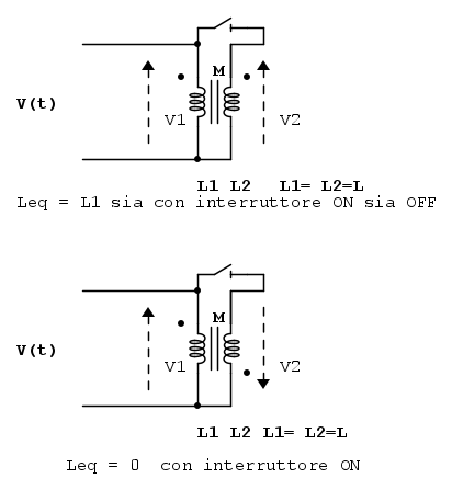
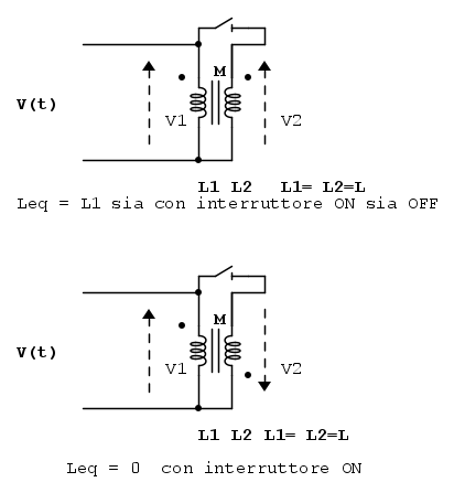
discovery90, in pratica il circuito di [1] è questo?
o, il pallini sono disposti come nel caso:
Grazie, Michele.
0
voti
Rispondo si alla domanda.
Grazie per il disegno, lo ho completato.
Dimenticavo: il tutto vale quando M = radquadrata( L1 x L2)
( coeff. accoppiamento K = 1)
Nel web ho trovato:
http://www.elettrotecnica.unina.it/file ... 0mutuo.pdf
pare interessante, ma lo ho scorso rapidamente.
Grazie per il disegno, lo ho completato.
Dimenticavo: il tutto vale quando M = radquadrata( L1 x L2)
( coeff. accoppiamento K = 1)
Nel web ho trovato:
http://www.elettrotecnica.unina.it/file ... 0mutuo.pdf
pare interessante, ma lo ho scorso rapidamente.
0
voti
MarcoD, più o meno è questo ma io non mi riferisco ad un trasformatore. Mi riferisco ad una induttanza ipotetica di 1 H se ne metto una in pararello con induttanza uguale quindi 1 H e mutualmente accoppiata con M=1 dovrebbe diminuire l'induttanza equivalente? Ma quindi anche il campo magnetico dovrebbe formarsi in minor tempo ?
-

discovery90
5 5 - New entry

- Messaggi: 70
- Iscritto il: 2 set 2019, 23:18
0
voti
Quantoe domande! Non sono sicurissimo nell'argomento.
più o meno è questo ma io non mi riferisco ad un trasformatore.
Il trasformatore è un insieme di due induttanze accoppiate.
Mi riferisco ad una induttanza ipotetica di 1 H se ne metto una in parallelo con induttanza uguale quindi 1 H e mutualmente accoppiata con M=1 dovrebbe diminuire l'induttanza equivalente?
Se pallini nello stesso verso l'induttanza equivalente non cambia.
Se pallini con verso opposto l'induttanza equivalente è zero.
Ma quindi anche il campo magnetico dovrebbe formarsi in minor tempo ? Non ho capito. Ti riferisci a un campo di intensità minore?
A un transitorio quando viene applicato un gradino di tensione continua?
Dalle tue domande ritengo che tu stia studiando teoria senza esperienze di laboratorio, sicuramente io sono più vecchio ed esperto. In vari anni ho svolto prove su componenti elettronici elettrici che mi portano a ricordarmi delle esperienze fatte, e ad avere memoria di come le "cose" funzionano, di li posso ricostruire il comportamento semplificato del componente ideale.
più o meno è questo ma io non mi riferisco ad un trasformatore.
Il trasformatore è un insieme di due induttanze accoppiate.
Mi riferisco ad una induttanza ipotetica di 1 H se ne metto una in parallelo con induttanza uguale quindi 1 H e mutualmente accoppiata con M=1 dovrebbe diminuire l'induttanza equivalente?
Se pallini nello stesso verso l'induttanza equivalente non cambia.
Se pallini con verso opposto l'induttanza equivalente è zero.
Ma quindi anche il campo magnetico dovrebbe formarsi in minor tempo ? Non ho capito. Ti riferisci a un campo di intensità minore?
A un transitorio quando viene applicato un gradino di tensione continua?
Dalle tue domande ritengo che tu stia studiando teoria senza esperienze di laboratorio, sicuramente io sono più vecchio ed esperto. In vari anni ho svolto prove su componenti elettronici elettrici che mi portano a ricordarmi delle esperienze fatte, e ad avere memoria di come le "cose" funzionano, di li posso ricostruire il comportamento semplificato del componente ideale.
0
voti
Ed io per questo chiedo qui
quindi su questo sito hanno sbagliato loro oppure sono io che non ho capito? http://www.barrascarpetta.org/01_ele/m_2/m2_u9.htm
-

discovery90
5 5 - New entry

- Messaggi: 70
- Iscritto il: 2 set 2019, 23:18
0
voti
Mi pare essenziale, fare notare che negli schemi è interposta una resistenza per ogni induttore.
direi che sul sito hanno ragione, se i due induttori sono accoppiati con verso opposto, si annullano, (sempre teoricamente), impedenza data dalle sole resistenze.
saluti.
direi che sul sito hanno ragione, se i due induttori sono accoppiati con verso opposto, si annullano, (sempre teoricamente), impedenza data dalle sole resistenze.
saluti.
-

lelerelele
4.899 3 7 9 - Master

- Messaggi: 5505
- Iscritto il: 8 giu 2011, 8:57
- Località: Reggio Emilia
0
voti
lelerelele ha scritto:Mi pare essenziale, fare notare che negli schemi è interposta una resistenza per ogni induttore.
direi che sul sito hanno ragione, se i due induttori sono accoppiati con verso opposto, si annullano, (sempre teoricamente), impedenza data dalle sole resistenze.
saluti.
Si ok ,mi a parte le resistenze sul sito dice che se sono in serie di verso opposto si annullano,se sono di verso uguale aumentano.
Invece per il pararello è il contrario,se sono uguali i versi si abbassa l'induttanza,se è contrario aumenta.
-

discovery90
5 5 - New entry

- Messaggi: 70
- Iscritto il: 2 set 2019, 23:18
47 messaggi
• Pagina 1 di 5 • 1, 2, 3, 4, 5
Chi c’è in linea
Visitano il forum: Nessuno e 9 ospiti

Elettrotecnica e non solo (admin)
Un gatto tra gli elettroni (IsidoroKZ)
Esperienza e simulazioni (g.schgor)
Moleskine di un idraulico (RenzoDF)
Il Blog di ElectroYou (webmaster)
Idee microcontrollate (TardoFreak)
PICcoli grandi PICMicro (Paolino)
Il blog elettrico di carloc (carloc)
DirtEYblooog (dirtydeeds)
Di tutto... un po' (jordan20)
AK47 (lillo)
Esperienze elettroniche (marco438)
Telecomunicazioni musicali (clavicordo)
Automazione ed Elettronica (gustavo)
Direttive per la sicurezza (ErnestoCappelletti)
EYnfo dall'Alaska (mir)
Apriamo il quadro! (attilio)
H7-25 (asdf)
Passione Elettrica (massimob)
Elettroni a spasso (guidob)
Bloguerra (guerra)






