Buonasera e buona festa dell'Immacolata a tutti.
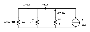
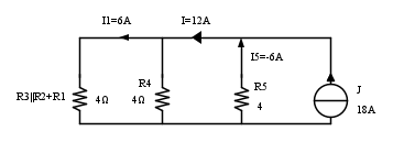
In questo circuito, visto che R5 ed R4 sono in parallelo come mai non posso utilizzare direttamente la formula del partitore di corrente per trovare la corrente i5 ma devo svolgere prima una serie di semplificazioni?
Esercizio con la formula del partitore di corrente.
Moderatori:
g.schgor,
IsidoroKZ
8 messaggi
• Pagina 1 di 1
0
voti
Un quiz nel tardo pomeriggio di un giorno noioso !
Req1 = R3//R2 + R1 = 4/2 +2 = 4 ohm
Req2 = Req1//R4 = 4/2 = 2 ohm
partitore di corrente:
I5 = - J x (Req2/(Req2+R5)) = -18 x 2/(2+4) = -6 A negativo per il verso della freccia opposto alla freccia del generatore
R4//R5 = 4/2 = 2 ohm
altro partitore di corrente:
I1 = J x R4//R5/( R4//R5 + Req2) = 18 x 2/(2+2) = 9 A
altro partitore:
I3 = I1 x R2/(R2+R3) = ..calcolala.
sarà giusto ??

In realtà , non ho risposto alla domanda.
Req1 = R3//R2 + R1 = 4/2 +2 = 4 ohm
Req2 = Req1//R4 = 4/2 = 2 ohm
partitore di corrente:
I5 = - J x (Req2/(Req2+R5)) = -18 x 2/(2+4) = -6 A negativo per il verso della freccia opposto alla freccia del generatore
R4//R5 = 4/2 = 2 ohm
altro partitore di corrente:
I1 = J x R4//R5/( R4//R5 + Req2) = 18 x 2/(2+2) = 9 A
altro partitore:
I3 = I1 x R2/(R2+R3) = ..calcolala.
sarà giusto ??

In questo circuito, visto che R5 ed R4 sono in parallelo come mai non posso utilizzare direttamente la formula del partitore di corrente per trovare la corrente i5 ma devo svolgere prima una serie di semplificazioni?
In realtà , non ho risposto alla domanda.
1
voti
Zioke ha scritto: visto che R5 ed R4 sono in parallelo come mai non posso utilizzare direttamente la formula del partitore di corrente per trovare la corrente i5
Perché la corrente J non si ripartisce solo sulle due resistenze
0
voti
Grazie mille, adesso mi è piu' chiaro 
0
voti
MarcoD ha scritto:..
In realtà , non ho risposto alla domanda.
Grazie davvero ma non mi serviva lo svolgimento (avendolo già risolto) ero solo curioso di sapere questa cosa sul partitore
0
voti
MarcoD ha scritto:
sarà giusto ??![]()
Direi non completamente
0
voti
Zioke ha scritto:come mai non posso utilizzare direttamente la formula del partitore di corrente per trovare la corrente i5 ma devo svolgere prima una serie di semplificazioni?
Perché per applicare il partitore di corrente hai bisogno di conoscere anche le resistenze di cui "non ti interessa" trovare la corrente.
Puoi sempre ricondurti al caso più semplice, ovvero quello di sole due resistenze in parallelo:
Per trovare la corrente in
devi conoscere anche le altre, che nello schema sono tutte raccolte in un'unica resistenza equivalente 

-

DeltaEpsilon
15 4 - Messaggi: 27
- Iscritto il: 26 set 2021, 18:54
8 messaggi
• Pagina 1 di 1
Torna a Elettrotecnica generale
Chi c’è in linea
Visitano il forum: Nessuno e 180 ospiti

Elettrotecnica e non solo (admin)
Un gatto tra gli elettroni (IsidoroKZ)
Esperienza e simulazioni (g.schgor)
Moleskine di un idraulico (RenzoDF)
Il Blog di ElectroYou (webmaster)
Idee microcontrollate (TardoFreak)
PICcoli grandi PICMicro (Paolino)
Il blog elettrico di carloc (carloc)
DirtEYblooog (dirtydeeds)
Di tutto... un po' (jordan20)
AK47 (lillo)
Esperienze elettroniche (marco438)
Telecomunicazioni musicali (clavicordo)
Automazione ed Elettronica (gustavo)
Direttive per la sicurezza (ErnestoCappelletti)
EYnfo dall'Alaska (mir)
Apriamo il quadro! (attilio)
H7-25 (asdf)
Passione Elettrica (massimob)
Elettroni a spasso (guidob)
Bloguerra (guerra)





