Ah ok, ho capito grazie.
Aprirò un'apposita discussione.
TV CRT Mivar - Video ristretto e altri problemi
Moderatori:
carloc,
g.schgor,
BrunoValente,
IsidoroKZ
30 messaggi
• Pagina 3 di 3 • 1, 2, 3
0
voti
Da un mese ho ripreso ad utilizzare questo mivar dopo un po' di anni di completo inutilizzo. Oggi lo accendo regolarmente, vado via, torno dopo qualche minuto e trovo lo schermo nero mentre l'audio era ok. Spengo, riaccendo e spunta questa immagine a monitor
Quale può essere il problema e come si risolve?
Quale può essere il problema e come si risolve?
2
voti
E' andato fuori sincronismo verticale/orizzontale e ha qualche problema anche con la crominanza (e' praticamente verde).
Se ha l'eta' che ha e per di piu' e' rimasto inutilizzato per anni, quasi sicuramente c'e' qualche condensatore elettrolitico "secco".
Se hai lo schema controlla innanzitutto le tensioni di alimentazione e i relativi ripple.
Io ne ho riparati a dozzine, in genere con un cambio di elettrolitici, specialmente quello lato primario dell'alimentatore switching (in genere da 68/100 uF 380 V) e quelli lato secondario, che sono quelli che soffrono di piu' (essendo un alim. switching devono essere del tipo adatto, a basso ESR e perdite)
Se non ricordo male la sezione alimentazione e' su una basetta a parte (dove c'e' appunto il trasformatore).
Ti e' andata bene che non si e' guastato il trasfo EAT (quello cilindrico vertivale da dove parte la ventosa che va al tubo CRT) perche' sono praticamente introvabili e se lo trovi ti costerebbe almeno 30 euro.
Occhio che ci sono tensioni pericolose. Non metterci mano se non sei pratico.
Considera che una semplice riparazione come quella descritta ti costerebbe minimo 50 euro, ammesso che trovi ancora un tecnico competente che sappia metterci le mani.
A meno che tu non sia particolarmente affezionato a quel TV, ti consiglierei di comprarne uno moderno: con 150 euro ti prendi un 21/24 pollici con il decoder DVB-T2 incorporato.
Max
Se ha l'eta' che ha e per di piu' e' rimasto inutilizzato per anni, quasi sicuramente c'e' qualche condensatore elettrolitico "secco".
Se hai lo schema controlla innanzitutto le tensioni di alimentazione e i relativi ripple.
Io ne ho riparati a dozzine, in genere con un cambio di elettrolitici, specialmente quello lato primario dell'alimentatore switching (in genere da 68/100 uF 380 V) e quelli lato secondario, che sono quelli che soffrono di piu' (essendo un alim. switching devono essere del tipo adatto, a basso ESR e perdite)
Se non ricordo male la sezione alimentazione e' su una basetta a parte (dove c'e' appunto il trasformatore).
Ti e' andata bene che non si e' guastato il trasfo EAT (quello cilindrico vertivale da dove parte la ventosa che va al tubo CRT) perche' sono praticamente introvabili e se lo trovi ti costerebbe almeno 30 euro.
Occhio che ci sono tensioni pericolose. Non metterci mano se non sei pratico.
Considera che una semplice riparazione come quella descritta ti costerebbe minimo 50 euro, ammesso che trovi ancora un tecnico competente che sappia metterci le mani.
A meno che tu non sia particolarmente affezionato a quel TV, ti consiglierei di comprarne uno moderno: con 150 euro ti prendi un 21/24 pollici con il decoder DVB-T2 incorporato.
Max
Se funziona quasi bene, è tutto sbagliato. A.Savatteri/M.Mazza
0
voti
Vorrei ripararlo e continuare ad usarlo, non per una questione affettiva ma perché, finora e grazie al vostro aiuto, sono sempre riuscito a ripararlo da solo e con pochi centesimi, cosa ritengo impossibile con un tv di nuova generazione (es. lcd), almeno per me. Fai conto che nella casa dove abito adesso è la mia unica tv :)
Ho appena effettuato una prova (di un minuto) ed ha deciso di riprendere a funzionare regolarmente ma è ovvio che dovrò eseguire un ulteriore refresh di elettrolitici perché l'ultimo risale all'inizio della stesura di questo thread.
Come detto ho sempre risolto appoggiandomi alla vostra esperienza e competenza perché io sono ignorantuccio ma so usare il saldatore, quindi... voi mi dite che devo fare ed io lo faccio :)
Alla luce di questa (temporanea?) risoluzione dell'ultima problematica indicata, confermi i consigli che hai dato? Devo però chiederti di essere più preciso, considera che in 1^ pagina ho messo gli schemi, quindi dovresti dirmi esattamente come si chiamano gli elementi che devo sostituire o solo controllare. Per il resto conosco i pericoli connessi a lavorare con questo tv ed ho sempre proceduto in sicurezza, tra l'altro ho anche cambiato l'eat ormai più di 10 anni fa.
Ho appena effettuato una prova (di un minuto) ed ha deciso di riprendere a funzionare regolarmente ma è ovvio che dovrò eseguire un ulteriore refresh di elettrolitici perché l'ultimo risale all'inizio della stesura di questo thread.
Come detto ho sempre risolto appoggiandomi alla vostra esperienza e competenza perché io sono ignorantuccio ma so usare il saldatore, quindi... voi mi dite che devo fare ed io lo faccio :)
Alla luce di questa (temporanea?) risoluzione dell'ultima problematica indicata, confermi i consigli che hai dato? Devo però chiederti di essere più preciso, considera che in 1^ pagina ho messo gli schemi, quindi dovresti dirmi esattamente come si chiamano gli elementi che devo sostituire o solo controllare. Per il resto conosco i pericoli connessi a lavorare con questo tv ed ho sempre proceduto in sicurezza, tra l'altro ho anche cambiato l'eat ormai più di 10 anni fa.
0
voti
Già la richiesta era difficile ed era intuibile che il problema provenisse dagli elettrolitici, ora te vuoi sapere il C.. che è guasto, come ti ha detto @banjoman, sostituisci gli elettrolitici sul primario dell'alimentatore, che saranno due o tre al massimo e poi gli altri che sono direttamente sui secondari del trasformatore e anche questi saranno due po tre, massimo quattro.
Tanto se ne sostituisci uno in più non fa male.
Tanto se ne sostituisci uno in più non fa male.
Alex
https://www.facebook.com/Elettronicaeelettrotecnica
<< vedi di pigliare arditamente in mano, il dizionario che ti suona in bocca,
se non altro è schietto e paesano.
(Giuseppe Giusti) <<
https://www.facebook.com/Elettronicaeelettrotecnica
<< vedi di pigliare arditamente in mano, il dizionario che ti suona in bocca,
se non altro è schietto e paesano.
(Giuseppe Giusti) <<
0
voti
Se gli elettrolitici che hai sostituito hanno pochi anni, non credo siano loro la causa.
Piuttosto darei un occhio agli altri elettrolitici sparsi qua e la' per la scheda, quelli piccolini da 1-4,7-10 uF per intenderci.
La temperatura interna nei Mivar a volte e' piutttosto alta col risultato che gli elettrolitici ne soffrono e si seccano. D'altronde i Mivar per costare cosi' poco erano fatti un po' al risparmio.
Mi ricordo un Mivar che mi ha fatto dannare finche' non ho trovato il colpevole: un condensatore elettrolitico da 2,2 uF montato presso l'integrato che genera i sincronismi.
Se hai tempo e pazienza, fai un recapping totale di tutti gli elettrolitici escludendo quelli che avevi gia' cambiato. Con 10 euro ti togli la paura
Max
Piuttosto darei un occhio agli altri elettrolitici sparsi qua e la' per la scheda, quelli piccolini da 1-4,7-10 uF per intenderci.
La temperatura interna nei Mivar a volte e' piutttosto alta col risultato che gli elettrolitici ne soffrono e si seccano. D'altronde i Mivar per costare cosi' poco erano fatti un po' al risparmio.
Mi ricordo un Mivar che mi ha fatto dannare finche' non ho trovato il colpevole: un condensatore elettrolitico da 2,2 uF montato presso l'integrato che genera i sincronismi.
Se hai tempo e pazienza, fai un recapping totale di tutti gli elettrolitici escludendo quelli che avevi gia' cambiato. Con 10 euro ti togli la paura
Max
Se funziona quasi bene, è tutto sbagliato. A.Savatteri/M.Mazza
0
voti
Altrimenti una via alternativa (più analitica) sarebbe quella di misurare tutti i condensatori con uno strumento adatto ( senza smontarli ) .
Prova a leggere questo articolo.
https://www.electroyou.it/stefanopc/wik ... ici-guasti
Ciao
Prova a leggere questo articolo.
https://www.electroyou.it/stefanopc/wik ... ici-guasti
Ciao
600 Elettra
0
voti
Quelli che hai cambiato, li hai messi con la stessa temperatura di quelli vecchi?
-

SediciAmpere
4.187 5 5 8 - Master

- Messaggi: 4847
- Iscritto il: 31 ott 2013, 15:00
0
voti
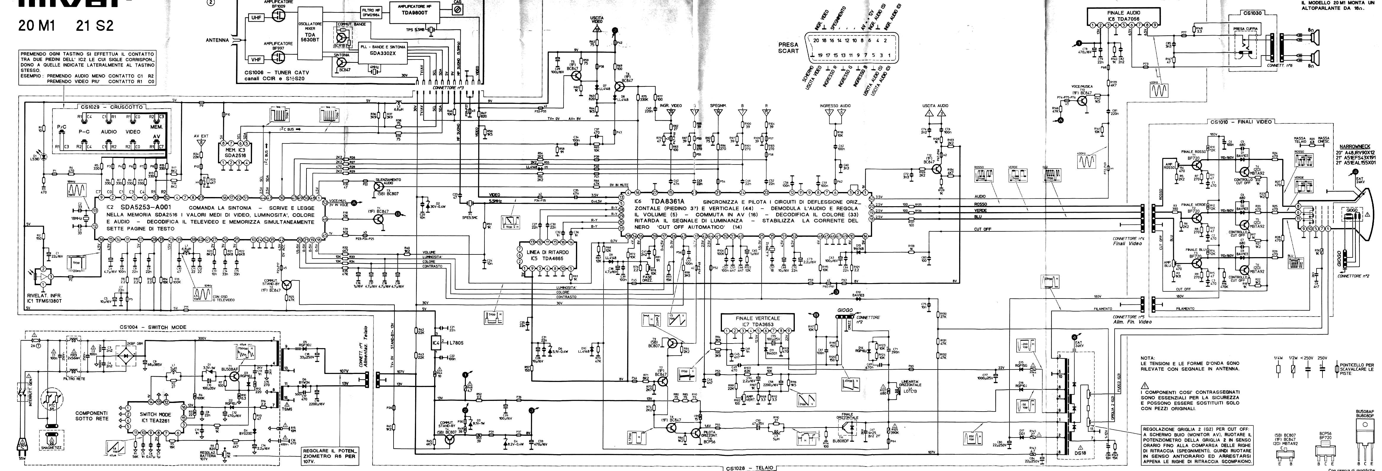
Non fraintendetemi, non pretendo che mi indichiate l'elemento guasto. Volevo solo farvi presente che, essendo molto tempo che non "mastico" tv, ho dimenticato un po' di nomenclatura e, se mi dite "primario", "secondario", etc., ormai non ricordo a cosa vi riferite :) Ripropongo in allegato lo schema complessivo delle piastre ed anche lo schema lato saldatura della piastra cs1028, così mi potete dire le "parti" che devo attenzionare.
Sinceramente non ricordo più cosa ho sostituito nel 2017, comunque se capitasse di sostituire qualche elemento 2 volte non casca il mondo, tanto costano pochi centesimi. Sulla temperatura non mi ricordo ugualmente ma ritengo di aver proceduto nel migliore dei modi perché faccio sempre esattamente quello che dite voi :)
Sinceramente non ricordo più cosa ho sostituito nel 2017, comunque se capitasse di sostituire qualche elemento 2 volte non casca il mondo, tanto costano pochi centesimi. Sulla temperatura non mi ricordo ugualmente ma ritengo di aver proceduto nel migliore dei modi perché faccio sempre esattamente quello che dite voi :)
2
voti
Non e' facile fare diagnosi corrette, a parole, su vecchi apparecchi tv o radio. Io ho una discreta collezione di apparecchi, funzionanti, ma e' difficile dare consigli o suggerimenti perche' spesso le parole non identificano esattamente il problema, ma serve l'utilizzo di strumenti, principalmente oscilloscopio e volmetro Inoltre non sempre gli schemi che accompagnano l'apparecchio riportano le tensioni e le forme d' onda che si dovrebbero rilevare nei vari punti di test.
un piccolo consiglio dai una occhiata a questo materiale
https://www.radioamatore.info/attachmen ... ti_crt.pdf
poi chiedi se quaLCHE PERSONa possiede lo schema dell'apparecchio che era inserito nei vari schemaRI CON I PUNTI ED I DATI DI DIAGNOSI, a meno che tu non lo possegga, con quello, un buon volmetro ed un oscilloacopio potrai seguire il sgnale e fare un lavoro pulito e poco pericoloso.
Nella mia lunga vita, ho 82 anni, ho visto molti televisori fritti in modo definitivo da parte di persone che procedevano per tentativi. Ricordo un videoproiettore degli anni '60, un gioiello un pezzo storico ed unico, irrimediabilmente rovinato da vari tentativi di riparazione, poi ci accorgemmo che era solo una saldatura fredda, ma ormai avevano rovinato le bobine di oscillazione ormai irrimediabilmente cotte e non piu'' rticostruibili.
Tra l'altro avevo gli schemari completi della Mivar, ma ho venduto tutto insieme ad un paio di tv ad radiamatore di Modena nel 2014, non avevo piu' posto e data l'eta' mi sono dedicato principalmente a computer e a radio ante 1950.
Buon lavoro
Carlo
un piccolo consiglio dai una occhiata a questo materiale
https://www.radioamatore.info/attachmen ... ti_crt.pdf
poi chiedi se quaLCHE PERSONa possiede lo schema dell'apparecchio che era inserito nei vari schemaRI CON I PUNTI ED I DATI DI DIAGNOSI, a meno che tu non lo possegga, con quello, un buon volmetro ed un oscilloacopio potrai seguire il sgnale e fare un lavoro pulito e poco pericoloso.
Nella mia lunga vita, ho 82 anni, ho visto molti televisori fritti in modo definitivo da parte di persone che procedevano per tentativi. Ricordo un videoproiettore degli anni '60, un gioiello un pezzo storico ed unico, irrimediabilmente rovinato da vari tentativi di riparazione, poi ci accorgemmo che era solo una saldatura fredda, ma ormai avevano rovinato le bobine di oscillazione ormai irrimediabilmente cotte e non piu'' rticostruibili.
Tra l'altro avevo gli schemari completi della Mivar, ma ho venduto tutto insieme ad un paio di tv ad radiamatore di Modena nel 2014, non avevo piu' posto e data l'eta' mi sono dedicato principalmente a computer e a radio ante 1950.
Buon lavoro
Carlo
-

carlopavana
11,2k 3 9 12 - Master

- Messaggi: 315
- Iscritto il: 1 dic 2007, 21:54
30 messaggi
• Pagina 3 di 3 • 1, 2, 3
Chi c’è in linea
Visitano il forum: Nessuno e 174 ospiti

Elettrotecnica e non solo (admin)
Un gatto tra gli elettroni (IsidoroKZ)
Esperienza e simulazioni (g.schgor)
Moleskine di un idraulico (RenzoDF)
Il Blog di ElectroYou (webmaster)
Idee microcontrollate (TardoFreak)
PICcoli grandi PICMicro (Paolino)
Il blog elettrico di carloc (carloc)
DirtEYblooog (dirtydeeds)
Di tutto... un po' (jordan20)
AK47 (lillo)
Esperienze elettroniche (marco438)
Telecomunicazioni musicali (clavicordo)
Automazione ed Elettronica (gustavo)
Direttive per la sicurezza (ErnestoCappelletti)
EYnfo dall'Alaska (mir)
Apriamo il quadro! (attilio)
H7-25 (asdf)
Passione Elettrica (massimob)
Elettroni a spasso (guidob)
Bloguerra (guerra)






