Salve a tutti. devo filtrare una forma d'onda generata tramite un FPGA che viene convertita in analogico da una scheda AD/DA. Devo creare poi un loop che riporta il segnale sulla scheda.
Il segnale in ingresso devo filtrarlo con un filtro fir.
Sono partito da questo schema e volevo sapere se è l'approccio giusto:
Genero quindi una forma d'onda arbitraria il cui segnale viene trasformato in digitale .
Successivamente tramite il filtro fir viene filtrato e tale segnale va in ingresso al DAC .
il loop esterno quindi corrisponde a mandare il segnale di uscita in ingresso.
Grazie
Filtraggio flusso di dati
Moderatori:
carloc,
g.schgor,
BrunoValente,
IsidoroKZ
17 messaggi
• Pagina 1 di 2 • 1, 2
0
voti
Lo schema è generico, ma corretto.
Quale è la frequenza massima del segnale analogico? 10 kHz ?
e La risoluzione in bit del ADC e DAC ? 10 bit ?
A cosa serve il tutto ? Solo una applicazione didattica?
Che grado di filtro FIR adoperi (quanti passi) ?
Il FIR è passa basso, passa banda, notch, passa alto ?
Quale è la frequenza massima del segnale analogico? 10 kHz ?
e La risoluzione in bit del ADC e DAC ? 10 bit ?
A cosa serve il tutto ? Solo una applicazione didattica?
Che grado di filtro FIR adoperi (quanti passi) ?
Il FIR è passa basso, passa banda, notch, passa alto ?

0
voti
Buonasera, il tutto è a scopo didattico. In effetti sull'FPGA ci sta una guida per generare una forma d'onda arbitraria a scopo dimostrativo che devo utilizzare. Ci sta poi anche un tool per generare la forma d'onda ad una determinata frequenza.
Oltre a questo ci sta anche il file già preimpostato in verilog che è pronto per essere compilato.
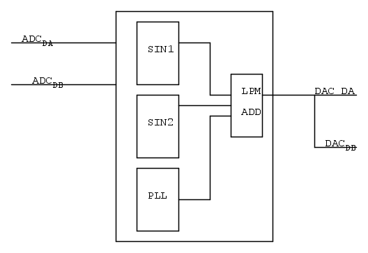
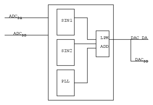
Nella prima foto è la netlist view del top module.
Nella seconda foto, l'esempio fa vedere che crea due funzioni e ci sta un altro modulo LPM add che le va a sommare. L'uscita DAC DA e DAC DB sono uguali.
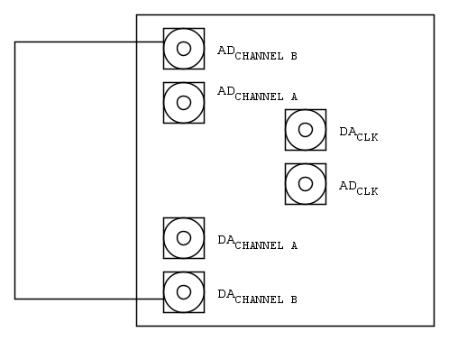
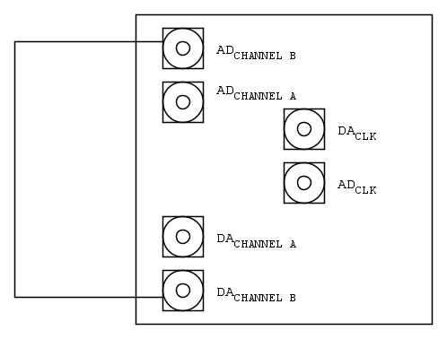
Sempre per visualizzare il segnale il manuale collega con il cavo l'uscita dac b ad adc b e fa vedere il segnale attenuato( perché viene ricostruito giusto?)
Inoltre immagino che per inserire il filtro Fir dovrei far riferimento al segnale ADC DB perché sarebbe il segnale "digitalizzato"
Oltre a questo ci sta anche il file già preimpostato in verilog che è pronto per essere compilato.
Nella prima foto è la netlist view del top module.
Nella seconda foto, l'esempio fa vedere che crea due funzioni e ci sta un altro modulo LPM add che le va a sommare. L'uscita DAC DA e DAC DB sono uguali.
Sempre per visualizzare il segnale il manuale collega con il cavo l'uscita dac b ad adc b e fa vedere il segnale attenuato( perché viene ricostruito giusto?)
Inoltre immagino che per inserire il filtro Fir dovrei far riferimento al segnale ADC DB perché sarebbe il segnale "digitalizzato"
0
voti
Utilizzo Altera de2-115 con HSMC . Ho a disposizione solo il listato verilog per generare la forma d'onda arbitraria. Ho inserito la Netlist- view .
Per quanto riguarda il loop devo collegare l'uscita del del dac, all'adc.
Il filtro fir prende in ingresso il segnale ADC_DB
Per quanto riguarda il loop devo collegare l'uscita del del dac, all'adc.
Il filtro fir prende in ingresso il segnale ADC_DB
0
voti
Leggendo il manuale mi fa collegare DA_CHANNEL B Ad AD_CHANNEL B .
Poi invece dalla netlis view ho :
il filtro fir seguendo questo schema avrà in ingresso adc_db .
Poi invece dalla netlis view ho :
il filtro fir seguendo questo schema avrà in ingresso adc_db .
1
voti
Quindi generi un segnale dalla FPGA, lo mandi al DAC collegto all'ADC, la cui uscita ritorna alla FPGA.
Non capisco il senso di questo loop. Il segnale lo puoi filtrare prima del DAC. Questo lo puoi usare per rappresentare in uscita il segnale filtrato e non, dato che ha due canali. Perché fare il loop ?
Usare il PLL della FPGA per il clock dell'ADC e DAC in genere è una brutta idea. Si dovrebbe valutare le prestazioni di jitter del PLL e quelle richieste dall'ADC e DAC. Essendo una applicazione didattica forse non è importante per lo scopo, in campo professionale invece si.
Lo schema e la netlist lo hai proposto tu, o lo ha proposto il professore ?

Non capisco il senso di questo loop. Il segnale lo puoi filtrare prima del DAC. Questo lo puoi usare per rappresentare in uscita il segnale filtrato e non, dato che ha due canali. Perché fare il loop ?
Usare il PLL della FPGA per il clock dell'ADC e DAC in genere è una brutta idea. Si dovrebbe valutare le prestazioni di jitter del PLL e quelle richieste dall'ADC e DAC. Essendo una applicazione didattica forse non è importante per lo scopo, in campo professionale invece si.
Lo schema e la netlist lo hai proposto tu, o lo ha proposto il professore ?

0
voti
La netlist view è praticamente sul CD della scheda ADA collegata all'FPGA.
Ci sta un paragrafo che spiega i vari passi da fare.
1) Use a SMA cable to connect DA-Channel B with AD-Channel B.
2) Click “Run Analysis” and observe signals ADC_DB and comb, which shows attenuated and original combinations of two sine waves, respectively.
questo è il signal tap dell'esempio
Il filtro fir deve prendere in ingresso il segnale ADC_DB giusto?
Ci sta un paragrafo che spiega i vari passi da fare.
1) Use a SMA cable to connect DA-Channel B with AD-Channel B.
2) Click “Run Analysis” and observe signals ADC_DB and comb, which shows attenuated and original combinations of two sine waves, respectively.
questo è il signal tap dell'esempio
Il filtro fir deve prendere in ingresso il segnale ADC_DB giusto?
0
voti
jayeffe ha scritto:Il filtro fir deve prendere in ingresso il segnale ADC_DB giusto?
Se il programma ti permette di graficare i valori dell' ADC, sì, dato che il DAC è collegato al canale B.
Non ho controllato la documentazione della scheda, ma direi che l'ADC non serve.

0
voti
Si posso graficare il segnale. L'unica cosa che non mi trovo
i due segnali dell'esempio LPM dataa e datab tramite LPM add vengono concatenati e questa è l'uscita del dac da e del dac db. Quindi questi due segnali sono gia digitali giusto?
Poi creando il loop con il cavo SMA e collegando DAC-DB ad ADC_DB ho il segnale che viene trasformato prima da digitale in analogico dal DAC e poi nuovamente in digitale.
i due segnali dell'esempio LPM dataa e datab tramite LPM add vengono concatenati e questa è l'uscita del dac da e del dac db. Quindi questi due segnali sono gia digitali giusto?
Poi creando il loop con il cavo SMA e collegando DAC-DB ad ADC_DB ho il segnale che viene trasformato prima da digitale in analogico dal DAC e poi nuovamente in digitale.
17 messaggi
• Pagina 1 di 2 • 1, 2
Chi c’è in linea
Visitano il forum: Nessuno e 74 ospiti

Elettrotecnica e non solo (admin)
Un gatto tra gli elettroni (IsidoroKZ)
Esperienza e simulazioni (g.schgor)
Moleskine di un idraulico (RenzoDF)
Il Blog di ElectroYou (webmaster)
Idee microcontrollate (TardoFreak)
PICcoli grandi PICMicro (Paolino)
Il blog elettrico di carloc (carloc)
DirtEYblooog (dirtydeeds)
Di tutto... un po' (jordan20)
AK47 (lillo)
Esperienze elettroniche (marco438)
Telecomunicazioni musicali (clavicordo)
Automazione ed Elettronica (gustavo)
Direttive per la sicurezza (ErnestoCappelletti)
EYnfo dall'Alaska (mir)
Apriamo il quadro! (attilio)
H7-25 (asdf)
Passione Elettrica (massimob)
Elettroni a spasso (guidob)
Bloguerra (guerra)






