Filtraggio flusso di dati
Moderatori:
carloc,
g.schgor,
BrunoValente,
IsidoroKZ
17 messaggi
• Pagina 2 di 2 • 1, 2
0
voti
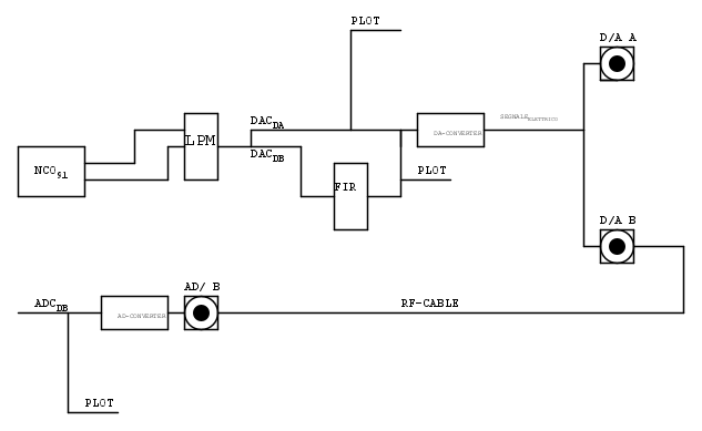
Analizzando meglio lo schema mi sorge un dubbio., il FIR FILTER non dovrebbe prendere in ingresso il segnale DAC-DB , poi tramite sMA creo il loop portando dac-db in Adc-db ?
Prima avevamo detto che doveva prendere ADC db.
Prima avevamo detto che doveva prendere ADC db.
0
voti
Come ti dicevo il filtro lo puoi mettere tra l'uscita di LPM_ADD e l'ingresso del DAC.
Quindi, FIR input = LPM_ADD output e DAC input = FIR output.
L'ADC non serve. Il DAC lo puoi usare per rappresentare il segnale non filtrato su un canale, e quello filtrato sull'altro. Immagino che puoi modificare il codice Verilog del progetto.

Quindi, FIR input = LPM_ADD output e DAC input = FIR output.
L'ADC non serve. Il DAC lo puoi usare per rappresentare il segnale non filtrato su un canale, e quello filtrato sull'altro. Immagino che puoi modificare il codice Verilog del progetto.

0
voti
Si mi trovo con quanto dice.
In effetti generato il segnale se metto il filtro che ha come ingresso DAC_DB avrei l'uscita filtrata, mentre in DAC_DA l'uscita non filtrata.
Tra le specifiche del mio progettino didattico però devo creare con i cavi un loop esterno che riporta sulla scheda il segnale di ingresso convertito in analogico
Credo che sul manuale questa cosa avviene con collegando DAC_DB con ADC_DB. (poi ci sta una procedura per calcolare la DFT dei due segnali .
Se ho inteso bene :
NCO_91 è il blocchetto che genera le forme d'onda e LPM le va a sommare.
DAC_DA e DAC_DB sono i due segnali digitali corrispondenti alla somma delle funzioni sommate con LPM Add.
Quartus permette di visualizzare il signal tap di questi due segnali.
Quindi estraendo e plottando in matlab, facendo la FFT normalised ho lo spettro del segnale DAC DA.
Faccio la stessa cosa con DAC DB e ho lo spettro del segnale Filtrato. (quindi nel dominio delle frequenze)
Poi se collegassi all'oscilloscopio uno dei due canali, vedrei il segnale nel dominio del tempo.
Spero di aver capito fino a qui
Il loop esterno tramite RF deve riportare il segnale alla scheda ADDA collegata all'fpga, perché deve filtrare in real time :
Quindi in questo caso collego con il cavo RF ADC_DB ed AD/B , sarebbe questo il loop esterno?
in realtà in questo modo riporto il segnale sulla stessa scheda, convertito .
Non credo che posso chiudere il loop... perché va chiuso sulla scheda
metto un altro schema:
Inoltre tramite un utility fornita posso generare una forma d'onda a piacere, perciò è "filtraggio real time"
Grazie per il supporto.
In effetti generato il segnale se metto il filtro che ha come ingresso DAC_DB avrei l'uscita filtrata, mentre in DAC_DA l'uscita non filtrata.
Tra le specifiche del mio progettino didattico però devo creare con i cavi un loop esterno che riporta sulla scheda il segnale di ingresso convertito in analogico
Credo che sul manuale questa cosa avviene con collegando DAC_DB con ADC_DB. (poi ci sta una procedura per calcolare la DFT dei due segnali .
Se ho inteso bene :
NCO_91 è il blocchetto che genera le forme d'onda e LPM le va a sommare.
DAC_DA e DAC_DB sono i due segnali digitali corrispondenti alla somma delle funzioni sommate con LPM Add.
Quartus permette di visualizzare il signal tap di questi due segnali.
Quindi estraendo e plottando in matlab, facendo la FFT normalised ho lo spettro del segnale DAC DA.
Faccio la stessa cosa con DAC DB e ho lo spettro del segnale Filtrato. (quindi nel dominio delle frequenze)
Poi se collegassi all'oscilloscopio uno dei due canali, vedrei il segnale nel dominio del tempo.
Spero di aver capito fino a qui
Il loop esterno tramite RF deve riportare il segnale alla scheda ADDA collegata all'fpga, perché deve filtrare in real time :
Quindi in questo caso collego con il cavo RF ADC_DB ed AD/B , sarebbe questo il loop esterno?
in realtà in questo modo riporto il segnale sulla stessa scheda, convertito .
Non credo che posso chiudere il loop... perché va chiuso sulla scheda
metto un altro schema:
Inoltre tramite un utility fornita posso generare una forma d'onda a piacere, perciò è "filtraggio real time"
Grazie per il supporto.
0
voti
Nella pagina principale della scheda di acquisizione hai il progetto di esempio, sezione Resources, login e download del contenuto del CDROM,
https://www.terasic.com.tw/cgi-bin/page ... 0&PartNo=1
Compilato con quartus 20.1.
Dalla documentazione si vede che il FIR lo mettono dopo l'ADC.
Non hai che da studiarti l'esempio.

https://www.terasic.com.tw/cgi-bin/page ... 0&PartNo=1
Compilato con quartus 20.1.
Dalla documentazione si vede che il FIR lo mettono dopo l'ADC.
Non hai che da studiarti l'esempio.

0
voti
Tutto chiaro. Quindi il loop per portare nuovamente il segnale in ingresso con Cavi RF corrisponde a quello in foto che collega DAC ad ADC?
la scheda che ho io è diversa da quella, ma penso che a livello di ragionamento sono simili
https://www.terasic.com.tw/cgi-bin/page/archive.pl?Language=English&CategoryNo=73&No=278&PartNo=2
la scheda che ho io è diversa da quella, ma penso che a livello di ragionamento sono simili
https://www.terasic.com.tw/cgi-bin/page/archive.pl?Language=English&CategoryNo=73&No=278&PartNo=2
0
voti
jayeffe ha scritto:Quindi il loop per portare nuovamente il segnale in ingresso con Cavi RF corrisponde a quello in foto che collega DAC ad ADC?
Esatto.
È tipico di questi esempi, con dispositivi in cui vi sono canali di entrata ed uscita. iI produtori offrono un esempio di loopback, cosi hanno 2 esempi in 1.
jayeffe ha scritto:la scheda che ho io è diversa da quella, ma penso che a livello di ragionamento sono simili
Visto. Non vedo il filtro nell'esempio del link che hai linkato tu. Prendi spunto da quella che ti ho linkato io.

17 messaggi
• Pagina 2 di 2 • 1, 2
Chi c’è in linea
Visitano il forum: Nessuno e 177 ospiti

Elettrotecnica e non solo (admin)
Un gatto tra gli elettroni (IsidoroKZ)
Esperienza e simulazioni (g.schgor)
Moleskine di un idraulico (RenzoDF)
Il Blog di ElectroYou (webmaster)
Idee microcontrollate (TardoFreak)
PICcoli grandi PICMicro (Paolino)
Il blog elettrico di carloc (carloc)
DirtEYblooog (dirtydeeds)
Di tutto... un po' (jordan20)
AK47 (lillo)
Esperienze elettroniche (marco438)
Telecomunicazioni musicali (clavicordo)
Automazione ed Elettronica (gustavo)
Direttive per la sicurezza (ErnestoCappelletti)
EYnfo dall'Alaska (mir)
Apriamo il quadro! (attilio)
H7-25 (asdf)
Passione Elettrica (massimob)
Elettroni a spasso (guidob)
Bloguerra (guerra)




