Ritardare segnale in uscita
Moderatori:
carloc,
g.schgor,
BrunoValente,
IsidoroKZ
0
voti
Wow sei stato gentilissimo.
Domani lo studio meglio anche se già ho visto che il relè in mio possesso ha un'impedenza di circa 400ohm... ne cercherò un altro...
a proposito, qualcuno sa consigliarmi uno shop online dove comprare questi componenti?
Grazie.
Domani lo studio meglio anche se già ho visto che il relè in mio possesso ha un'impedenza di circa 400ohm... ne cercherò un altro...
a proposito, qualcuno sa consigliarmi uno shop online dove comprare questi componenti?
Grazie.
0
voti
maxs84 ha scritto:il relè in mio possesso ha un'impedenza di circa 400ohm... ne cercherò un altro...
Perche' ne vuoi cercare un altro? 400 > 100.
Quello che hai va bene e potremmo fare una prova con lo schema che pubblico qui sotto
maxs84 ha scritto:sa consigliarmi uno shop online dove comprare questi componenti?
Prima di comprare dicci cosa hai nel cassetto.
0
voti
Pensavo che il valore della Zb doveva essere uguale a 100ohm.
Nel cassetto ho poco o nulla, non creo progetti dai tempi delle superiori quando di nascosto mi fornivo dai magazzini del laboratorio ihihi
Quindi devo comprare tutto tranne il relè che potrei "riciclare" da quello temporizzato che avevo comprato a questo scopo.
Nel cassetto ho poco o nulla, non creo progetti dai tempi delle superiori quando di nascosto mi fornivo dai magazzini del laboratorio ihihi
Quindi devo comprare tutto tranne il relè che potrei "riciclare" da quello temporizzato che avevo comprato a questo scopo.
0
voti
Per una temporizzazione su entrambi i fronti:
0
voti
g.schgor ha scritto:Per una temporizzazione su entrambi i fronti:
Grazie... ma l'uscita di una not ha abbastanza corrente per eccitare un relè oppure bisogna aggiungere un transistor?
0
voti
Se all'uscita metti in parallelo le 5 porte rimanenti del 40106 le correnti si sommano 
(ovviamente se il rele' non assorbe piu della corrente che possono dare le 5 porte insieme)
EDIT: ci siamo sovrapposti
(ovviamente se il rele' non assorbe piu della corrente che possono dare le 5 porte insieme)
EDIT: ci siamo sovrapposti
"Sopravvivere" e' attualmente l'unico lusso che la maggior parte dei Cittadini italiani,
sia pure a costo di enormi sacrifici, riesce ancora a permettersi.
sia pure a costo di enormi sacrifici, riesce ancora a permettersi.
-

Etemenanki
9.517 3 6 10 - Master

- Messaggi: 5940
- Iscritto il: 2 apr 2021, 23:42
- Località: Dalle parti di un grande lago ... :)
0
voti
Il relè lo dovrei comprare oppure riciclare jqc3f che è montato su relè temporizzato (foto nel primo post).
Non so se hai letto ma il tutto verrebbe alimentato dalla batteria di una macchina... quindi credo che nel tuo circuito manchi la parte che porti l'alimentazione a +5 v...
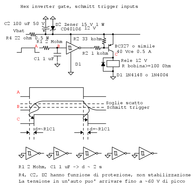
Il segnale di ingresso va adattato o le porte not accettano +14,4V come livello alto?
Infine, qual è la R che interviene nel ritardo? Posso sostituirla con un trimmer?
Non so se hai letto ma il tutto verrebbe alimentato dalla batteria di una macchina... quindi credo che nel tuo circuito manchi la parte che porti l'alimentazione a +5 v...
Il segnale di ingresso va adattato o le porte not accettano +14,4V come livello alto?
Infine, qual è la R che interviene nel ritardo? Posso sostituirla con un trimmer?
0
voti
elfo ha scritto:
Scusami ma C1 è 1 uF giusto?
perché nei dati sotto indichi 2 uF... credo sia un errore...
Se volessi mettere un trimer a posto della R1?
con C1 = 1 uF se volessi regolare il tempo da 1 a 5 secondi mi servirebbe un trimer da 4,7 Mohm giusto?
Oppure potrei usare C1 = 2,2 uF e R1 2,2 Mhom?
Eventualmente, devo prevere una R in serie al trimmer in modo che anche quando è tutto chiuso la R1 totale non sia zero?
Grazie.
Chi c’è in linea
Visitano il forum: Nessuno e 80 ospiti

Elettrotecnica e non solo (admin)
Un gatto tra gli elettroni (IsidoroKZ)
Esperienza e simulazioni (g.schgor)
Moleskine di un idraulico (RenzoDF)
Il Blog di ElectroYou (webmaster)
Idee microcontrollate (TardoFreak)
PICcoli grandi PICMicro (Paolino)
Il blog elettrico di carloc (carloc)
DirtEYblooog (dirtydeeds)
Di tutto... un po' (jordan20)
AK47 (lillo)
Esperienze elettroniche (marco438)
Telecomunicazioni musicali (clavicordo)
Automazione ed Elettronica (gustavo)
Direttive per la sicurezza (ErnestoCappelletti)
EYnfo dall'Alaska (mir)
Apriamo il quadro! (attilio)
H7-25 (asdf)
Passione Elettrica (massimob)
Elettroni a spasso (guidob)
Bloguerra (guerra)





