discussione "quando usare i microcontrollori"
Moderatori:
carloc,
g.schgor,
BrunoValente,
IsidoroKZ
39 messaggi
• Pagina 4 di 4 • 1, 2, 3, 4
5
voti
Se dovessimo montare quei circuiti, sia la versione di
djnz che quella di
dadduni, sulla mia vecchia Fiat 500, si distruggerebbero un millisecondo dopo la messa in moto del motore: sull'alimentazione ci sono picchi di una trentina di volt, quindi non se ne verrebbe fuori senza l'aggiunta di un regolatore o comunque di un circuito tosatore che complicherebbe ancora il circuito.
Una trentina di anni fa feci un antifurto per la 500 con logica 4000 e, molto ingenuamente, la collegai direttamente all'alimentazione generale del veicolo, fidando sul fatto che la serie 4000 sopporta fino a 18V. Dopo aver sostituito l'integrato un po' di volte dovetti mettere mano all'oscilloscopio e scoprii l'arcano...
Direi comunque che già nella versione di
dadduni, più semplice, siamo sullo stesso livello di complessità di quella con la serie 4000, con la differenza che la serie 4000 non assorbendo corrente rende semplicissimi gli accorgimenti da prendere per le sovratensioni.
Faccio notare che nel circuito di ingresso di
dadduni, a parte l'assenza della resistenza di pull-down che ovviamente è necessaria, il circuito filtrante ha già un effetto ritardante, per cui aumentando opportunamente il valore del condensatore si riuscirebbe già solo con quello ad ottenere quello che serve a
maxs84, cioè un ritardo di un paio di secondi all'eccitazione e altrettanti alla diseccitazione senza alcuna pretesa di precisione, quindi l'arduino che sta in mezzo sarebbe del tutto inutile.
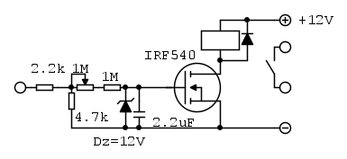
Alla luce di tutto questo il circuito che io consiglierei a
maxs84 e che monterei anche sulla mia 500, è il seguente
Faccio notare ancora che questo circuito, nella sua semplicità, ha dalla sua non pochi vantaggi rispetto alla versione con arduino: si monta in 10 minuti su basetta millefori, a riposo non assorbe corrente, non ha bisogno di filtri sull'alimentazione, sopporta tensioni fino a 100V, non ha bisogno di essere programmato, è intrinsecamente robusto, non utilizza condensatori elettrolitici, non utilizza integrati, non serve il computer per regolare il ritardo, il suo funzionamento si basa su una legge fisica semplice, quindi è intellettualmente più elegante
, contribuisce quasi niente all'aumento dell'entropia dell'universo

Mi pare evidente che l'uso del micro per questa applicazione, viste anche quali sono le esigenze di
maxs84, come giustamente fa notare anche
djnz, farebbe acqua da tutti i punti di vista e a questo punto voglio precisare che il mio intervento nell'altro thread a favore di una soluzione "analogica", come piace dire a dadduni, si riferiva SOLO al timer in questione.
Non ho assolutamente nulla in contrario all'uso dei microcontrollori: li considero oggetti importantissimi che hanno determinato il miglioramento della nostra società degli ultimi 40 anni in infiniti settori.
Ho invece da ridire sull'uso improprio che troppo spesso se ne fa, come in questo caso... credo si sia capito.
E' ovvio che se a chieder aiuto non fosse stato
maxs84, che vuole una cosa semplice da montare senza difficoltà e per niente precisa, ma fosse stato un costruttore di timer che avesse avuto la necessità di venderli e che non si sarebbe accontentato di poca precisione e che magari avrebbe anche gradito la possibilità di modificarli in futuro, la soluzione con microcontrollore l'avrei presa in considerazione... ma è tutta un'altra questione.
Quindi, ribadisco: per rispondere alla domanda del titolo del thread, dico che i microcontrollori andrebbero usati solo ed esclusivamente quando serve usare i microcontrollori.
Tranquillo
dadduni, non mi sono offeso, è che nel retrocranio ho l'idea che un esperto di microcontrollori venga dal mondo dell'elettronica e che nel suo percorso formativo sia passato per la trafila dell'analogica senza la quale in questo campo non si va da nessuna parte. Non mi offendo, figurati, ma mi sorprendo quando sento dire così.
Una trentina di anni fa feci un antifurto per la 500 con logica 4000 e, molto ingenuamente, la collegai direttamente all'alimentazione generale del veicolo, fidando sul fatto che la serie 4000 sopporta fino a 18V. Dopo aver sostituito l'integrato un po' di volte dovetti mettere mano all'oscilloscopio e scoprii l'arcano...
Direi comunque che già nella versione di
Faccio notare che nel circuito di ingresso di
Alla luce di tutto questo il circuito che io consiglierei a
Faccio notare ancora che questo circuito, nella sua semplicità, ha dalla sua non pochi vantaggi rispetto alla versione con arduino: si monta in 10 minuti su basetta millefori, a riposo non assorbe corrente, non ha bisogno di filtri sull'alimentazione, sopporta tensioni fino a 100V, non ha bisogno di essere programmato, è intrinsecamente robusto, non utilizza condensatori elettrolitici, non utilizza integrati, non serve il computer per regolare il ritardo, il suo funzionamento si basa su una legge fisica semplice, quindi è intellettualmente più elegante
Mi pare evidente che l'uso del micro per questa applicazione, viste anche quali sono le esigenze di
Non ho assolutamente nulla in contrario all'uso dei microcontrollori: li considero oggetti importantissimi che hanno determinato il miglioramento della nostra società degli ultimi 40 anni in infiniti settori.
Ho invece da ridire sull'uso improprio che troppo spesso se ne fa, come in questo caso... credo si sia capito.
E' ovvio che se a chieder aiuto non fosse stato
Quindi, ribadisco: per rispondere alla domanda del titolo del thread, dico che i microcontrollori andrebbero usati solo ed esclusivamente quando serve usare i microcontrollori.
Tranquillo
-

BrunoValente
39,6k 7 11 13 - G.Master EY

- Messaggi: 7796
- Iscritto il: 8 mag 2007, 14:48
0
voti
A me piacciono tutte e tre, le possibilità, ognuna con le sue caratteristiche buone e le sue peculiarità che possono dare probemi.
Come dicevo, dipende appunto dalla sensibilità del progettista, analizzare i punti a favore e quelli a sfavore, optando per quale cirucuito usare, a volte si valuta male, magari si sottovaluta il problema di alimentazione ed i relativi spike ed allora è meglio il circuito semplice e robusto di
A volte si baglia a dare il giusto peso alla cosa che darà maggiori problemi, ma sbagliare è "umano".
Per me l'importante è sempre porsi le domande, cosa devo ottenere, e da dove parto, partire a testa bassa con un circuito che "deve" andare bene a prescindere, soltamente non è la soluzione migliore.
Saluti.

-

lelerelele
4.899 3 7 9 - Master

- Messaggi: 5505
- Iscritto il: 8 giu 2011, 8:57
- Località: Reggio Emilia
3
voti
guzz ha scritto:la soluzione migliore per Tizio (tecnico esperto nell'analogico, scarso nell'uso dei micro) potrebbe essere completamente diversa dalla soluzione migliore per Caio (scarso nell'analogico ed esperto di micro)...
Personalmente sono scarso nel campo digitale, nel campo dei microcontrollori, de microprocessori, FPGA e quant' altro, ma soprattutto in campo analogico, ciononostante per il problema in questione opterei per il circuito proposto da
Ovunque si parla di crisi dei chip, ecosostenibilità, dominio cinese e belinate varie, e poi ogni volta che abbiamo bisogno delle cose piu banali siamo pronti a comprare un Bazooka cinese per sparare a una zanzara (io per primo
Ovviamente questo vale principalmente per l' hobbista, a livello industriale è un altro discorso..., anche se nel caso specifico nemmeno troppo.
Ecco, la mia l' ho detta, ora potetre lapidarmi.
PS: L' altro motivo per cui avrei scelto la soluzione proposta da

0
voti
Per questo mi piace "discutere" con persone intelligenti, si impara sempre e ne esce qualcosa di utile, grande grazie a
BrunoValente e a tutti i partecipanti alla conversazoine!
0
voti
Volendo essere assolutamente oggettivi usare un mosfet da oltre 25 A per pilotare un relè potrebbe essere un filino eccessivo.
Poi se il cassetto dei mosfet è stracolmo in quel caso va benone .
Ciao
Poi se il cassetto dei mosfet è stracolmo in quel caso va benone .
Ciao
600 Elettra
0
voti
Bella questa. Una risata fa sempre bene al mattino.stefanopc ha scritto:Volendo essere assolutamente oggettivi usare un mosfet da oltre 25 A per pilotare un relè potrebbe essere un filino eccessivo.
Poi se il cassetto dei mosfet è stracolmo in quel caso va benone .
Ciao
saluti.
-

lelerelele
4.899 3 7 9 - Master

- Messaggi: 5505
- Iscritto il: 8 giu 2011, 8:57
- Località: Reggio Emilia
1
voti
No, non mi pare esagerato, costa poco ed è in formato TO220 e montandolo senza dissipatore sarebbe in grado di dissipare al massimo un paio di watt, comunque se si vuole ce ne sono tanti che sopportano correnti massime più basse ma alla fine siamo lì, il concetto è quello.
... in confidenza ho scelto quel tipo perché quella sigla è la prima che mi viene in mente quando penso ad un mosfet e non mi andava di scartabellare il datasheet

... in confidenza ho scelto quel tipo perché quella sigla è la prima che mi viene in mente quando penso ad un mosfet e non mi andava di scartabellare il datasheet
-

BrunoValente
39,6k 7 11 13 - G.Master EY

- Messaggi: 7796
- Iscritto il: 8 mag 2007, 14:48
39 messaggi
• Pagina 4 di 4 • 1, 2, 3, 4
Chi c’è in linea
Visitano il forum: Nessuno e 194 ospiti

Elettrotecnica e non solo (admin)
Un gatto tra gli elettroni (IsidoroKZ)
Esperienza e simulazioni (g.schgor)
Moleskine di un idraulico (RenzoDF)
Il Blog di ElectroYou (webmaster)
Idee microcontrollate (TardoFreak)
PICcoli grandi PICMicro (Paolino)
Il blog elettrico di carloc (carloc)
DirtEYblooog (dirtydeeds)
Di tutto... un po' (jordan20)
AK47 (lillo)
Esperienze elettroniche (marco438)
Telecomunicazioni musicali (clavicordo)
Automazione ed Elettronica (gustavo)
Direttive per la sicurezza (ErnestoCappelletti)
EYnfo dall'Alaska (mir)
Apriamo il quadro! (attilio)
H7-25 (asdf)
Passione Elettrica (massimob)
Elettroni a spasso (guidob)
Bloguerra (guerra)





