Cos'è ElectroYou | Login Iscriviti

ElectroYou - la comunità dei professionisti del mondo elettrico

Caricabatterie 24BC8000T-4!

Tecniche per la costruzione e la riparazione di apparecchiature elettriche e non. Ricerca guasti. Adattamenti e riutilizzazioni
1
voti

[11] Re: Caricabatterie 24BC8000T-4!

Messaggioda Foto UtenteFranco012 » 4 feb 2022, 15:01

setteali ha scritto:Quel modulo lo danno per caricare batterie al litio, non so se va bene anche per batterie al piombo.

Da quel che ho capito, quel modulo serve più che altro per mantenere costantemente carica una batteria al litio, provvedendo ad accendere/spegnere il relativo caricabatterie (per batterie al litio).
Non è assolutamente adatto nel tuo caso, sia per il fatto che l'utilizzo è previsto solo per batterie al litio, ma soprattutto perché non puoi utilizzare un caricabatterie da 24 volt su una batteria da 12 volt senza provocare seri danni.
Big fan of ƎlectroYou
Avatar utente
Foto UtenteFranco012
5.842 3 4 8
G.Master EY
G.Master EY
 
Messaggi: 2713
Iscritto il: 8 ago 2015, 19:40
Località: Sardegna

0
voti

[12] Re: Caricabatterie 24BC8000T-4!

Messaggioda Foto Utentemario663 » 4 feb 2022, 15:30

setteali ha scritto:Ciao Mario, ben riletto.

O_/
setteali ha scritto:Ho corretto il link, perché come diceva Ivo O_/ , non funzionava, mancava la " h ".


Grazie :ok:

setteali ha scritto:Quel modulo lo danno per caricare batterie al litio, non so se va bene anche per batterie al piombo.
Cosa ne dici Ivo?

Anche io avevo letto per batteria a litio poi nella descrizione dell prodotto è dall'immagine dice batteria generica perciò ho postato l'immagine!
Avatar utente
Foto Utentemario663
1.570 4 4 6
Expert
Expert
 
Messaggi: 2022
Iscritto il: 29 mag 2013, 11:46

0
voti

[13] Re: Caricabatterie 24BC8000T-4!

Messaggioda Foto Utentegianniniivo » 4 feb 2022, 15:31

Ciao Alex, ciao Foto UtenteFranco012.

Quel circuitino l’ho acquistato anch’io.

Non svolge nessuna attività di controllo della corrente di carica e va bene per qualsiasi batteria. L’unico controllo che svolge riguarda le soglie di start e stop impostate per la carica della batteria ma la corrente di carica dipende dalla sorgente o deve essere regolata a valle del controllo di soglia e prima della batteria.

Meglio quello di NE che abbiamo modificato, almeno basta aggiungere un trasformatore o un alimentatore con i valori massimi richiesti e al resto ci pensa il regolatore di carica. :D

In più, il regolatore indicato nel link, ha anche il difettuccio che hanno quasi tutti quei regolatori: se si stacca una pinza durante la carica non presidiata della batteria, il relè inizia ad aprirsi e chiudersi all'infinito.
Avatar utente
Foto Utentegianniniivo
9.035 7 11 13
No Rank
 
Messaggi: 2874
Iscritto il: 5 feb 2019, 23:50

0
voti

[14] Re: Caricabatterie 24BC8000T-4!

Messaggioda Foto Utentemario663 » 4 feb 2022, 15:34

Franco012 ha scritto:
Non è assolutamente adatto nel tuo caso, sia per il fatto che l'utilizzo è previsto solo per batterie al litio, ma soprattutto perché non puoi utilizzare un caricabatterie da 24 volt su una batteria da 12 volt senza provocare seri danni.

Salve è grazie per essere intervenuto....conosci qualche altro modulino che può fare ciò? Grazie!
Avatar utente
Foto Utentemario663
1.570 4 4 6
Expert
Expert
 
Messaggi: 2022
Iscritto il: 29 mag 2013, 11:46

0
voti

[15] Re: Caricabatterie 24BC8000T-4!

Messaggioda Foto Utentemario663 » 4 feb 2022, 16:15

gianniniivo ha scritto:Quel circuitino l’ho acquistato anch’io...va bene per qualsiasi batteria.


Quindi è come dicevo io....è valido per qualsiasi batteria!

gianniniivo ha scritto:Meglio quello di NE che abbiamo modificato, almeno basta aggiungere un trasformatore o un alimentatore con i valori massimi richiesti e al resto ci pensa il regolatore di carica. :D
.

Posso vedere il link dove si è discusso di questo di nuova elettronica? è possibile adattarlo a questo in discussione? Grazie!
Avatar utente
Foto Utentemario663
1.570 4 4 6
Expert
Expert
 
Messaggi: 2022
Iscritto il: 29 mag 2013, 11:46

0
voti

[16] Re: Caricabatterie 24BC8000T-4!

Messaggioda Foto Utentegianniniivo » 4 feb 2022, 16:31

Ciao mario663.

Si, in astratto va bene per qualsiasi batteria perché quel circuitino si limita a rispettare delle soglie di accensione e spegnimento impostate e non di una carica nel senso ampio del termine. Lui “sa” solo che deve eccitare il relè quando la tensione scende sotto una certa soglia e deve diseccitare il relè quando la tensione raggiunge la soglia di tensione massima impostata, non cosa sta caricando e a quanto sta caricando. La carica dovrebbe avvenire a cura di un generatore di corrente costante che quel circuitino non ha.

Quanto al caricabatterie di NE modificato è sempre qui su EY ma è stato dimensionato per batterie da 12V. Se lo si vuole utilizzare con batterie da 24 V va modificato.
Eccolo:
viewtopic.php?f=1&t=76973&start=370
Avatar utente
Foto Utentegianniniivo
9.035 7 11 13
No Rank
 
Messaggi: 2874
Iscritto il: 5 feb 2019, 23:50

0
voti

[17] Re: Caricabatterie 24BC8000T-4!

Messaggioda Foto Utentemario663 » 4 feb 2022, 17:09

gianniniivo ha scritto:. La carica dovrebbe avvenire a cura di un generatore di corrente costante che quel circuitino non ha.

A me mi servirebbe qualcosa che i 24 V dell 24BC8000T-4 me li trasforma a 12V !
Avatar utente
Foto Utentemario663
1.570 4 4 6
Expert
Expert
 
Messaggi: 2022
Iscritto il: 29 mag 2013, 11:46

0
voti

[18] Re: Caricabatterie 24BC8000T-4!

Messaggioda Foto Utentegianniniivo » 4 feb 2022, 17:30

Ma con quel regolatore che ho indicato puoi anche entrare a 24 V e uscire a 12. Ci pensa il regolatore di corrente a regolare gli ampere che decidi di impostare per la carica. La carica viene eseguita in corrente e non in tensione. Entrando a 24 V dovrai aumentare un po' le dimensioni dell'aletta di raffreddamento perché il filane scalderebbe un po' di più. Tutto qui, il resto lo fa il regolatore sulla base delle tue impostazioni.
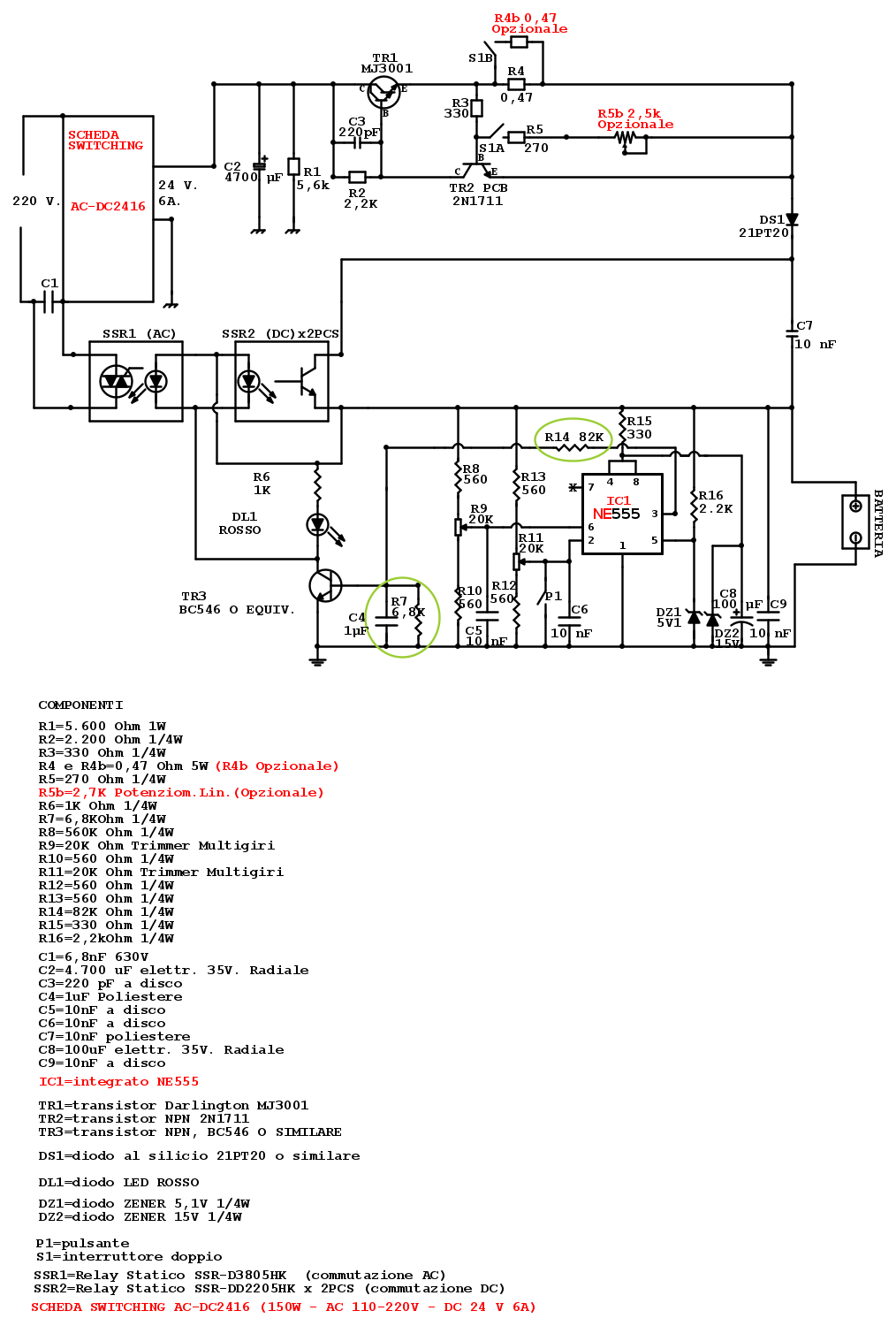
Se guardi lo schema si entra proprio con un modulo a 24 V.
Vado a memoria ma quella che segue dovrebbe essere l'ultima versione dello schema:
Avatar utente
Foto Utentegianniniivo
9.035 7 11 13
No Rank
 
Messaggi: 2874
Iscritto il: 5 feb 2019, 23:50

0
voti

[19] Re: Caricabatterie 24BC8000T-4!

Messaggioda Foto Utentegianniniivo » 4 feb 2022, 18:09

Se poi vuoi risparmiare e non mettere i relè statici, puoi utilizzare un relè elettromeccanico (a 12VDC) come il seguente:
questo

E il relativo zoccolo:
questo
Avatar utente
Foto Utentegianniniivo
9.035 7 11 13
No Rank
 
Messaggi: 2874
Iscritto il: 5 feb 2019, 23:50

0
voti

[20] Re: Caricabatterie 24BC8000T-4!

Messaggioda Foto Utentegianniniivo » 4 feb 2022, 18:12

Il relè lo puoi acquistare dallo stesso commerciante che vende lo zoccolo così ti arriva tutto con una sola spedizione. I relè costano cosi poco che se ne compri 2 ti durano almeno 10 anni...
Avatar utente
Foto Utentegianniniivo
9.035 7 11 13
No Rank
 
Messaggi: 2874
Iscritto il: 5 feb 2019, 23:50

PrecedenteProssimo

Torna a Costruzione, riparazione, riutilizzo

Chi c’è in linea

Visitano il forum: Nessuno e 8 ospiti