Innanzitutto grazie a tutti, bella questa discussione...
Spiego meglio:
Ho un frigo in cui all'interno devo mantenere un'umidità alta costante, con un umidificatore aggiungo umidità, ma ogni volta che il compressore del frigo parte, l'elemento raffreddante crea condensa, che va a depositarsi in una tanichetta sotto il frigo. La tanichetta che raccoglie la condensa e' stata pensata per un frigo con funzionalità normale, ha una serpentina del compressore, calda, attorno a spirale, per accelerare l'evaporazione, ma per la quantità di condensa che produco non basta. Quindi la tanica si riempie ogni 3 giorni circa e l'acqua va a finire fuori. Devo quindi togliere l'acqua in eccesso. Potrei forare la tanichetta e svuotarla per overflow, ma preferisco evitare. La difficoltà, per me, e' fare un circuito che la svuoti. Quando il sensore di MAX viene superato, parte la pompa, l'acqua scende fino a sotto il sensore di MIN, e la pompa si spegne. Forse lo schema di nicsergio e' quello giusto?
Le potenze in gioco sono piccolissime, la tanica stessa e' alta 15 cm, la micro pompa ad immersione e' da 3V, ed i sensori pure funzionano con i 3V.
Se volessi proprio semplificare, ho pensato a questo. Potrei utilizzare una presa con timer che si accende 5 minuti ogni giorno ed un solo sensore NO, sul minimo. Quando il timer chiude il circuito, se l'acqua e' sopra il sensore di MIN, la pompa parte, fino a quando l'acqua torna sotto il sensore. E così ogni giorno. Può funzionare?
Però sarebbe interessante anche il circuito con 2 sensori
Svuotamento automatico piccola tanica
Moderatori:
carloc,
g.schgor,
BrunoValente,
IsidoroKZ
1
voti
1
voti
La cosa più economica e veloce è usare un micro. Da AliExpress costa meno di 2 euro al pezzo. La programmazione di una cosa del genere è veramente semplice (Arduino nano).
Come alimenteresti il tutto? I sensori come sono? Che valori forniscono?
Come alimenteresti il tutto? I sensori come sono? Che valori forniscono?
0
voti
...utilizzare una presa con timer che si accende 5 minuti ogni giorno ed un solo sensore NO, sul minimo. Quando il timer chiude il circuito, se l'acqua e' sopra il sensore di MIN, la pompa parte, fino a quando l'acqua torna sotto il sensore. E così ogni giorno.
Per me funziona correttamente se svuoti preriodicamente prima che la tanica sia piena.
Se la pompa non si guasta se azionata a secco, potresti operare anche senza sensore di minino livello.
Però sarebbe interessante anche il circuito con 2 sensori
Anche questo funziona e bene quando la tanica è piena.
La scelta dipende dai componenti disponibili e dalla realizzazione meccanica.
Hai già pompa e livellostati ? sono montati meccanicamente bene nella tanica?
Non so se si trovano relè con bobina a 3 V, sono più diffusi a 5 e 12 V, male che vada metti un resistore in serie al motore per generare la caduta di tensione da 5-12 a 3 V.
La scelta di costo/convenienza è fra:
timer 5 minuti ogni 24 h oppure relè + livellostato alto livello.
1
voti
poisons ha scritto: Forse lo schema di nicsergio e' quello giusto?
Sì, per la tua applicazione va benissimo
-

SediciAmpere
4.187 5 5 8 - Master

- Messaggi: 4847
- Iscritto il: 31 ott 2013, 15:00
1
voti
drGremi ha scritto:La cosa più economica e veloce è usare un micro.
Francamente mi sembra di uccidere una mosca con una supernova.
Lo schema di
-

PietroBaima
90,7k 7 12 13 - G.Master EY

- Messaggi: 12206
- Iscritto il: 12 ago 2012, 1:20
- Località: Londra
0
voti
poisons ha scritto:Se volessi proprio semplificare, ho pensato a questo. Potrei utilizzare una presa con timer che si accende 5 minuti ogni giorno ed un solo sensore NO, sul minimo. Quando il timer chiude il circuito, se l'acqua e' sopra il sensore di MIN, la pompa parte, fino a quando l'acqua torna sotto il sensore. E così ogni giorno. Può funzionare?
Però sarebbe interessante anche il circuito con 2 sensori
Questo complicherebbe il circuito, invece di semplificarlo.
Avresti bisogno del circuito di
Hai già i sensori MAX e MIN o devi comprarli?
Vuoi un consiglio su quale relè comprare?
-

PietroBaima
90,7k 7 12 13 - G.Master EY

- Messaggi: 12206
- Iscritto il: 12 ago 2012, 1:20
- Località: Londra
0
voti
Condivido 16A e Pietro.
Nel post 3 avevo chiesto:
Se non hai risposto è perché non lo sai, in un progetto si deve definire tutto il più possibile. Hai capacità di saldare componenti o solo di cablare su morsetti?
( O come suggerisce drGremi di programmare Arduino ?).
Individua modello di relè e di motore-pompa.
I problemi maggiori saranno di metterli in un contenitore nell'ambiente di utilizzo (contenitore stagno?, a prova di polvere?, insetti?) e l'alimentatore da (presumo 220ac a +3-5-12 V) dove lo metti?
Dovrà funzionare senza problemi e manutenzione per mesi di seguito?
Nel post 3 avevo chiesto:
Che corrente assorbe il motorino della pompa?
Forse 3 V per alimentare un relè sono pochini.
I due sensori sono uguali fra loro?
Se non hai risposto è perché non lo sai, in un progetto si deve definire tutto il più possibile. Hai capacità di saldare componenti o solo di cablare su morsetti?
( O come suggerisce drGremi di programmare Arduino ?).
Individua modello di relè e di motore-pompa.
I problemi maggiori saranno di metterli in un contenitore nell'ambiente di utilizzo (contenitore stagno?, a prova di polvere?, insetti?) e l'alimentatore da (presumo 220ac a +3-5-12 V) dove lo metti?
Dovrà funzionare senza problemi e manutenzione per mesi di seguito?
0
voti
PietroBaima ha scritto:Francamente mi sembra di uccidere una mosca con una supernova.
Capisco il punto di vista, ma lo trovi un relè da meno di 2 euro (+ 50 cent per un MOSFET di potenza)?
E poi, vuoi un timer o un ritardo? Sono 2 righe di codice. Vuoi cambiare qualcosa? 2 righe di codice. Vuoi mettere un allarme se i sensori si guastano? Un cicalino e altre 2 righe di codice.
Poi se vogliamo ho una perversione personale, fare un circuito a porte logiche con transistor discreti. Onestamente però non ha senso come costi
Comunque servono le specifiche dei sensori, dell'alimentazione e della pompa
0
voti
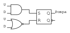
Aggiungo volendo fare un circuito logico
Ho fatto a naso, non ho fatto nessuna tabella logica quindi per quanto stamattina sono rimbambito potrei aver fatto fesserie, ma onestamente, sebbene mi divertirei a farla a componenti discreti, non avrebbe senso fare un PCB per questa cosa e farlo a mano diventa una pazzia.
Poi ovviamente esistono le porte logiche già fatte, ma costa 10 volte un arduino (se non di più). Facendo le porte cmos sono 16 transistor
Tra l'altro se disgraziatamente un sensore si rompe e si hanno letture alla qualunque la pompa potrebbe non fermarsi più. Con un micro possiamo farlo fermare dopo un certo periodo e magari se per esempio si attiva il sensore sopra, ma non il sotto possiamo direttamente mandare un chitemmuort
U sarebbe l'uscita upper (sensore di sopra) e D down, sensore di sotto. Dando per scontato i sensori diano valore alto o basso. Se danno un valore di mezzo possiamo anche friggere tutto
Ho fatto a naso, non ho fatto nessuna tabella logica quindi per quanto stamattina sono rimbambito potrei aver fatto fesserie, ma onestamente, sebbene mi divertirei a farla a componenti discreti, non avrebbe senso fare un PCB per questa cosa e farlo a mano diventa una pazzia.
Poi ovviamente esistono le porte logiche già fatte, ma costa 10 volte un arduino (se non di più). Facendo le porte cmos sono 16 transistor
Tra l'altro se disgraziatamente un sensore si rompe e si hanno letture alla qualunque la pompa potrebbe non fermarsi più. Con un micro possiamo farlo fermare dopo un certo periodo e magari se per esempio si attiva il sensore sopra, ma non il sotto possiamo direttamente mandare un chitemmuort
U sarebbe l'uscita upper (sensore di sopra) e D down, sensore di sotto. Dando per scontato i sensori diano valore alto o basso. Se danno un valore di mezzo possiamo anche friggere tutto
0
voti
Cerco di rispondere a tutti
Non credo più economica, ma sicuramente più complicata. Mi attirerebbe solo per la figaggine di usare un MC, ma penso proprio che sia inutile per quello che mi serva
Il sensore di minimo serve ad interrompere il circuito, altrimenti la pompa continuerebbe a funzionare anche senza acqua, bruciandosi. Per le tempistiche la tanica si riempie ogni 3-4 giorni, quindi avviarla ogni giorno riduce a zero il rischio che l'acqua strabordi. Se invece al contrario non si fosse riempita per nulla, la pompa non partirebbe perché il sensore del MIN non verrebbe attivato
No, non avrei bisogno del circuito. Solo una presa con timer ed un sensore di livello
Questi sono i sensori che avevo individuato.
https://www.aliexpress.com/item/1005002133648255.html
sono regolabili ed i due sensori possono essere sia NO che NC, basta girarli. E si, un consiglio per il rele' e' sempre ben accetto.
La pompetta che avevo in mente di utilizzare era questa
https://www.aliexpress.com/item/33043606727.html
e puo' andare sia a 3V che a 5V
drGremi ha scritto:La cosa più economica e veloce è usare un micro.
Non credo più economica, ma sicuramente più complicata. Mi attirerebbe solo per la figaggine di usare un MC, ma penso proprio che sia inutile per quello che mi serva
MarcoD ha scritto:Per me funziona correttamente se svuoti preriodicamente prima che la tanica sia piena.
Se la pompa non si guasta se azionata a secco, potresti operare anche senza sensore di minino livello.
Il sensore di minimo serve ad interrompere il circuito, altrimenti la pompa continuerebbe a funzionare anche senza acqua, bruciandosi. Per le tempistiche la tanica si riempie ogni 3-4 giorni, quindi avviarla ogni giorno riduce a zero il rischio che l'acqua strabordi. Se invece al contrario non si fosse riempita per nulla, la pompa non partirebbe perché il sensore del MIN non verrebbe attivato
No, non avrei bisogno del circuito. Solo una presa con timer ed un sensore di livello
PietroBaima ha scritto:Hai già i sensori MAX e MIN o devi comprarli?
Vuoi un consiglio su quale relè comprare?
Questi sono i sensori che avevo individuato.
https://www.aliexpress.com/item/1005002133648255.html
sono regolabili ed i due sensori possono essere sia NO che NC, basta girarli. E si, un consiglio per il rele' e' sempre ben accetto.
La pompetta che avevo in mente di utilizzare era questa
https://www.aliexpress.com/item/33043606727.html
e puo' andare sia a 3V che a 5V
Chi c’è in linea
Visitano il forum: Nessuno e 177 ospiti

Elettrotecnica e non solo (admin)
Un gatto tra gli elettroni (IsidoroKZ)
Esperienza e simulazioni (g.schgor)
Moleskine di un idraulico (RenzoDF)
Il Blog di ElectroYou (webmaster)
Idee microcontrollate (TardoFreak)
PICcoli grandi PICMicro (Paolino)
Il blog elettrico di carloc (carloc)
DirtEYblooog (dirtydeeds)
Di tutto... un po' (jordan20)
AK47 (lillo)
Esperienze elettroniche (marco438)
Telecomunicazioni musicali (clavicordo)
Automazione ed Elettronica (gustavo)
Direttive per la sicurezza (ErnestoCappelletti)
EYnfo dall'Alaska (mir)
Apriamo il quadro! (attilio)
H7-25 (asdf)
Passione Elettrica (massimob)
Elettroni a spasso (guidob)
Bloguerra (guerra)



pigreco]=π