Caricabatterie 24BC8000T-4!
0
voti
Ciao Mario, ho visto lo schema. Si vede che è molto semplice però forse troppo. In pratica dispone della carica massima e della mantenimento ma non puoi scegliere quale carica dare a seconda del tipo di batteria da caricare. Poi come fai con i 24 V? Quello è un alimentatore e non un regolatore a corrente costante.
-

gianniniivo
9.035 7 11 13 - No Rank
- Messaggi: 2874
- Iscritto il: 5 feb 2019, 23:50
0
voti
[quote="gianniniivo]. Poi come fai con i 24 V? Quello è un alimentatore e non un regolatore a corrente costante.[/quote]
Infatti io tengo sempre in considerazione il tuo progetto...per quanto riguarda la regolazione l'autore dice di aver posto un trimmer...boh!!
Infatti io tengo sempre in considerazione il tuo progetto...per quanto riguarda la regolazione l'autore dice di aver posto un trimmer...boh!!
0
voti
Si ha messo un trimmer ma per determinare la carica di mantenimento. Quel circuito sembrerebbe derivato da un circuito per lampade di emergenza. Per la carica normale ha solo la carica rapida e non mi sembra che sia l'ideale per tutte le batteria...
Comunque sto terminando lo schema con il relè elettromeccanico. Appena terminato lo pubblico.
Comunque sto terminando lo schema con il relè elettromeccanico. Appena terminato lo pubblico.
-

gianniniivo
9.035 7 11 13 - No Rank
- Messaggi: 2874
- Iscritto il: 5 feb 2019, 23:50
0
voti
gianniniivo ha scritto:Si ha messo un trimmer ma per determinare la carica di mantenimento. Quel circuito sembrerebbe derivato da un circuito per lampade di emergenza. Per la carica normale ha solo la carica rapida e non mi sembra che sia l'ideale per tutte le batteria...
Dici!!?? Sicuramente sará cosí!!
gianniniivo ha scritto:Comunque sto terminando lo schema con il relè elettromeccanico. Appena terminato lo pubblico.
Perfetto sè gentilmente puoi farmi avere anche lo sbroglio per farlo con il ferro da stiro sono senza PC!!
1
voti
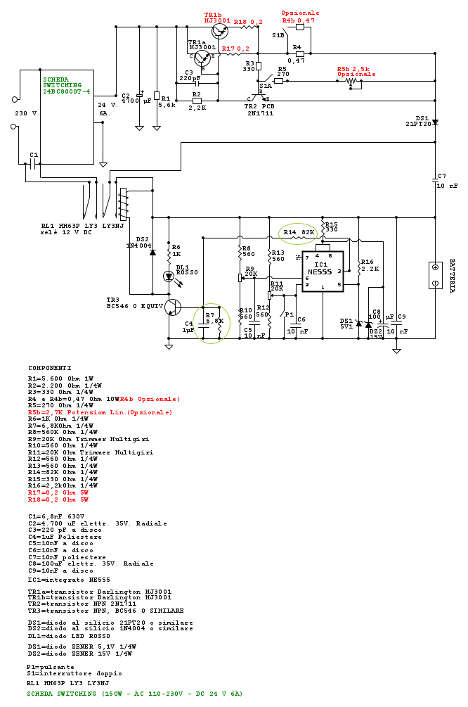
Ecco, questo è lo schema con il relè elettromeccanico e due finali. Le parti colorate in rosso sono opzionali. Dipende se vuoi avere la massima regolabilità in corrente oppure ti vanno bene due posizioni di erogazione a corrente costante commutabili. Il mio l’ho costruito completo. Le resistenze di compensazione dei due finali le ho indicate sullo schema perché così vuole la regola però nel mio non le ho messe dato che alla peggio uno dei due transistori potrebbe dover lavorare un po’ più dell’altro. Nel caso di un carica batterie ho ritenuto l’eventualità poco significativa, comunque decidi tu.
Una volta impostata la corrente massima che vuoi fargli erogare e piazzate le pinze, il dispositivo parte da solo e non lo devi più controllare perché quando la batteria è carica si spegne da solo. Se la batteria va in auto scarica riparte da solo.
C’è anche un pulsante per la partenza manuale nel caso la batteria fosse carica al punto da non richiedere la partenza automatica ma si volesse comunque dargli una rinfrescata.
La PCB l’ho fatta realizzare dai cinesi (5 pezzi) però forse si può realizzare anche con il ferro da stiro. Ci sarebbero da fare un paio di collegamenti anche sull'altra faccia della piastra ma andrebbero bene anche degli spezzoni di filo come cavallotto. Devo rivedere come fare perché è trascorso qualche anno e la mia memoria non è più tanto in forma.
Se avessi ancora un esemplare di PCB te lo regalerei ma credo di averli già regalati tutti. Credo di avere soltanto l’esemplare della mia realizzazione.
Controllerò.
Non so se ho completato la descrizione, eventualmente se avrai domande sono qui.
Una volta impostata la corrente massima che vuoi fargli erogare e piazzate le pinze, il dispositivo parte da solo e non lo devi più controllare perché quando la batteria è carica si spegne da solo. Se la batteria va in auto scarica riparte da solo.
C’è anche un pulsante per la partenza manuale nel caso la batteria fosse carica al punto da non richiedere la partenza automatica ma si volesse comunque dargli una rinfrescata.
La PCB l’ho fatta realizzare dai cinesi (5 pezzi) però forse si può realizzare anche con il ferro da stiro. Ci sarebbero da fare un paio di collegamenti anche sull'altra faccia della piastra ma andrebbero bene anche degli spezzoni di filo come cavallotto. Devo rivedere come fare perché è trascorso qualche anno e la mia memoria non è più tanto in forma.
Se avessi ancora un esemplare di PCB te lo regalerei ma credo di averli già regalati tutti. Credo di avere soltanto l’esemplare della mia realizzazione.
Controllerò.
Non so se ho completato la descrizione, eventualmente se avrai domande sono qui.
-

gianniniivo
9.035 7 11 13 - No Rank
- Messaggi: 2874
- Iscritto il: 5 feb 2019, 23:50
0
voti
Eh, purtroppo quella PCB è stata progettata per i relè statici. Si può mettere ugualmente un relè elettromeccanico ma ti devi ingegnare un po' per collegare i pin dello zoccolo del relè alla PCB.
-

gianniniivo
9.035 7 11 13 - No Rank
- Messaggi: 2874
- Iscritto il: 5 feb 2019, 23:50
0
voti
Mi sono accorto adesso di averti fornito la penultima versione dello schema... 

-

gianniniivo
9.035 7 11 13 - No Rank
- Messaggi: 2874
- Iscritto il: 5 feb 2019, 23:50
0
voti
Ciao
mario663.
Per lo schema non definitivo non sarebbe un problema, dovrei soltanto pubblicare la versione definitiva. Il problema è la PCB.
Ho provato a verificare se mi era avanzato un esemplare ma non l’ho trovato; non so se le ho regalate tutte oppure se non ricordo più dove potrei averle riposte. In compenso ho trovato la PCB di test che ha realizzato
setteali con il ferro da stiro e potrei inviarti quella ma c’è un problema: non c’è modo di adattare un relè elettromeccanico a tre vie al posto dei tre relè statici. Le connessioni hanno posizioni molto differenti e anche le distanze tra i pin sono difficilmente colmabili. Purtroppo quella PCB è stata progettata per i relè statici e non per quelli elettromeccanici.
Quello che posso fare è cercare di modificare il disegno della PCB ma è soltanto un’ipotesi perché non è detto che sia possibile farlo senza dover rifare tutto.
Rimaniamo in contatto e ti terrò aggiornato.
Per lo schema non definitivo non sarebbe un problema, dovrei soltanto pubblicare la versione definitiva. Il problema è la PCB.
Ho provato a verificare se mi era avanzato un esemplare ma non l’ho trovato; non so se le ho regalate tutte oppure se non ricordo più dove potrei averle riposte. In compenso ho trovato la PCB di test che ha realizzato
Quello che posso fare è cercare di modificare il disegno della PCB ma è soltanto un’ipotesi perché non è detto che sia possibile farlo senza dover rifare tutto.
Rimaniamo in contatto e ti terrò aggiornato.
-

gianniniivo
9.035 7 11 13 - No Rank
- Messaggi: 2874
- Iscritto il: 5 feb 2019, 23:50
Torna a Costruzione, riparazione, riutilizzo
Chi c’è in linea
Visitano il forum: Nessuno e 5 ospiti

Elettrotecnica e non solo (admin)
Un gatto tra gli elettroni (IsidoroKZ)
Esperienza e simulazioni (g.schgor)
Moleskine di un idraulico (RenzoDF)
Il Blog di ElectroYou (webmaster)
Idee microcontrollate (TardoFreak)
PICcoli grandi PICMicro (Paolino)
Il blog elettrico di carloc (carloc)
DirtEYblooog (dirtydeeds)
Di tutto... un po' (jordan20)
AK47 (lillo)
Esperienze elettroniche (marco438)
Telecomunicazioni musicali (clavicordo)
Automazione ed Elettronica (gustavo)
Direttive per la sicurezza (ErnestoCappelletti)
EYnfo dall'Alaska (mir)
Apriamo il quadro! (attilio)
H7-25 (asdf)
Passione Elettrica (massimob)
Elettroni a spasso (guidob)
Bloguerra (guerra)

