Buonasera a tutti,
è da parecchio che purtroppo non partecipo più al forum....
Vengo subito al punto. Spesso mi trovo a lavorare con vari integrati che possono spaziare da semplici regolatori di tensione a microcontrollori più o meno complessi.
Purtroppo faccio molta fatica a capire i vari diagrammi funzionali che normalmente si trovano nel datasheet.
La mia domanda è semplice, esiste una guida, un sito o un termine da cercare per poter capire in modo chiaro il significato di ciascun simbolo ?
E' una mia impressione o ogni "manufacturer" adotta convenzioni a se stanti ?
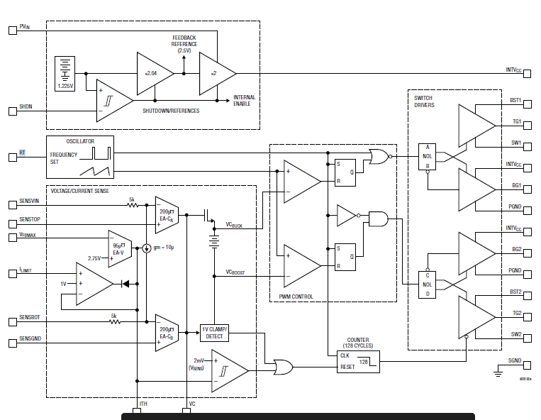
Un esempio lo trovate qui sotto, perdonate l'ignoranza ma quel comparatore a tre ingressi (uno degli ingressi è Ilim) non so come interpretarlo.
Stessa cosa per quella sorta di PMOS vicino a VCbuck.
Ovviamente vorrei evitare di dover chiedere aiuto tutto le volte che non capisco un simbolo, ma vorrei trovare delle risorse a cui fare riferimento in caso di necessità.
Un grazie a tutti, siete sempre fantastici.
Leggere i diagrammi funzionali dei circuiti integrati
Moderatori:
carloc,
g.schgor,
BrunoValente,
IsidoroKZ
7 messaggi
• Pagina 1 di 1
1
voti
Delle convenzioni generali sui simboli ovviamente esistono (i comparatori con isteresi, per dire, sono rappresentati sempre sempre con lo stesso simbolo), ma che ogni produttore tenda a metterci del proprio è purtroppo tutt'altro che un sospetto.
Detto questo, due appunti:
1 - Se prendi qualcosa da un datasheet gentilmente linka il datasheet medesimo
2 - Quello a mio avviso non è un comparatore: nessun simboletto per l'isteresi (guarda il comparatore un po' più in basso e a destra), un feedback negativo evidente, input in corrente, un ingresso aggiuntivo per la tensione di polarizzazione... se dovessi scommettere punterei su una specie di amplificatore di transimpedenza
Detto questo, due appunti:
1 - Se prendi qualcosa da un datasheet gentilmente linka il datasheet medesimo
2 - Quello a mio avviso non è un comparatore: nessun simboletto per l'isteresi (guarda il comparatore un po' più in basso e a destra), un feedback negativo evidente, input in corrente, un ingresso aggiuntivo per la tensione di polarizzazione... se dovessi scommettere punterei su una specie di amplificatore di transimpedenza
-

rugweri
5.948 2 8 13 - CRU - Account cancellato su Richiesta utente
- Messaggi: 1366
- Iscritto il: 25 nov 2016, 18:46
0
voti
Ti ringrazio per la risposta. Il link al datasheet è https://www.analog.com/media/en/technical-documentation/data-sheets/4020fd.pdf, tuttavia questo caso in particolare mi interessa relativamente. Mi piacerebbe trovare un approccio generale per riuscire a interpretare correttamente i digrammi funzionali senza dover "provare a interpretare" il significato di alcuni simboli.
1
voti
Un "approccio generale" non esiste se non per i circuiti molto semplici (cosa che questo portato ad esempio non è); in tutti gli altri occorre armarsi di santa pazienza e studiare a fondo l'intero datasheet di un circuito e, quando esiste, la sua application note. Altrimenti occorre munirsi di ancora più pazienza e andare a cercare lumi sui libri che approfondiscono i dettagli di quel particolare genere di circuito.
In ogni caso la lettura e lo studio di un datasheet di un circuito integrato complesso richiedono il loro tempo; non sono, per capirci, cose che si portano a termine in una pausa caffè o mentre si mangia un panino: questo può valere (e non sempre) solo per i singoli componenti di uso generale - transistor, diodi, ecc. Per tutto il resto occorre prendersi (e pretendere di avere da eventuali superiori) tutto il tempo che serve a fare bene il lavoro richiesto. Senza questo anche il miglior schema presente in un datasheet lascia semplicemente il tempo che trova.
In ogni caso la lettura e lo studio di un datasheet di un circuito integrato complesso richiedono il loro tempo; non sono, per capirci, cose che si portano a termine in una pausa caffè o mentre si mangia un panino: questo può valere (e non sempre) solo per i singoli componenti di uso generale - transistor, diodi, ecc. Per tutto il resto occorre prendersi (e pretendere di avere da eventuali superiori) tutto il tempo che serve a fare bene il lavoro richiesto. Senza questo anche il miglior schema presente in un datasheet lascia semplicemente il tempo che trova.
1
voti
Come Piercarlo ha scritto non esistono regole generali bisogna leggersi più volte tutto il datasheet senza aver fretta di capire. Nel caso specifico, penso che tu ti riferisca al pin chiamato Ilim, a pagina 12 del datasheeet è spiegata la sua funzione.
-

stefanodelfiore
1.673 3 8 - Master

- Messaggi: 569
- Iscritto il: 28 mar 2009, 20:15
- Località: Bologna
1
voti
Considera anche che (per ovvi motivi di copyright) i produttori non inseriscono quasi mai il "reale" circuito interno del chip (come invece in alcuni casi si faceva inizialmente, anche se solo per chip abbastanza semplici), ma solo un diagramma "funzionale" del tutto, e siccome spesso un simbolo standard che identifichi una particolare funzione non c'e', a volte se li inventano, tuttavia nella descrizione funzionale di solito ci sono specificate le funzioni dei vari pin (e se si e' fortunati anche quelle di molti dei blocchi), quindi studiandosi bene tutto in genere e' possibile assegnare la corretta funzione a quasi ogni specifico blocco dello schema.
Se uno specifico blocco non viene menzionato ma si descrive solo il funzionamento dei pin ad esso associati (come nel tuo caso) e' possibile che si tratti semplicemente di una qualche "innovazione circuitale" o trucco simile, che il produttore preferisce divulgare il meno possibile per evitare di farselo copiare dalla concorrenza (a volte anche solo un'accurata descrizione del funzionamento potrebbe dare "troppi indizi", per cui esistono anche casi dove alcuni simboli "di fantasia" vengono inventati apposta per quel motivo).
Per tutto il resto si puo provare a scrivere all'assistenza tecnica del produttore specificando i propri dubbi e chiedendo spiegazioni piu dettagliate, non sempre ma di solito rispondono (in fondo conviene anche a loro farlo, dato che vogliono vendere e far usare i loro prodotti
)
Se uno specifico blocco non viene menzionato ma si descrive solo il funzionamento dei pin ad esso associati (come nel tuo caso) e' possibile che si tratti semplicemente di una qualche "innovazione circuitale" o trucco simile, che il produttore preferisce divulgare il meno possibile per evitare di farselo copiare dalla concorrenza (a volte anche solo un'accurata descrizione del funzionamento potrebbe dare "troppi indizi", per cui esistono anche casi dove alcuni simboli "di fantasia" vengono inventati apposta per quel motivo).
Per tutto il resto si puo provare a scrivere all'assistenza tecnica del produttore specificando i propri dubbi e chiedendo spiegazioni piu dettagliate, non sempre ma di solito rispondono (in fondo conviene anche a loro farlo, dato che vogliono vendere e far usare i loro prodotti
"Sopravvivere" e' attualmente l'unico lusso che la maggior parte dei Cittadini italiani,
sia pure a costo di enormi sacrifici, riesce ancora a permettersi.
sia pure a costo di enormi sacrifici, riesce ancora a permettersi.
-

Etemenanki
9.517 3 6 10 - Master

- Messaggi: 5940
- Iscritto il: 2 apr 2021, 23:42
- Località: Dalle parti di un grande lago ... :)
0
voti
Vi ringrazio per il tempo dedicatomi. L'approccio che suggerite è quello che normalmente adotto, ovvero leggendo il datasheet cerco di interpretare il diagramma funzionale. Purtroppo a volte le informazioni sono veramente incomplete, specialmente quando si vuole prendere un integrato di una certa complessità e farlo funzionare in una condizione anche solo leggermente diversa da quelle presentate come esempio.
Oltre a quello che avete detto molte volte cerco di aiutarmi con il modello SPICE dell'integrato, però soprattutto per integrati di una certa complessità il modello risulta spesso incompleto o addirittura errato.
Entrambi gli approcci mi portano via una quantità di tempo spropositata. Sarebbe veramente bello avere una notazione standard riconosciuta da tutti.
Oltre a quello che avete detto molte volte cerco di aiutarmi con il modello SPICE dell'integrato, però soprattutto per integrati di una certa complessità il modello risulta spesso incompleto o addirittura errato.
Entrambi gli approcci mi portano via una quantità di tempo spropositata. Sarebbe veramente bello avere una notazione standard riconosciuta da tutti.
7 messaggi
• Pagina 1 di 1
Chi c’è in linea
Visitano il forum: Nessuno e 75 ospiti

Elettrotecnica e non solo (admin)
Un gatto tra gli elettroni (IsidoroKZ)
Esperienza e simulazioni (g.schgor)
Moleskine di un idraulico (RenzoDF)
Il Blog di ElectroYou (webmaster)
Idee microcontrollate (TardoFreak)
PICcoli grandi PICMicro (Paolino)
Il blog elettrico di carloc (carloc)
DirtEYblooog (dirtydeeds)
Di tutto... un po' (jordan20)
AK47 (lillo)
Esperienze elettroniche (marco438)
Telecomunicazioni musicali (clavicordo)
Automazione ed Elettronica (gustavo)
Direttive per la sicurezza (ErnestoCappelletti)
EYnfo dall'Alaska (mir)
Apriamo il quadro! (attilio)
H7-25 (asdf)
Passione Elettrica (massimob)
Elettroni a spasso (guidob)
Bloguerra (guerra)


