Rispondo a DJNZ:
come mai la bassa frequenza della PWM gioca a sfavore?
Agendo sui registri di Arduino posso alzarla, che io sappia (mai fatto finora ma si fa!)
Domenica gioco un po con l oscilloscopio e col generatore di onda quadra, sono curioso di provare cosa succede al variare delle Capacità.
PWM di Arduino e condensatore in uscita
36 messaggi
• Pagina 3 di 4 • 1, 2, 3, 4
0
voti
Con resistori sia sulla base che sull'emettitore, un ottimo dissipatore, un po' di margine sull'alimentazione e forse un secondo transistor in Darlington, ce la dovresti fare. Arduino tira fuori 0-5 V ? Che corrente può dare o ricevere in uscita, forse 20 mA?
1
voti
personalemnte trovo la soluzione del transistor in lineare sbagliato, non perché non vada, ma perché se piloto 6A a 12V sono 72W, regolando in lineare vado a dissipare 16W, sul transistor, non la trovo una soluzione bella, e green come l'uso dei led dovrebbe essere.
l'uso del PWM, con frequenze maggiori, ha il vantaggio di rendere i componenti L e C di dimensioni minori, ed il funzionamento globale migliora. Per me è la strada migliore.
saluti
l'uso del PWM, con frequenze maggiori, ha il vantaggio di rendere i componenti L e C di dimensioni minori, ed il funzionamento globale migliora. Per me è la strada migliore.
saluti
-

lelerelele
4.899 3 7 9 - Master

- Messaggi: 5505
- Iscritto il: 8 giu 2011, 8:57
- Località: Reggio Emilia
0
voti
...se piloto 6A a 12V sono 72W, regolando in lineare vado a dissipare 16W, sul transistor, non la trovo una soluzione bella, e green come l'uso dei led dovrebbe essere.
Se consideriamo un assorbimento dei LED di 6 A a 12 V che scende a quasi 0 per V = 9 V
per una tensione di (12-9)/2 + 9 = 10,5 si dovrebbe avere un assorbimento di 3 A.
Al quale corrisponde una dissipazione massima del transistore di (12-10.5)x3 = 4,5 W.
Se poi l'utente adopera l'illuminazione come flash per pochi secondi, la potenza media dissipabile potrebbe essere minore.
Ragiono sui limiti del forum e di questa discussione :
L'OP non propone uno schema elettrico concreto con elenco componenti di cui chiede conferma sul possibile buon funzionamento, ma propone solo un vago schema di principio senza dettagliare il modo di operare, spera di ricevere un progetto dettagliato, ma questo è solo un forum, non uno studio tecnico di progettazione, per cui riceve solo vaghe considerazioni.
Se consideriamo un assorbimento dei LED di 6 A a 12 V che scende a quasi 0 per V = 9 V
per una tensione di (12-9)/2 + 9 = 10,5 si dovrebbe avere un assorbimento di 3 A.
Al quale corrisponde una dissipazione massima del transistore di (12-10.5)x3 = 4,5 W.
Se poi l'utente adopera l'illuminazione come flash per pochi secondi, la potenza media dissipabile potrebbe essere minore.
Ragiono sui limiti del forum e di questa discussione :
L'OP non propone uno schema elettrico concreto con elenco componenti di cui chiede conferma sul possibile buon funzionamento, ma propone solo un vago schema di principio senza dettagliare il modo di operare, spera di ricevere un progetto dettagliato, ma questo è solo un forum, non uno studio tecnico di progettazione, per cui riceve solo vaghe considerazioni.

0
voti
6A a 12 V non sono una passeggiata.
Non farei un regolatore lineare in questo caso.
Condivido le opinioni di
lelerelele.
Bisognerebbe provare con una frequenza intorno ai 10 - 20kHz e filtrare per bene la tensione in uscita.
Ciao
Non farei un regolatore lineare in questo caso.
Condivido le opinioni di
Bisognerebbe provare con una frequenza intorno ai 10 - 20kHz e filtrare per bene la tensione in uscita.
Ciao
600 Elettra
0
voti
MarcoD ha scritto: ma propone solo un vago schema di principio senza dettagliare il modo di operare, spera di ricevere un progetto dettagliato
cosa spero, io???
forse hai capito malissimo. Se ho bisogno di un progetto fuori della mia portata, lo pago, non scrivo sui forum.
Sulla base di quanto scritto sopra domenica farò delle prove per tentativi (quindi ad minchiam, diciamo) e poi posterò i risultati.
Sono qua per divertirmi e porre quesiti strani, non per ottenere progetti.

2
voti
Etemenanki ha scritto:usando un condensatore e facendo il convertitore, non andrai piu da PWM 255 a 0, ma da 255 al valore che produrra' ai capi del condensatore la tensione minima di funzionamento (quelle che ho in casa io bianche iniziano ad accendersi intorno ai 9V
Quello che scrive -giustamente -
Un led viene normalmente pilotato in corrente (non in tensione) per cui occorre "stabilizzare" la corrente (e non la tensione).
In altre parole il generatore deve essere di corrente (e non di tensione).
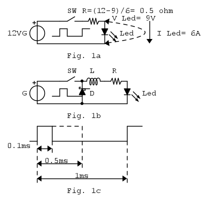
Il circuito di Fig.1a e' lo schema di principio di un generatore di tensione PWM che alimenta un "Led" con I parametri esposti dall'OP nel post [7].
La corrente pulsata nel diodo varia da 0A a 6A con duty cycle variabile da 0% a 100% generando un flicker nella luce emessa del Led.
Se con un "artificio" livello la tensione ai capi del Led non posso comunque scendere sotto 9 V (tensione nominale del LED) senza che il Led non si accenda.
Occorre invece livellare la corrente.
Questo puo' essere realizzato mediante una induttanza in serie - una induttanza tende a mantere "costante" la corrente che circola in essa.
Osserviamo il circuito di Fig. 1c in cui si ha il diagramma temporale del pilotaggio dello switch SW con vari duty cycle e un periodo max di 1 ms.
Il circuito di Fig. 1b rappresenta il circuito di principio da implementare con l'induttanza.
Vediamo come e' possibile calcolare il valore dell'induttanza utlizzando un metodo "by inspection" (calcola come magni
Partiamo da I seguenti dati:
Iled = 6A
Vled = 9V
R = 0.5 ohm
Vg = 12 V
Ricaviamo
VR = 12 - 9 = 3 V
Quando lo switch e' chiuso con 100% di duty cycle ai capi delle resistenza cadono 3 V (l'induttanza si considera ideale con resistenza nulla).
Man mano che il duty cycle si riduce la corrente che circola nel Led (e nella resistenza) si riduce e la caduta di tensione su R si reduce fino a 0 - la tensione di 3 V cade tutta su L.
Supponiamo di essere quindi nel caso di duty cycle "minimo"
- 0.1 ms con 3 V di caduta su L
- ripple di corrente 10% (60 mA)

Se ragioniamo invece in termini di costante di tempo abbiamo
cioe' 10 volte il periodo max (1 ms)Occorre quindi una induttanza d 5 mH con corrente da 6 A
Per confronto - con una condizione in cui il carico richiede un generatore di tensione (e quindi un condensatore) - per livellare al 10 % una tensione di 12 V 6 A occorre un condensatore:

0
voti
Ho trovato questo
https://www.mouser.it/c/passive-compone ... nce=5%20mH
195G10 5 mH 10 A costo circa 70 €
Nulla è gratis

https://www.mouser.it/c/passive-compone ... nce=5%20mH
195G10 5 mH 10 A costo circa 70 €
Nulla è gratis

1
voti
Quella che ho proposto in [17] sono solo 17 euro 
Mi fa piacere non avere cannato così tanto il valore (temevo almeno un ordine di grandezza), mentre devo aver sottostimato il condensatore.
Mi fa piacere non avere cannato così tanto il valore (temevo almeno un ordine di grandezza), mentre devo aver sottostimato il condensatore.
Una domanda ben posta è già mezza risposta.
36 messaggi
• Pagina 3 di 4 • 1, 2, 3, 4
Chi c’è in linea
Visitano il forum: Nessuno e 33 ospiti

Elettrotecnica e non solo (admin)
Un gatto tra gli elettroni (IsidoroKZ)
Esperienza e simulazioni (g.schgor)
Moleskine di un idraulico (RenzoDF)
Il Blog di ElectroYou (webmaster)
Idee microcontrollate (TardoFreak)
PICcoli grandi PICMicro (Paolino)
Il blog elettrico di carloc (carloc)
DirtEYblooog (dirtydeeds)
Di tutto... un po' (jordan20)
AK47 (lillo)
Esperienze elettroniche (marco438)
Telecomunicazioni musicali (clavicordo)
Automazione ed Elettronica (gustavo)
Direttive per la sicurezza (ErnestoCappelletti)
EYnfo dall'Alaska (mir)
Apriamo il quadro! (attilio)
H7-25 (asdf)
Passione Elettrica (massimob)
Elettroni a spasso (guidob)
Bloguerra (guerra)









