Cos'è ElectroYou | Login Iscriviti

ElectroYou - la comunità dei professionisti del mondo elettrico

Polarizzazione del transistor NPN

Elettronica lineare e digitale: didattica ed applicazioni

Moderatori: Foto Utentecarloc, Foto Utenteg.schgor, Foto UtenteBrunoValente, Foto UtenteIsidoroKZ

0
voti

[1] Polarizzazione del transistor NPN

Messaggioda Foto UtenteDadi80 » 23 feb 2022, 13:11

Buonasera a tutti,
mi chiamo Davide e sto realizzando una cuccia riscaldata per il mio cane.
Il tutto gira intorno ad un relè azionato da una scheda Arduino nano 33 IoT. Per farlo devo passare dalla polarizzazione del transistor che lo fa eccitare.

Sto cercando di evitare di scopiazzare qua e la schemi elettrici senza capire e se poi non funziona qualcosa sono perso.
Potrei chiedervi di dare un occhio ai miei calcoli sulla polarizzazione del transistor e dirmi se ho sbagliato qualcosa?

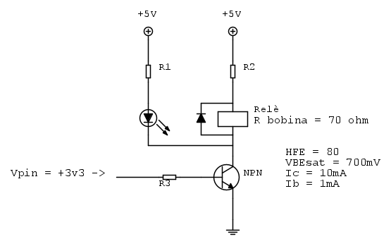
Di seguito i dati del datasheet del transistor BSV52 e lo schema elettrico.

NPN_data.PNG




Se ho interpretato bene i dati del datasheet ho che il transistor è in saturazione se nella base scorre una corrente di 1 mA e nel collettore una di 10 mA.
Partendo dalla maglia di entrata, ho che quando il pin di Arduino è a livello alto ho una tensione Vpin = 3,3 V.
Quindi
V_{cc} = 5 V
V_{pin} = 3,3 V
V_{BE} = 0,7 V

Applicando Kirchhoff alla maglia di ingresso
V_{pin} - V_{R3} - V_{BE} = 0
V_{R3} = V_{pin} - V_{BE} = R_3 \cdot I_b
R_3 = \frac{V_{pin} - V_{BE}}{I_b} = 2600 \Omega

Applicando Kirchhoff alla maglia di uscita
V_{cc} - V_{R2} - V_{bobina} = 0
V_{R2} = V_{cc} - V_{bobina} = R_2 \cdot I_c
R_2 = \frac{V_{cc} - R_{bobina} \cdot I_c}{I_c} = \frac{V_{cc}}{I_c} - R_{bobina} =  460 \Omega

Ora ho un dubbio sul dimensionamento della resitenza R_1. La corrente che dovrebbe fluire nel led è al massimo di 20 mA. Questa corrente però si va a sommare al nodo a quella che scorre al collettore superando i 10 mA considerati nei calcoli.

Mi potreste indicare, per piacere, se ho fatto errori ed eventualmente indicarmi dove documentarmi per correggerli?
Grazie a tutti in anticipo.

Davide
Avatar utente
Foto UtenteDadi80
10 1 2
 
Messaggi: 13
Iscritto il: 22 feb 2022, 16:43

0
voti

[2] Re: Polarizzazione del transistor NPN

Messaggioda Foto UtenteEcoTan » 23 feb 2022, 14:07

No. Intanto bisogna vedere se il rele' è per 5V.
Avatar utente
Foto UtenteEcoTan
7.720 4 12 13
Expert EY
Expert EY
 
Messaggi: 5426
Iscritto il: 29 gen 2014, 8:54

0
voti

[3] Re: Polarizzazione del transistor NPN

Messaggioda Foto UtenteDadi80 » 23 feb 2022, 14:10

Buongiorno e grazie per la risposta. Ho scelto un relè Finder 36.11 che lavora a 5 V.
Davide
Avatar utente
Foto UtenteDadi80
10 1 2
 
Messaggi: 13
Iscritto il: 22 feb 2022, 16:43

0
voti

[4] Re: Polarizzazione del transistor NPN

Messaggioda Foto UtenteEcoTan » 23 feb 2022, 14:15

Con 5V e 70 ohm di resistenza della bobina siamo a 70 mA di corrente. Non mi sono mai chiesto che picchi di assorbimento possa presentare la bobina di un rele' comunque quel tipo di transistor è troppo impiccato e non va bene.
Avatar utente
Foto UtenteEcoTan
7.720 4 12 13
Expert EY
Expert EY
 
Messaggi: 5426
Iscritto il: 29 gen 2014, 8:54

0
voti

[5] Re: Polarizzazione del transistor NPN

Messaggioda Foto Utentesetteali » 23 feb 2022, 14:55

Se il relay è da 5 V perché mettere un resistore da 460 Ohm in serie?
Alex
https://www.facebook.com/Elettronicaeelettrotecnica

<< vedi di pigliare arditamente in mano, il dizionario che ti suona in bocca,
se non altro è schietto e paesano.
(Giuseppe Giusti) <<
Avatar utente
Foto Utentesetteali
11,9k 5 5 9
Master
Master
 
Messaggi: 5921
Iscritto il: 15 dic 2013, 21:09

0
voti

[6] Re: Polarizzazione del transistor NPN

Messaggioda Foto UtenteDadi80 » 23 feb 2022, 15:09

Buongiorno a tutti e grazie ancora per le vostre risposte.
@EcoTan
Ora cerco un transistor più performante e rivedo i calcoli.
@setteali
Sono partito da uno schema che ho trovato su internet su cui c'era il resistore in serie al relè e sto cercando di capire in maniera un po più approfondita chi fa cosa e dimensionare il tutto in maniera corretta.

Grazie ancora
Davide
Avatar utente
Foto UtenteDadi80
10 1 2
 
Messaggi: 13
Iscritto il: 22 feb 2022, 16:43

0
voti

[7] Re: Polarizzazione del transistor NPN

Messaggioda Foto UtenteGioArca67 » 23 feb 2022, 15:20

A che serve Arduino?
Avatar utente
Foto UtenteGioArca67
4.580 4 6 9
Master EY
Master EY
 
Messaggi: 4592
Iscritto il: 12 mar 2021, 9:36

0
voti

[8] Re: Polarizzazione del transistor NPN

Messaggioda Foto UtenteEtemenanki » 23 feb 2022, 15:23

Consiglio intanto di cambiare transistor, un qualsiasi BC337 dovrebbe andare bene.

Poi, il BC337 ha un guadagno tipico di 400, per cui anche solo un paio di mA di corrente attraverso la base dovrebbero garantirti una commutazione completa, fanne passare 3 e sei a posto senza problemi.
"Sopravvivere" e' attualmente l'unico lusso che la maggior parte dei Cittadini italiani,
sia pure a costo di enormi sacrifici, riesce ancora a permettersi.
Avatar utente
Foto UtenteEtemenanki
9.527 3 6 10
Master
Master
 
Messaggi: 5948
Iscritto il: 2 apr 2021, 23:42
Località: Dalle parti di un grande lago ... :)

0
voti

[9] Re: Polarizzazione del transistor NPN

Messaggioda Foto UtenteDadi80 » 23 feb 2022, 15:26

@GioArca67
Alla scheda Arduino sono collegati i sensori di temperatura. In base alla temperatura letta vengono accese delle lampade termiche (qui servono i relè comandati dal transistor) poste in uno scomparto separato nella cuccia. In più la Arduino nano 33 IoT è collegata a Blynk e tramite dashboard il tutto è monitorabile e controllabile da internet.

@Etemenanki
Grazie per il consiglio. Ora cerco il datasheet del bc337 e rifaccio i calcoli.

Grazie ancora a tutti
Avatar utente
Foto UtenteDadi80
10 1 2
 
Messaggi: 13
Iscritto il: 22 feb 2022, 16:43

0
voti

[10] Re: Polarizzazione del transistor NPN

Messaggioda Foto UtenteMarcoD » 23 feb 2022, 15:40

Confermo che il BSC52 sopporta solo 100 mA, cercane uno che sopporta almeno 500 mA.


NXP Semiconductors Product data sheet
NPN switching transistor BSV52
FEATURES
• Low current (max. 100 mA)
• Low voltage (max. 12 V).
APPLICATIONS
• High speed saturated switching applications, especially
in portable equipment


oppure adopera un relè con bobina da 12 V (alimentato a 12 V) che assorbe meno corrente, tanto l'arduino lo alimenterai a 9 o 12 V.

Il BC337 è meglio:
Absolute Maximum Ratings:

Collector Emitter Voltage (VBE=0) - VCES - 50V
Collector Emitter Voltage (IB=0) - VCEO - 45V
Emitter Base Voltage - VEBO - 5V
Collector Current - IC - 0,8A
Collector Peak Current (t<10mS) - ICM - 1,5A
Total Power Dissipation
@ TC<25C - PTOT - 1,4W @ TC<25C - 625mW
Operating junction & Storage Temperature - TJ, TSTG - -55 a 150 C
BC337 è un transistor NPN in un contenitore TO-92; contenitore di plastica SOT54. Il PNP complementare è BC327. Questo tipo di transistor è suddiviso in tre gruppi: -16, -25 e -40 in base al loro guadagno di corrente. Su richiesta speciale, questi transistor sono anche fabbricati nella configurazione pin TO-18.

Avatar utente
Foto UtenteMarcoD
12,2k 5 9 13
Master EY
Master EY
 
Messaggi: 6696
Iscritto il: 9 lug 2015, 16:58
Località: Torino

Prossimo

Torna a Elettronica generale

Chi c’è in linea

Visitano il forum: Nessuno e 30 ospiti