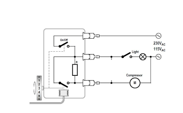
Questo è lo schema semplice semplice del tuo congelatore, saresti in grado di farlo?
La sonda che hai tagliato se tu dovessi ricomperare il termostato, va trattata con cura senza fare strozzature in nessun punto e va rimessa come e dove è quella vecchia, è importantissimo.
Il congelatore è una macchina di una semplicità massima, ha un compressore ed un termostato , ma è di una delicatezza massima che anche i tecnici hanno impiegato del tempo per capirne il funzionamento e di come mettere le mani.
Gli ultimi due consigli, di @edgar e di @guzz, sono drastici, ma pieni di verità!
Congelatore a pozzetto, scheda bruciata.
14 messaggi
• Pagina 2 di 2 • 1, 2
0
voti
- Allegati
-
- 1 cong.png (11.87 KiB) Osservato 2295 volte
Alex
https://www.facebook.com/Elettronicaeelettrotecnica
<< vedi di pigliare arditamente in mano, il dizionario che ti suona in bocca,
se non altro è schietto e paesano.
(Giuseppe Giusti) <<
https://www.facebook.com/Elettronicaeelettrotecnica
<< vedi di pigliare arditamente in mano, il dizionario che ti suona in bocca,
se non altro è schietto e paesano.
(Giuseppe Giusti) <<
0
voti
Grazie per le risposte, si il consiglio di comprarne uno nuovo anche se è drastico ha un fondo di saggia verità e sarebbe l'opzione più sensata. In effetti già mi stavo guardando intorno. Poi metti un po' la curiosità e comunque la voglia di mettersi in gioco nelle riparazioni (considerando che a fronte dei 200/300€ del nuovo un termostato originale e/o universale lo troverei con meno di 50€) sarei tentato di provarci. Ovviamente constatando prima se riesco a sfilare e reinserire facilmente la sonda danneggiata. Grazie mille per lo schema penso di essere in grado di ricrearlo.
0
voti
a me sembra un circuito di protezione, manca il cicalino, ma volendo si potrebbe adattare con un circuitino che lo adatta alla tensione 220 V e messo a cavallo del fusibile.
-

elektronik
7.800 4 6 7 - Master

- Messaggi: 3836
- Iscritto il: 12 mag 2015, 22:26
0
voti
YiliduS ha scritto:il consiglio di comprarne uno nuovo anche se è drastico ha un fondo di saggia verità e sarebbe l'opzione più sensata
4/5 anni fa ho sostituito il mio vecchio congelatore con uno di classe energetica A+ e volume maggiore.
Ai tempi il costo dell'energia era molto più basso, ciò nonostante le bollette successive si sono abbassate di una quindicina di euro.
A lungo termine anche un risparmio di pochi euro al mese fa diventare conveniente la sostituzione.
14 messaggi
• Pagina 2 di 2 • 1, 2
Torna a Costruzione, riparazione, riutilizzo
Chi c’è in linea
Visitano il forum: Nessuno e 27 ospiti

Elettrotecnica e non solo (admin)
Un gatto tra gli elettroni (IsidoroKZ)
Esperienza e simulazioni (g.schgor)
Moleskine di un idraulico (RenzoDF)
Il Blog di ElectroYou (webmaster)
Idee microcontrollate (TardoFreak)
PICcoli grandi PICMicro (Paolino)
Il blog elettrico di carloc (carloc)
DirtEYblooog (dirtydeeds)
Di tutto... un po' (jordan20)
AK47 (lillo)
Esperienze elettroniche (marco438)
Telecomunicazioni musicali (clavicordo)
Automazione ed Elettronica (gustavo)
Direttive per la sicurezza (ErnestoCappelletti)
EYnfo dall'Alaska (mir)
Apriamo il quadro! (attilio)
H7-25 (asdf)
Passione Elettrica (massimob)
Elettroni a spasso (guidob)
Bloguerra (guerra)

