Circuito con transitorio
Moderatori:
g.schgor,
IsidoroKZ
0
voti
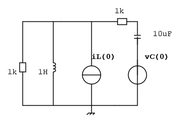
Ecco come tener conto delle condizioni iniziali
(con i rispettivi sensi)
I valori iniziali iL(0) e vC(0) sono introdotti
rispettivamente da un GIC e da un GIT, mentre
le condizioni iniziali di L e C SONO =0.
Alla fine del transitorio tutta la iL(0) scorrerà in L
e la tensione di C sarà l'inverso di vC(0), quindi
non vi sarà ne circuito nessun'altra corrente
0
voti
Buongiorno tutti.
Roswell1947 non voglio interagire/interferire con il tuo procedimento avendo intenzione di risolvere il problema con Laplace.
Quindi ti chiedo semplicemente dei punti fermi da cui partire per avanzare (e ovviamente arrivare a dei risultati condivisi):
1)
nel dominio del tempo; g.schgor nella sua simulazione
aveva proposto
.
Il tuo problema (reale o fittizio) presenta
1.1)
Per semplificare, personalmente riterrei,
.
Che ne pensi?
2)
Tempo
, da prendere come riferimento iniziale per i transitori.
Grazie,
Michele.
Roswell1947 non voglio interagire/interferire con il tuo procedimento avendo intenzione di risolvere il problema con Laplace.
Quindi ti chiedo semplicemente dei punti fermi da cui partire per avanzare (e ovviamente arrivare a dei risultati condivisi):
1)
nel dominio del tempo; g.schgor nella sua simulazione
aveva proposto
.Il tuo problema (reale o fittizio) presenta

1.1)
Per semplificare, personalmente riterrei,
.Che ne pensi?
2)
Tempo
, da prendere come riferimento iniziale per i transitori.Grazie,
Michele.
Ultima modifica di
micdisav il 13 mar 2022, 11:23, modificato 1 volta in totale.
0
voti
Siccome non si hanno valori numerici per Vm e t0.....occorre solo indicarli simbolicamente...attendo anche spiegazione di g.schor
-

Roswell1947
89 1 3 8 - Stabilizzato

- Messaggi: 438
- Iscritto il: 10 feb 2020, 16:39
2
voti
Roswell1947 ha scritto: ....ma se taglio la rete perché dovrei calcolare gli zeri dell'impedenza vista nelle due direzioni??
Il "taglio" della rete in due sottoreti è solo il metodo operativo che normalmente adottavo in quanto mi risultava più semplice vedere dove era conveniente tagliarla al fine semplificare il calcolo dei due bipoli equivalenti parziali, ma non è necessario spezzarla in due in quanto è sufficiente tagliare un suo solo lato e considerare gli zeri dell'impedenza vista da quel taglio parziale.
La differenza fra considerare gli zeri o i poli dell'impedenza (rispettivamente poli e zeri dell'ammettenza) deriva dal fatto che usando (non usando) un taglio vai a considerare l'evoluzione della corrente in un ramo della rete (la tensione fra due suoi nodi).
Per esempio, un taglio in due sottoreti a destra dell'induttore equivale a un taglio del lato a sinistra del resistore superiore, ovvero avremo che la somma delle due impedenze destra e sinistra (in serie)

equivarrà a

Nel caso particolare della tua rete
![Z_{eq}(s)=\overleftarrow{Z}(s)+\overrightarrow{Z}(s)=[R//(sL)]+[R+1/(sC)]=0 Z_{eq}(s)=\overleftarrow{Z}(s)+\overrightarrow{Z}(s)=[R//(sL)]+[R+1/(sC)]=0](/forum/latexrender/pictures/704545eb39ecb71e754d01579353219b.png)
"Il circuito ha sempre ragione" (Luigi Malesani)
0
voti
Quindi in poche parole quando consideri il taglio è come se considerassi l'evoluzione della corrente di cortocircuito di risposta (zeri impedenza) in quel ramo e viceversa il non taglio si considera l'evoluzione della tensione a circuito aperto fra i suoi nodi (poli impedenza)..Nel nostro caso tagliare la rete a destra dell'induttore significa che si vanno a calcolare gli zeri dell'impedenza di sinistra e di destra applicando a ciascuan asottorete un generatore di tensione di prova ...giusto?
-

Roswell1947
89 1 3 8 - Stabilizzato

- Messaggi: 438
- Iscritto il: 10 feb 2020, 16:39
0
voti
Ok questo l'ho capito...ma se facessi un taglio sul ramo dell'induttore allora metterei un generatore di tensione in quel punto e mi calcolerei i poli dell'ammettenza (che sono poi gli zeri dell'impedenza ) vista da quel generatore...il che equivarrebbe adire che considero l'evoluzione della corrente di corto circuito (cioè con il gene di prova cortocircuitato) il quel ramo...corretto?
-

Roswell1947
89 1 3 8 - Stabilizzato

- Messaggi: 438
- Iscritto il: 10 feb 2020, 16:39
0
voti
g.schgor ha scritto:
Ecco come tener conto delle condizioni iniziali
(con i rispettivi sensi)
I valori iniziali iL(0) e vC(0) sono introdotti
rispettivamente da un GIC e da un GIT, mentre
le condizioni iniziali di L e C SONO =0.
Alla fine del transitorio tutta la iL(0) scorrerà in L
e la tensione di C sarà l'inverso di vC(0), quindi
non vi sarà ne circuito nessun'altra corrente
le condizioni iniziali di L e C SONO =0??? non ho capito.....iL(0) e vC(0) saranno uguali alla valore per l'istante t1- (cioè i valori a regime trovati rima che l'interruttore si apra).La tensione di Vc a fine transitorio sarà Vc=-vC(0) non l'inverso inteso come 1/vC(0)....qualche chiarimento grazie
-

Roswell1947
89 1 3 8 - Stabilizzato

- Messaggi: 438
- Iscritto il: 10 feb 2020, 16:39
0
voti
ah ok..ma La tensione di Vc a fine transitorio sarà Vc=-vC(0) giusto?
-

Roswell1947
89 1 3 8 - Stabilizzato

- Messaggi: 438
- Iscritto il: 10 feb 2020, 16:39
Torna a Elettrotecnica generale
Chi c’è in linea
Visitano il forum: Nessuno e 15 ospiti

Elettrotecnica e non solo (admin)
Un gatto tra gli elettroni (IsidoroKZ)
Esperienza e simulazioni (g.schgor)
Moleskine di un idraulico (RenzoDF)
Il Blog di ElectroYou (webmaster)
Idee microcontrollate (TardoFreak)
PICcoli grandi PICMicro (Paolino)
Il blog elettrico di carloc (carloc)
DirtEYblooog (dirtydeeds)
Di tutto... un po' (jordan20)
AK47 (lillo)
Esperienze elettroniche (marco438)
Telecomunicazioni musicali (clavicordo)
Automazione ed Elettronica (gustavo)
Direttive per la sicurezza (ErnestoCappelletti)
EYnfo dall'Alaska (mir)
Apriamo il quadro! (attilio)
H7-25 (asdf)
Passione Elettrica (massimob)
Elettroni a spasso (guidob)
Bloguerra (guerra)




