Il progetto dell'amplificatore meno efficiente del mondo continua...
Quando ho letto il commento di MarcoD sono rimasto meravigliato.
In maniera del tutto parallela sono giunto autonomamente alla conclusione di
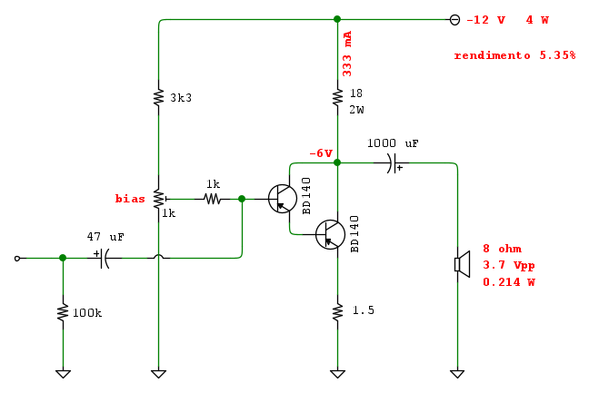
Il ragionamento è nato dal fatto che nella configurazione con speaker in parallelo, la maggior parte della potenza è dissipata dal transistor. Infatti la corrente del transistor deve essere 10 volte maggiore di quella del carico, per evitare di alterare il punto di lavoro.
Purtroppo però non mi trovo con i valori dei componenti proposti da MarcoD.
Io sono partito dal vincolo che il mio amplificatore può sopportare al massimo 1,5W.
Dunque dovendo porre la Vc a 6V, cadono 6V sullo speaker, il che porta a una corrente di 0.75A.
Per rispettare il vincolo di potenza sono costretto ad avere una caduta massima Vce di 1.1V.
Proseguendo con ragionamenti analoghi a quelli del mio ultimo post, ottengo i seguenti valori dei componenti:
Il guadagno ne risente parecchio G=1,2, però almeno non dovrei bruciare istantaneamente il transistor, godendomi almeno 30 secondi di musica in bassissima qualità
Sono contento di essere riuscito a capire qualcosa del funzionamento del circuito, però ci sono delle dinamiche che non mi sono chiare. Spero qualcuno possa rispondermi.
La configurazione iniziale, quella con lo speaker in parallelo, non è uno spreco di potenza? La corrente dello speaker è 10 volte più bassa di quella del transistor, per un carico da 2 A che transistor dovrei usare, uno enorme?
Ho iniziato a saldare i componenti, per fare 4 coppie di resistenze in parallelo e un connettore jack ci ho messo 3 ore. Fortunatamente senza scottature
Un cordiale saluto,
Ugophill

Elettrotecnica e non solo (admin)
Un gatto tra gli elettroni (IsidoroKZ)
Esperienza e simulazioni (g.schgor)
Moleskine di un idraulico (RenzoDF)
Il Blog di ElectroYou (webmaster)
Idee microcontrollate (TardoFreak)
PICcoli grandi PICMicro (Paolino)
Il blog elettrico di carloc (carloc)
DirtEYblooog (dirtydeeds)
Di tutto... un po' (jordan20)
AK47 (lillo)
Esperienze elettroniche (marco438)
Telecomunicazioni musicali (clavicordo)
Automazione ed Elettronica (gustavo)
Direttive per la sicurezza (ErnestoCappelletti)
EYnfo dall'Alaska (mir)
Apriamo il quadro! (attilio)
H7-25 (asdf)
Passione Elettrica (massimob)
Elettroni a spasso (guidob)
Bloguerra (guerra)















