salve ragazzi,avrei un problema,ho acquistato un motore fuoribordo però con il blocchetto chiave con gli spinotti di colori differenti da quelli che arrivano dal motore staccati,purtroppo l'ex proprietario ha pensato bene di staccarli senza annotare o fotografare le connessioni come vanno,morale della favola ,alle candele non arriva nemmeno corrente ,come fare a capire quali sono i fili da alimentare oppure collegare assieme per far alimentare il tutto?
(ovviamente non a tentoni)
Risalire cablaggio motore/chiave fuoribordo
Moderatore:
Franco012
7 messaggi
• Pagina 1 di 1
2
voti
Premetto che la cosa non è semplicissima ma nemmeno impossibile. Per esserti di aiuto ho bisogno di farti alcune domande:
1- Di che motore si tratta?(marca e modello.2 o 4 tempi)
2- Si avvia a strappo o con motorino di avviamento?
3- Che sistema di accensione monta? Elettronico?A puntine?Gestito da centralina?
4- Il sistema di alimentazione è a carburatore o ad iniezione elettronica?
Per favore allega altre foto di eventuale centralina,motore cablaggi ecc....
Comunque in tutti i sistemi automotive e similari ci deve sempre essere un positivo diretto dalla batteria che va al commutatore di accensione,comincia col rintracciare quello,che poi ovviamente parte dal commutatore di accensione e va ad alimentare eventuali bobine,centraline ecc...
Questo in linea generale,poi per lo specifico ci vogliono più informazioni,non è semplice in particolar modo a distanza però ci proviamo lo stesso
1- Di che motore si tratta?(marca e modello.2 o 4 tempi)
2- Si avvia a strappo o con motorino di avviamento?
3- Che sistema di accensione monta? Elettronico?A puntine?Gestito da centralina?
4- Il sistema di alimentazione è a carburatore o ad iniezione elettronica?
Per favore allega altre foto di eventuale centralina,motore cablaggi ecc....
Comunque in tutti i sistemi automotive e similari ci deve sempre essere un positivo diretto dalla batteria che va al commutatore di accensione,comincia col rintracciare quello,che poi ovviamente parte dal commutatore di accensione e va ad alimentare eventuali bobine,centraline ecc...
Questo in linea generale,poi per lo specifico ci vogliono più informazioni,non è semplice in particolar modo a distanza però ci proviamo lo stesso

0
voti
ciao ducelier,ho risolto... mi sono iscritto ad un noto forum di nautica e mi hanno subito fornito il manuale d'officina,(a differenza di quello dell'utente che è sempre onnipresente in rete), comunque è un tohatsu 2 tempi 90 cv ad iniezione,grazie lo stesso
0
voti
pino81 ha scritto:ciao ducelier,ho risolto....o
Visto e considerato che hai usato questo forum, facendo la domanda e alcuni utenti ti hanno risposto ed altri hanno seguito il 3ad, perché non metti la soluzione?
Alex
https://www.facebook.com/Elettronicaeelettrotecnica
<< vedi di pigliare arditamente in mano, il dizionario che ti suona in bocca,
se non altro è schietto e paesano.
(Giuseppe Giusti) <<
https://www.facebook.com/Elettronicaeelettrotecnica
<< vedi di pigliare arditamente in mano, il dizionario che ti suona in bocca,
se non altro è schietto e paesano.
(Giuseppe Giusti) <<
0
voti
azz!vince59 ha scritto:è un piccolo fuoribordo vecchio
piccolo...?? 90 cv e pesa ben 150 kg! e ci vuole la patente nautica...
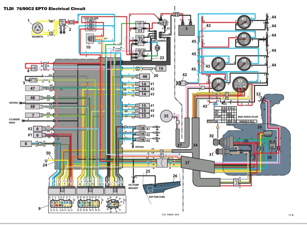
se consideriamo che girano ancora motori degli anni 70/80 e questo è solo del 2005 non lo definirei proprio 'vecchio'... comunque i colori dei fili
del blocchetto chiave corrispondevano perfettamente allo schema del manuale, l'ex proprietario invece non si ricordava e mi ha detto che probabilmente non corrispondevano ed invece corrispondevano perfettamente,solo che arrivano anche altri fili per il quadro ed il trim che creavano non poca confusione...
1
voti
Felice di sapere che hai risolto. Grazie in oltre di aver ascoltato il consiglio di Setteali,di sicuro le domande da te poste,non che lo schema che hai postato consentono ad altri di risolvere ed ultima cosa ma non meno importante arricchisce di fatto il nostro forum.
A risentirci
A risentirci

7 messaggi
• Pagina 1 di 1
Torna a Autovetture, motori endotermici ed elettronica relativa
Chi c’è in linea
Visitano il forum: Nessuno e 5 ospiti

Elettrotecnica e non solo (admin)
Un gatto tra gli elettroni (IsidoroKZ)
Esperienza e simulazioni (g.schgor)
Moleskine di un idraulico (RenzoDF)
Il Blog di ElectroYou (webmaster)
Idee microcontrollate (TardoFreak)
PICcoli grandi PICMicro (Paolino)
Il blog elettrico di carloc (carloc)
DirtEYblooog (dirtydeeds)
Di tutto... un po' (jordan20)
AK47 (lillo)
Esperienze elettroniche (marco438)
Telecomunicazioni musicali (clavicordo)
Automazione ed Elettronica (gustavo)
Direttive per la sicurezza (ErnestoCappelletti)
EYnfo dall'Alaska (mir)
Apriamo il quadro! (attilio)
H7-25 (asdf)
Passione Elettrica (massimob)
Elettroni a spasso (guidob)
Bloguerra (guerra)




