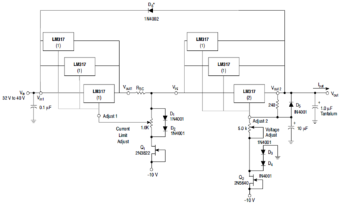
Per aumentare le prestazioni sono dell'idea che gli LM317 si possano collegare brutalmente in parallelo senza resistori di equalizzazione, ho fatto numerose prove in tal senso collegandone addirittura 12 in parallelo e non ho avuto alcun problema.
Il parallelo degli LM317 funziona perché internamente sono limitati in corrente e la limitazione interviene se viene superato il valore massimo di corrente che dipende dalla tensione ai capi del regolatore e dalla temperatura.
In pratica quando più regolatori sono collegati in parallelo succede che, a causa delle piccole differenze tra un esemplare e l'altro, la corrente del carico, se è bassa, scorre maggiormente in quello che ha una Vref minore di tutti e quindi tutta la regolazione è svolta prevalentemente da quello.
Se la corrente aumenta superando il valore massimo oltre il quale interviene la limitazione interna, succede che la regolazione di tensione inizia a cedere e quindi inizia a prevalere la regolazione di quello che ha una Vref inferiore agli altri ma superiore al primo... e così via fino a quando il valore della corrente supera la somma dei valori delle correnti massime di ciascuno.
Alimentatore Duale
Moderatori:
carloc,
g.schgor,
BrunoValente,
IsidoroKZ
0
voti
Sì, credo possa funzionare, però devi triplicare i valori di due condensatori, quello in ingresso e quello in uscita.
E' molto importante dissipare bene il calore, quindi occorre un dissipatore generoso e possibilmente isolatori ceramici, non in silicone che spesso conducono male il calore.
Oppure, che è meglio, senza isolatori ma con due dissipatori separati ed isolati da tutto: uno per i primi tre regolatori e l'altro per i secondi tre avendo cura di spalmare un leggero strato di pasta bianca al silicone tra i regolatori e i dissipatori.
E' molto importante dissipare bene il calore, quindi occorre un dissipatore generoso e possibilmente isolatori ceramici, non in silicone che spesso conducono male il calore.
Oppure, che è meglio, senza isolatori ma con due dissipatori separati ed isolati da tutto: uno per i primi tre regolatori e l'altro per i secondi tre avendo cura di spalmare un leggero strato di pasta bianca al silicone tra i regolatori e i dissipatori.
-

BrunoValente
39,6k 7 11 13 - G.Master EY

- Messaggi: 7796
- Iscritto il: 8 mag 2007, 14:48
0
voti
Sei pregato di utilizzare FidoCad per gli schemi come da regolamento.
-

BrunoValente
39,6k 7 11 13 - G.Master EY

- Messaggi: 7796
- Iscritto il: 8 mag 2007, 14:48
0
voti
BrunoValente ha scritto:Sì, credo possa funzionare, però devi triplicare i valori di due condensatori, quello in ingresso e quello in uscita.
E' molto importante dissipare bene il calore, quindi occorre un dissipatore generoso e possibilmente isolatori ceramici, non in silicone che spesso conducono male il calore.
Oppure, che è meglio, senza isolatori ma con due dissipatori separati ed isolati da tutto: uno per i primi tre regolatori e l'altro per i secondi tre avendo cura di spalmare un leggero strato di pasta bianca al silicone tra i regolatori e i dissipatori.
Sicuramente metterò 2 dissipatori uno per linea e pensavo anche ad un controllo in temperatura e ventola.
Per i condensatori ovviamente sarò generoso.
Ora il dubbio sono i transistor, sono proprio necessari? e per il lato negativo quali mi consigli di usare?
So che su questo forum si richiede fidocad ma purtroppo in uff non ce l'ho.
0
voti
Mi pare che i transistor servano se devi arrivare a "0 volt" con la regolazione di tensione, altrimenti no 
"Non farei mai parte di un club che accettasse la mia iscrizione" (G. Marx)
-

claudiocedrone
21,3k 4 7 9 - Master EY

- Messaggi: 15300
- Iscritto il: 18 gen 2012, 13:36
0
voti
Sono JFet, Q1 è necessario, Q2 serve per scendere fino a 0V e di Q2 puoi farne a meno se ti accontenti di 1.2V di tensione minima in uscita, puoi anche utilizzare dei 2N3819 che forse sono più reperibili.
Per il lato negativo puoi utilizzare gli stessi JFet collegandoli al contrario e collegando sempre G con S, se non è chiaro cerca di disegnare lo schema completo con FidoCad, così possiamo correggerlo.
Per il lato negativo puoi utilizzare gli stessi JFet collegandoli al contrario e collegando sempre G con S, se non è chiaro cerca di disegnare lo schema completo con FidoCad, così possiamo correggerlo.
-

BrunoValente
39,6k 7 11 13 - G.Master EY

- Messaggi: 7796
- Iscritto il: 8 mag 2007, 14:48
0
voti
Scusa mi correggo: i 2N3819 non sono adatti, hanno una VDSmax insufficiente.
Se hai difficoltà a reperire i Fet cerchiamo un'alternativa
Se hai difficoltà a reperire i Fet cerchiamo un'alternativa
-

BrunoValente
39,6k 7 11 13 - G.Master EY

- Messaggi: 7796
- Iscritto il: 8 mag 2007, 14:48
0
voti
BrunoValente ha scritto:Per il lato negativo puoi utilizzare gli stessi JFet collegandoli al contrario e collegando sempre G con S, se non è chiaro cerca di disegnare lo schema completo con FidoCad, così possiamo correggerlo.
Ok ma il JFet sul ramo positivo va collegato al -10 e sul negativo va collegato allora al +10V?
BrunoValente ha scritto:Sai come generare i -10V senza complicarti troppo la vita?
Come dicevo all'inizio voglio inserive varie uscite tra cui 3.3V +/- 5V e +/-10V
Pensavo di farlo con 7805 - 7905 - 7810 - 7910 oppure con degli altri Lm317 - Lm337
Però a me non interessa di arrivare a zero quindi:
Q1 lo posso eliminare e attacco direttamente a massa
D1 e D2 li elimino
Q2 lo elimino
D3 e D4 servono per creare circa 1.2V di caduta di tensione, li posso eliminare e andare direttamente a massa?
Normalmente si usa fidocad o fidocadj?
Chi c’è in linea
Visitano il forum: Nessuno e 31 ospiti

Elettrotecnica e non solo (admin)
Un gatto tra gli elettroni (IsidoroKZ)
Esperienza e simulazioni (g.schgor)
Moleskine di un idraulico (RenzoDF)
Il Blog di ElectroYou (webmaster)
Idee microcontrollate (TardoFreak)
PICcoli grandi PICMicro (Paolino)
Il blog elettrico di carloc (carloc)
DirtEYblooog (dirtydeeds)
Di tutto... un po' (jordan20)
AK47 (lillo)
Esperienze elettroniche (marco438)
Telecomunicazioni musicali (clavicordo)
Automazione ed Elettronica (gustavo)
Direttive per la sicurezza (ErnestoCappelletti)
EYnfo dall'Alaska (mir)
Apriamo il quadro! (attilio)
H7-25 (asdf)
Passione Elettrica (massimob)
Elettroni a spasso (guidob)
Bloguerra (guerra)
