wimatech ha scritto:Sicuramente metterò 2 dissipatori uno per linea
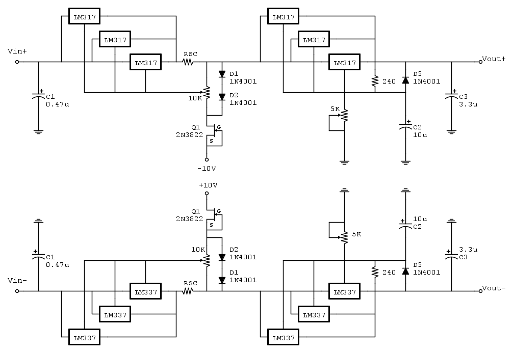
Forse non mi sono spiegato: intendevo due dissipatori per il lato positivo e due per il lato negativo, cioè un dissipatore per ogni gruppo di tre regolatori.
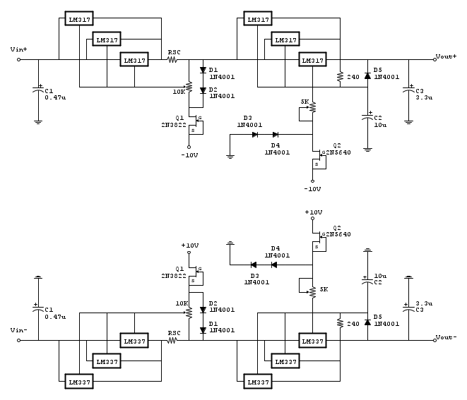
Il condensatore in ingresso puoi metterlo da 0.47uF ma deve essere ceramico ed è importante che sia molto vicino ai primi tre regolatori (collegamento corto) altrimenti si rischia che il circuito oscilli, soprattutto se il collegamento verso gli elettrolitici del ponte è lungo.
Per il condensatore di uscita dovrebbero andare bene 3.3uF, non conviene esagerare per limitare gli effetti dell'impulso di corrente nel carico nel caso di cortocircuito

Elettrotecnica e non solo (admin)
Un gatto tra gli elettroni (IsidoroKZ)
Esperienza e simulazioni (g.schgor)
Moleskine di un idraulico (RenzoDF)
Il Blog di ElectroYou (webmaster)
Idee microcontrollate (TardoFreak)
PICcoli grandi PICMicro (Paolino)
Il blog elettrico di carloc (carloc)
DirtEYblooog (dirtydeeds)
Di tutto... un po' (jordan20)
AK47 (lillo)
Esperienze elettroniche (marco438)
Telecomunicazioni musicali (clavicordo)
Automazione ed Elettronica (gustavo)
Direttive per la sicurezza (ErnestoCappelletti)
EYnfo dall'Alaska (mir)
Apriamo il quadro! (attilio)
H7-25 (asdf)
Passione Elettrica (massimob)
Elettroni a spasso (guidob)
Bloguerra (guerra)





