Avviamento trattore.
Moderatore:
Franco012
13 messaggi
• Pagina 2 di 2 • 1, 2
0
voti
A proposito:
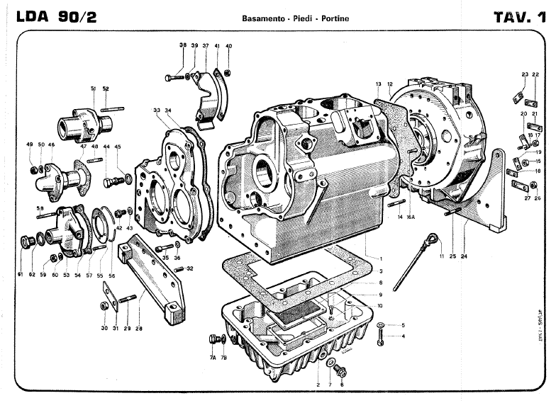
ho fatto il cambio olio motore del mio vecchio Lamborghini LDA 90/2 svitando il bullone 7A della tavola 1 come da documento allegato.
Vi chiedo:
quale olio usa questo motore?
per il cambio di olio va svitato anche il bullone 6 della tavola 1 ?
In allegato il manuale del motore
PS: devo aprire un altro post o potete rispondermi qui?
ho fatto il cambio olio motore del mio vecchio Lamborghini LDA 90/2 svitando il bullone 7A della tavola 1 come da documento allegato.
Vi chiedo:
quale olio usa questo motore?
per il cambio di olio va svitato anche il bullone 6 della tavola 1 ?
In allegato il manuale del motore
PS: devo aprire un altro post o potete rispondermi qui?
0
voti
Hai presente la sigla che si usa per l'olio ?
Il primo numero è la viscosità dell'olio a freddo, W= winter (inverno), il secondo numero è la viscosità a caldo.
Guardando il tuo manuale, dovresti prendere un olio motore 10W40.
Io ho da poco ereditato una motozappa anni 70 con motore lombardini, e da quel che ho capito, i vecchi motori ciclo diesel possono funzionare con qualsiasi olio (specifico per motore diesel) purchè di buona qualità.
Vediamo se qualcuno con più esperienza può confermare questo punto.
Il primo numero è la viscosità dell'olio a freddo, W= winter (inverno), il secondo numero è la viscosità a caldo.
Guardando il tuo manuale, dovresti prendere un olio motore 10W40.
Io ho da poco ereditato una motozappa anni 70 con motore lombardini, e da quel che ho capito, i vecchi motori ciclo diesel possono funzionare con qualsiasi olio (specifico per motore diesel) purchè di buona qualità.
Vediamo se qualcuno con più esperienza può confermare questo punto.
13 messaggi
• Pagina 2 di 2 • 1, 2
Torna a Autovetture, motori endotermici ed elettronica relativa
Chi c’è in linea
Visitano il forum: Nessuno e 5 ospiti

Elettrotecnica e non solo (admin)
Un gatto tra gli elettroni (IsidoroKZ)
Esperienza e simulazioni (g.schgor)
Moleskine di un idraulico (RenzoDF)
Il Blog di ElectroYou (webmaster)
Idee microcontrollate (TardoFreak)
PICcoli grandi PICMicro (Paolino)
Il blog elettrico di carloc (carloc)
DirtEYblooog (dirtydeeds)
Di tutto... un po' (jordan20)
AK47 (lillo)
Esperienze elettroniche (marco438)
Telecomunicazioni musicali (clavicordo)
Automazione ed Elettronica (gustavo)
Direttive per la sicurezza (ErnestoCappelletti)
EYnfo dall'Alaska (mir)
Apriamo il quadro! (attilio)
H7-25 (asdf)
Passione Elettrica (massimob)
Elettroni a spasso (guidob)
Bloguerra (guerra)



