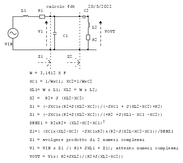
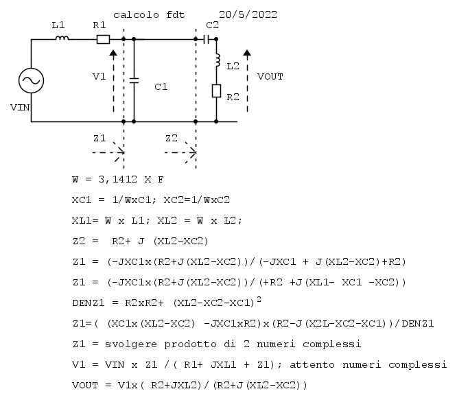
Roswell1947 ha scritto:Non capisco come si possa dare un esercizio di questo genere ...
Chi te lo ha dato?
... cosa stai studiando? ... dove? ... su che testo di riferimento?
Moderatori:
carloc,
g.schgor,
BrunoValente,
IsidoroKZ
Roswell1947 ha scritto:Non capisco come si possa dare un esercizio di questo genere ...




RenzoDF ha scritto:Vorresti essere così cortese da rispondere alle mie domande?
Grazie.


Visitano il forum: Nessuno e 220 ospiti