Io avevo capito che intendesse una cosa del genere
Un salvavita martoriato.
Moderatori:
sebago,
MASSIMO-G,
lillo,
Mike
22 messaggi
• Pagina 2 di 3 • 1, 2, 3
0
voti
Anche io, leggendo i vari interventi, sono giunto alla stessa conclusione di Goofy in [11]
Resta il fatto che non capisco perché il differenziale dovrebbe scattare. Comunque le due correnti che lo attraversano sono uguali, quindi per lui è tutto normale.
Scatterebbe se "l'iniezione" avvenisse a valle: a quel punto si che le due correnti (quella che lo attraversa dalla fase e quella che lo attraversa dal neutro) sarebbero diverse...
Resta il fatto che non capisco perché il differenziale dovrebbe scattare. Comunque le due correnti che lo attraversano sono uguali, quindi per lui è tutto normale.
Scatterebbe se "l'iniezione" avvenisse a valle: a quel punto si che le due correnti (quella che lo attraversa dalla fase e quella che lo attraversa dal neutro) sarebbero diverse...
Almeno l'itagliano sallo...
0
voti
Quel che dite é perfettamente logico e molto condivisibile.
E lo é soprattutto per il fatto che i ragionamenti esposti si riferiscono ad una situazione circuitale in cui tutto é a regime.
Per effettuare la tanto contestata "iniezione di corrente" potrei usare un TA 50/5, già in mio possesso, che come primario ha una barra in rame 25x3 mm lunga circa 15 centimetri con al centro l'avvolgimento secondario e relativi morsetti.
Potrei, non l'ho mai fatto, avvolgere alcune spire di corda di rame attorno ad uno dei due conduttori
della linea (che a valle ha il famigerato salvavita) ed attestarla all'estremità della barra 25x3 mm.
Con un opportuno reostato alimenterei i morsetti secondari del TA ottenendo così un certo passaggio di corrente al primario.
Questa corrente al primario si trasferirebbe sul conduttore della linea dove c'è il salvavita ?
Penso di no.
Ma se il reostato alimentasse il secondario del TA con un impulso sinusoidale a frequenza molto maggiore di quella industriale, supponiamo 500Hz, forse qualcosa, in termini di corrente, si trasferirebbe su quel conduttore.
E il salvavita scatterebbe?
Penso ancora di no a meno che quell'impulso ad alta frequenza che si propaga lungo il conduttore non si disperda verso terra attraverso una capacità parassita insensibile alla frequenza di 50Hz.
Allora sì che scatterebbe! Scatterebbe se il circuito magnetico del mio TA fosse in grado di lavorare alla frequenza imposta e senza troppo saturare.
E lo é soprattutto per il fatto che i ragionamenti esposti si riferiscono ad una situazione circuitale in cui tutto é a regime.
Per effettuare la tanto contestata "iniezione di corrente" potrei usare un TA 50/5, già in mio possesso, che come primario ha una barra in rame 25x3 mm lunga circa 15 centimetri con al centro l'avvolgimento secondario e relativi morsetti.
Potrei, non l'ho mai fatto, avvolgere alcune spire di corda di rame attorno ad uno dei due conduttori
della linea (che a valle ha il famigerato salvavita) ed attestarla all'estremità della barra 25x3 mm.
Con un opportuno reostato alimenterei i morsetti secondari del TA ottenendo così un certo passaggio di corrente al primario.
Questa corrente al primario si trasferirebbe sul conduttore della linea dove c'è il salvavita ?
Penso di no.
Ma se il reostato alimentasse il secondario del TA con un impulso sinusoidale a frequenza molto maggiore di quella industriale, supponiamo 500Hz, forse qualcosa, in termini di corrente, si trasferirebbe su quel conduttore.
E il salvavita scatterebbe?
Penso ancora di no a meno che quell'impulso ad alta frequenza che si propaga lungo il conduttore non si disperda verso terra attraverso una capacità parassita insensibile alla frequenza di 50Hz.
Allora sì che scatterebbe! Scatterebbe se il circuito magnetico del mio TA fosse in grado di lavorare alla frequenza imposta e senza troppo saturare.
0
voti
Semplifichiamo
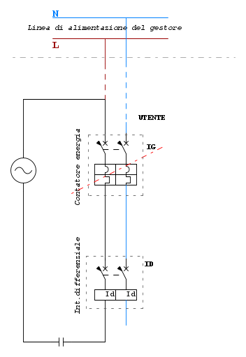
Così può intervenire. La presenza del contatore non è rilevante.
Così può intervenire. La presenza del contatore non è rilevante.
0
voti
Luigi, il tuo ragionamento , con le tue supposizioni è corretto. La corrente, dovuto all'aumento di tensione di un solo conduttore, passando in un condensatore, squilibra il differenziale.
Vedo ora che Goofy, che saluto, mi ha preceduto.

0
voti
Lo schema di Marco rappresenta esattamente quanto da me esposto. A mio avviso però, il suo ultimo post contiene un'imprecisione perché non viene sottolineata la presenza nel conduttore "L" di un impulso ad alta frequenza che viene, poi, scaricato a terra attraverso una capacità parassita del conduttore stesso. Ciò presuppone la presenza, in condizioni normali, di una "leggera" dispersione di corrente verso terra tale, però, da non far intervenire il differenziale. Con l'impulso la dispersione si accentua e il differenziale scatta. Poi, magari dopo lo scatto, la dispersione verso terra (che a tutti gli effetti é un guasto latente) si autoestingue e l'impianto continua a funzionare regolarmente.
Credo sia capitato a tutti che a volte, durante un temporale, ci si ritrova con il differenziale della propria abitazione scattato e la casa al buio. Poi lo si richiude e tutto torna a funzionare come prima.
La mia "iniezione di corrente" corrisponde all'effetto del temporale sulla rete elettrica esterna.
Credo sia capitato a tutti che a volte, durante un temporale, ci si ritrova con il differenziale della propria abitazione scattato e la casa al buio. Poi lo si richiude e tutto torna a funzionare come prima.
La mia "iniezione di corrente" corrisponde all'effetto del temporale sulla rete elettrica esterna.
0
voti
Che sia su L o su N non importa.
Le sovratensioni da fulmine sono impulsive quindi basta una piccola capacità per avere una bassa reattanza e corrente sufficiente a provocare l'apertura se la sovratensione è diversa fra L e N (oppure se c'è una diversa capacità verso terra)
Le sovratensioni da fulmine sono impulsive quindi basta una piccola capacità per avere una bassa reattanza e corrente sufficiente a provocare l'apertura se la sovratensione è diversa fra L e N (oppure se c'è una diversa capacità verso terra)
0
voti
Con il contributo di tutti abbiamo capito che un salvavita (o differenziale) é in grado di intervenire per eventi elettrici che si possono verificare sia a monte che a valle del salvavita stesso.
Allora ho pensato che si potrebbe studiare un sistema in grado di individuare il punto in cui sia presente la dispersione.
A volte capita di non riuscire a rialimentare un impianto perché il salvavita scatta in continuazione sottomano.
Oppure, e questo é ancor più tribolante, si rialimenta ma poco dopo scatta di nuovo.
Per cui disporre di un dispositivo che indichi, con buona approssimazione, la distanza della dispersione dalla fonte di alimentazione, sarebbe molto utile. Ma l''avventura sarebbe impegnativa e complessa e, perché no, anche se molto divertente.
Meglio se ci fermiamo qui.
Un grazie a tutti per l'attenzione.
Allora ho pensato che si potrebbe studiare un sistema in grado di individuare il punto in cui sia presente la dispersione.
A volte capita di non riuscire a rialimentare un impianto perché il salvavita scatta in continuazione sottomano.
Oppure, e questo é ancor più tribolante, si rialimenta ma poco dopo scatta di nuovo.
Per cui disporre di un dispositivo che indichi, con buona approssimazione, la distanza della dispersione dalla fonte di alimentazione, sarebbe molto utile. Ma l''avventura sarebbe impegnativa e complessa e, perché no, anche se molto divertente.
Meglio se ci fermiamo qui.
Un grazie a tutti per l'attenzione.
0
voti
luigi_48 ha scritto:
Per cui disporre di un dispositivo che indichi, con buona approssimazione, la distanza della dispersione dalla fonte di alimentazione,
Con la pinza amperometrica puoi verificare su quale ramo dell'impianto c'è la dispersione e se è a monte o valle del punto di inserimento.
0
voti
La pinza amperometrica, il cui pdf ha postato Goofy che ringrazio, può essere uno strumento utile per la ricerca della dispersione. Ma il suo utilizzo implica un laborioso menage che mi sembra essere poco pratico. E soprattutto implica che durante la ricerca, dovendo bypassare l'ID, vengono meno le condizioni di sicurezza per chi sta in quell'impianto o abitazione. E' una cosa da evitare assolutamente. Poi, si sa, ognuno fa quel che gli pare!
Ciò che invece ho in mente io è un qualcosa di completamente diverso e che, se andasse a buon fine, permetterebbe una ricerca più rapida e soprattutto in assoluta sicurezza.
Buona serata a tutti.
Ciò che invece ho in mente io è un qualcosa di completamente diverso e che, se andasse a buon fine, permetterebbe una ricerca più rapida e soprattutto in assoluta sicurezza.
Buona serata a tutti.
22 messaggi
• Pagina 2 di 3 • 1, 2, 3
Torna a Impianti, sicurezza e quadristica
Chi c’è in linea
Visitano il forum: Nessuno e 76 ospiti

Elettrotecnica e non solo (admin)
Un gatto tra gli elettroni (IsidoroKZ)
Esperienza e simulazioni (g.schgor)
Moleskine di un idraulico (RenzoDF)
Il Blog di ElectroYou (webmaster)
Idee microcontrollate (TardoFreak)
PICcoli grandi PICMicro (Paolino)
Il blog elettrico di carloc (carloc)
DirtEYblooog (dirtydeeds)
Di tutto... un po' (jordan20)
AK47 (lillo)
Esperienze elettroniche (marco438)
Telecomunicazioni musicali (clavicordo)
Automazione ed Elettronica (gustavo)
Direttive per la sicurezza (ErnestoCappelletti)
EYnfo dall'Alaska (mir)
Apriamo il quadro! (attilio)
H7-25 (asdf)
Passione Elettrica (massimob)
Elettroni a spasso (guidob)
Bloguerra (guerra)







