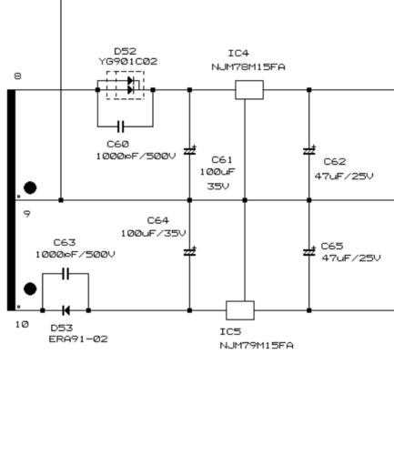
Ecco la scheda aggiuntiva, molto brutta esteticamente ma almeno dovrebbe essere funzionale per il mio scopo.
Le tensioni che ho "indicato" sono quelle provenienti dalla scheda originale, la +5 non l'ho indicata perché è il 7805 è ben visibile sulla destra.
In merito ai condensatori, ho trovato i modelli aventi le specifiche consigliate e l'unica differenza riguarda la tensione massima supportata, 50v (non ne ho altri da 25v/35v).
Sui 7805/7812 ho collegato il positivo del condensatore da 1uF sul pin 1 e di conseguenza il gnd sul pin 2.
In uscita, sul pin 2 ho collegato il sempre il gnd, ma in questo caso del condensatore da 47uF e sul pin 3 il positivo.
Sul 7912 (come consigliatomi) ho impostato tutto inversamente.
Però pensavo ad un'altra possibilità, probabilmente la migliore, cosa che ovviamente mi è sfuggita perché (come si dice a Roma) sono talmente "fulminato" che non ho preso in considerazione la via forse più semplice.
Visto che sulla scheda originale ho i 7815/7915, se sostituisco questi ultimi con i 7812/7912 non faccio prima e il "lavoro" è anche più pulito?
Ora, il dubbio riguarda sempre la motivazione per la quale questa scheda in uscita ha +15/-15 e non le tensioni che mi servono: se il circuito è stato progettato per emettere queste tensioni (oltre alla classica +5) in uscita, non è detto che basti semplicemente sostituire quei due regolatori di tensione per risolvere tutto, potrei incorrere in qualche problema basandomi sul secondario di questo circuito?
Korg Trinity - scheda di alimentazione non funzionante
0
voti
Questa è la facciata inferiore della scheda aggiuntiva.
Per posizionare il connettore più grande, ho dovuto modificare il diametro dei reofori e collegare i pin 2/3 a prescindere dagli stessi reofori), non è un granché come ho già scritto, per questo sarebbe meglio farla realizzare in seguito ad una progettazione, seppur semplice, almeno avrei tra le mani un lavoro pulito.
Per posizionare il connettore più grande, ho dovuto modificare il diametro dei reofori e collegare i pin 2/3 a prescindere dagli stessi reofori), non è un granché come ho già scritto, per questo sarebbe meglio farla realizzare in seguito ad una progettazione, seppur semplice, almeno avrei tra le mani un lavoro pulito.
Ultima modifica di
Mau77 il 8 giu 2022, 14:42, modificato 1 volta in totale.
0
voti
No, semplicemente quella versione aveva bisogno di 15V anziche' 12, ma ovviamente se gia li hai sullo stampato originale, sostituisci quelli e sei a posto senza fare un'altra scheda.
Anche i dissipatori sembrano grandi a sufficenza, ma ovviamente e' da provare dopo, se scaldano troppo (Pensavo che i 15V fossero l'uscita diretta dallo switching, se dicevi prima che c'erano gia su i 7815/7915, ti avrei suggerito direttamente di cambiare loro, senza stare a fare una seconda scheda aggiuntiva
).
Anche i dissipatori sembrano grandi a sufficenza, ma ovviamente e' da provare dopo, se scaldano troppo (Pensavo che i 15V fossero l'uscita diretta dallo switching, se dicevi prima che c'erano gia su i 7815/7915, ti avrei suggerito direttamente di cambiare loro, senza stare a fare una seconda scheda aggiuntiva
"Sopravvivere" e' attualmente l'unico lusso che la maggior parte dei Cittadini italiani,
sia pure a costo di enormi sacrifici, riesce ancora a permettersi.
sia pure a costo di enormi sacrifici, riesce ancora a permettersi.
-

Etemenanki
9.517 3 6 10 - Master

- Messaggi: 5940
- Iscritto il: 2 apr 2021, 23:42
- Località: Dalle parti di un grande lago ... :)
0
voti
Etemenanki ha scritto:No, semplicemente quella versione aveva bisogno di 15V anziche' 12, ma ovviamente se gia li hai sullo stampato originale, sostituisci quelli e sei a posto senza fare un'altra scheda.
Anche i dissipatori sembrano grandi a sufficenza, ma ovviamente e' da provare dopo, se scaldano troppo (Pensavo che i 15V fossero l'uscita diretta dallo switching, se dicevi prima che c'erano gia su i 7815/7915, ti avrei suggerito direttamente di cambiare loro, senza stare a fare una seconda scheda aggiuntiva).
Sul fatto che fossero già presenti i regolatori hai ragione, credimi, sono talmente stanco mentalmente che non vedo neanche quello che ho davanti agli occhi (un esempio su tutto, lo schema elettrico della scheda originale che mi è arrivata, mica avevo visto le sigle dei regolatori, pensa come sono messo).
Al massimo, mi tocca togliere i connettori della scheda e sostituirli con quelli della scheda della Trinity, perché anche due due questi sulla scheda della Triton sono a 7 pin e non a 12, la posizione delle tensioni e delle gnd è la stessa, rimarrebbero giusto due pin inutilizzati.
Come tipologia di scheda, questa sembra anche più "robusta" rispetto all'altra, anche per via della presenza dei dissipatori, assenti invece su quella della Trinity.
Teoricamente una volta sostituiti i regolatori, facendo questa prova ovviamente con la scheda alimentata e non collegata alla Trinity (come sto facendo dall'iniziò), dovrei far scorrere un determinato numero di minuti per appurare o meno che i regolatori non si surriscaldino troppo?
0
voti
Si, sotto carico, per sicurezza.
Se non hai carichi elettronici, il sistema piu semplice e' procurarsi tre lampadine a filamento da un'elettrauto.
Per i 12V, dovrebbe essere semplice procurarsi un paio di lampadine per luci di posizione, di solito sono da 5W, ed una da 10w (tipo quelle per illuminare la targa) per testare anche l'uscita a 5V
Se non hai carichi elettronici, il sistema piu semplice e' procurarsi tre lampadine a filamento da un'elettrauto.
Per i 12V, dovrebbe essere semplice procurarsi un paio di lampadine per luci di posizione, di solito sono da 5W, ed una da 10w (tipo quelle per illuminare la targa) per testare anche l'uscita a 5V
"Sopravvivere" e' attualmente l'unico lusso che la maggior parte dei Cittadini italiani,
sia pure a costo di enormi sacrifici, riesce ancora a permettersi.
sia pure a costo di enormi sacrifici, riesce ancora a permettersi.
-

Etemenanki
9.517 3 6 10 - Master

- Messaggi: 5940
- Iscritto il: 2 apr 2021, 23:42
- Località: Dalle parti di un grande lago ... :)
0
voti
Lampadine per luci di posizione se ne trovano tranquillamente da 10 W, certo i regolatori vanno testati a carico perché se dovessero scaldare troppo il loro circuito di protezione integrato riduce la corrente in uscita ma per il resto sono "indistruttibili", l'unico modo per ucciderli è superare la differenza di tensione ammessa tra ingresso e uscita cosa che nel caso in questione non può avvenire.
"Non farei mai parte di un club che accettasse la mia iscrizione" (G. Marx)
-

claudiocedrone
21,3k 4 7 9 - Master EY

- Messaggi: 15302
- Iscritto il: 18 gen 2012, 13:36
0
voti
Ok, appena metto a posto il succhia stagno (non basta avere un saldatore così così, ci manca pure qualche altro problema) faccio tutto, prima vedi di trovare queste lampadine.
Quello che devo appurare è se le lampadine emettono luce in maniera costante, senza improvvise diminuzioni o aumenti di intensità o spegnimenti vari, giusto?
Bisogna far partitore questa Trinity.
Quello che devo appurare è se le lampadine emettono luce in maniera costante, senza improvvise diminuzioni o aumenti di intensità o spegnimenti vari, giusto?
Bisogna far partitore questa Trinity.
1
voti
Primna di dare tensione al tutto, hai rispettato la piedinatura diversa che ha il 7912 dai 7812 ?
Alex
https://www.facebook.com/Elettronicaeelettrotecnica
<< vedi di pigliare arditamente in mano, il dizionario che ti suona in bocca,
se non altro è schietto e paesano.
(Giuseppe Giusti) <<
https://www.facebook.com/Elettronicaeelettrotecnica
<< vedi di pigliare arditamente in mano, il dizionario che ti suona in bocca,
se non altro è schietto e paesano.
(Giuseppe Giusti) <<
0
voti
Sì ma oltre a osservarne la luminosità ci metti il multimetro in parallelo e tieni d'occhio la tensione.
Le lampadine le trovi tranquillamente anche al supermercato o dai cinesi.
Le lampadine le trovi tranquillamente anche al supermercato o dai cinesi.
"Non farei mai parte di un club che accettasse la mia iscrizione" (G. Marx)
-

claudiocedrone
21,3k 4 7 9 - Master EY

- Messaggi: 15302
- Iscritto il: 18 gen 2012, 13:36
0
voti
setteali ha scritto:Primna di dare tensione al tutto, hai rispettato la piedinatura diversa che ha il 7912 dai 7812 ?
Devo ancora sostituirli, però prima controllo sempre la posizione dei pin in base alla loro corrispondenza.
Torna a Costruzione, riparazione, riutilizzo
Chi c’è in linea
Visitano il forum: Nessuno e 57 ospiti

Elettrotecnica e non solo (admin)
Un gatto tra gli elettroni (IsidoroKZ)
Esperienza e simulazioni (g.schgor)
Moleskine di un idraulico (RenzoDF)
Il Blog di ElectroYou (webmaster)
Idee microcontrollate (TardoFreak)
PICcoli grandi PICMicro (Paolino)
Il blog elettrico di carloc (carloc)
DirtEYblooog (dirtydeeds)
Di tutto... un po' (jordan20)
AK47 (lillo)
Esperienze elettroniche (marco438)
Telecomunicazioni musicali (clavicordo)
Automazione ed Elettronica (gustavo)
Direttive per la sicurezza (ErnestoCappelletti)
EYnfo dall'Alaska (mir)
Apriamo il quadro! (attilio)
H7-25 (asdf)
Passione Elettrica (massimob)
Elettroni a spasso (guidob)
Bloguerra (guerra)

