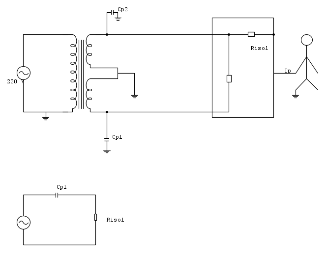
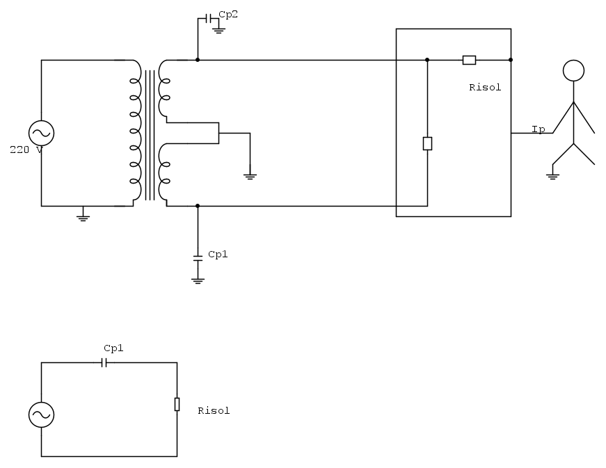
Salve,ho su gli appunti uno schema di un trasformatore di isolamento con capacità parassita da 15nF collegato ad una apparecchiatura elettromedicale con resistenza di isolamento Ris=100K ,viene detto che Cp1 e Cp2 sono in parallello (perché??forse viene considerata trascurabile la resistenza degli avvolgimenti ?) mostrato il circuito equivalente che però non capisco,nel senso che viene inserito solo Cp1 ,inoltre c'è la presa centrale (come mai?) e se non ci fosse sarebbe sbagliato?
Grazie a quanti mi daranno un aiuto.
Trasformatore isolamento microshock
Moderatori:
carloc,
g.schgor,
BrunoValente,
IsidoroKZ
1 messaggio
• Pagina 1 di 1
1 messaggio
• Pagina 1 di 1
Chi c’è in linea
Visitano il forum: Nessuno e 102 ospiti

Elettrotecnica e non solo (admin)
Un gatto tra gli elettroni (IsidoroKZ)
Esperienza e simulazioni (g.schgor)
Moleskine di un idraulico (RenzoDF)
Il Blog di ElectroYou (webmaster)
Idee microcontrollate (TardoFreak)
PICcoli grandi PICMicro (Paolino)
Il blog elettrico di carloc (carloc)
DirtEYblooog (dirtydeeds)
Di tutto... un po' (jordan20)
AK47 (lillo)
Esperienze elettroniche (marco438)
Telecomunicazioni musicali (clavicordo)
Automazione ed Elettronica (gustavo)
Direttive per la sicurezza (ErnestoCappelletti)
EYnfo dall'Alaska (mir)
Apriamo il quadro! (attilio)
H7-25 (asdf)
Passione Elettrica (massimob)
Elettroni a spasso (guidob)
Bloguerra (guerra)

