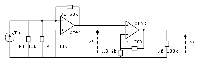
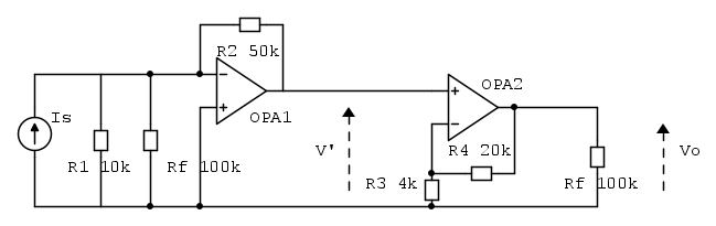
... giusto per concludere, scrivo io le due righe della soluzione via EET.
Una volta scelto come extra element il resistore
, come noto, la relazione per ottenere il guadagno via EET sarà
Ne segue che devono essere determinate tre incognite:
i) il guadagno
: banalmente pari a 
ii) la resistenza
con presenza
: via GIC ausiliario che annulli la corrente in
, otterrò
.iii) la resistenza
con ingresso cortocircuitato: con GIC unitario, avrò ai suoi morsetti una tensione
, e di conseguenza
.Morale della favola

Semplice no ?

Elettrotecnica e non solo (admin)
Un gatto tra gli elettroni (IsidoroKZ)
Esperienza e simulazioni (g.schgor)
Moleskine di un idraulico (RenzoDF)
Il Blog di ElectroYou (webmaster)
Idee microcontrollate (TardoFreak)
PICcoli grandi PICMicro (Paolino)
Il blog elettrico di carloc (carloc)
DirtEYblooog (dirtydeeds)
Di tutto... un po' (jordan20)
AK47 (lillo)
Esperienze elettroniche (marco438)
Telecomunicazioni musicali (clavicordo)
Automazione ed Elettronica (gustavo)
Direttive per la sicurezza (ErnestoCappelletti)
EYnfo dall'Alaska (mir)
Apriamo il quadro! (attilio)
H7-25 (asdf)
Passione Elettrica (massimob)
Elettroni a spasso (guidob)
Bloguerra (guerra)


la resistenza R5. Chiamo
la tensione d'ingresso Vi del circuito originale.
e R1 in parallelo ad esso.



(guadagno del circuito senza reazione)








pigreco]=π