Nel solito libro di testo di elettrotecnia ed elettronica di mio nipote vengono introdotti prima i latch e poi i flip flop.E' introdotto anche un modo per indicarli e distinguerli anche in maniera breve. Ad esempio JK latch (per un latch JK) e JKFF per un flip flop JK.
Prima si mettono in evidenza i limiti dei latch e poi si introducono i flip flop con la relativa definizione:
Ok, tutto bene e tutto chiaro.
Ad un certo punto, nel seguito, nello stesso libro, si tratta del 555:
Io non ho esperienza pratica ma mi sembra di aver compreso il funzionamento teorico, monostabile e astabile del 555. Quello che non mi torna è il fatto che quel "coso" SR interno al 555 il libro prima dice che è un latch SR e poi dice che è un SRFF. Ora, se fosse un SRFF dovrebbe avere un ingresso di clock, che non vedo, e poi che senso avrebbe costruire un clock se io il clock già ce l'ho?
Mi potete spiegare la logica del libro?
In 555 c'è un latch o un flip flop?
Moderatori:
carloc,
g.schgor,
BrunoValente,
IsidoroKZ
0
voti
SRFF = Set Reset Flip Flop
Quello del 555, non necessariamente serve che abbia un clock, cambia stato delle uscite quando gli invii un segnale sugli ingressi set o reset, quindi e' un latch (avranno sbagliato semplicemente la definizione, in fondo anche in molti altri testi e descrizioni ho visto indicare i "latch" (senza clock) come "flip-flop".
EDIT: inoltre i FF agiscono anche come latch, basta che l'ingresso di clock venga tenuto al valore "attivo", per cui circuitalmente sono intercambiabili (anche se non e' vero il contrario, per cui se hai un FF lo puoi usare come latch, ma non l'opposto).
Quello del 555, non necessariamente serve che abbia un clock, cambia stato delle uscite quando gli invii un segnale sugli ingressi set o reset, quindi e' un latch (avranno sbagliato semplicemente la definizione, in fondo anche in molti altri testi e descrizioni ho visto indicare i "latch" (senza clock) come "flip-flop".
EDIT: inoltre i FF agiscono anche come latch, basta che l'ingresso di clock venga tenuto al valore "attivo", per cui circuitalmente sono intercambiabili (anche se non e' vero il contrario, per cui se hai un FF lo puoi usare come latch, ma non l'opposto).
"Sopravvivere" e' attualmente l'unico lusso che la maggior parte dei Cittadini italiani,
sia pure a costo di enormi sacrifici, riesce ancora a permettersi.
sia pure a costo di enormi sacrifici, riesce ancora a permettersi.
-

Etemenanki
9.507 3 6 10 - Master

- Messaggi: 5935
- Iscritto il: 2 apr 2021, 23:42
- Località: Dalle parti di un grande lago ... :)
0
voti
Mi pare di ricordare che nella sua versione CMOS il 555 usi un latch SR asincrono.
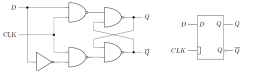
Detto questo, una precisazione importantissima: i latch sincroni ESISTONO, quindi "se ha un clock è un flip-flop" è un'assunzione sbagliatissima. Peraltro, i latch sincroni permettono di risolvere il fondamentale problema dello "stato improprio" che affligge invece i latch asincroni, visto che diventa possibile implementare il circuito nella forma seguente e demandare al clock il ruolo di determinare quando il latch deve essere trasparente:
Ritenere che i latch siano necessariamente asincroni è una bestialità colossale, anche perché l'esistenza stessa dei flip-flop si basa proprio sul fatto che sia possibile realizzare latch sincroni.
Detto questo, una precisazione importantissima: i latch sincroni ESISTONO, quindi "se ha un clock è un flip-flop" è un'assunzione sbagliatissima. Peraltro, i latch sincroni permettono di risolvere il fondamentale problema dello "stato improprio" che affligge invece i latch asincroni, visto che diventa possibile implementare il circuito nella forma seguente e demandare al clock il ruolo di determinare quando il latch deve essere trasparente:
Ritenere che i latch siano necessariamente asincroni è una bestialità colossale, anche perché l'esistenza stessa dei flip-flop si basa proprio sul fatto che sia possibile realizzare latch sincroni.
-

rugweri
5.948 2 8 13 - CRU - Account cancellato su Richiesta utente
- Messaggi: 1366
- Iscritto il: 25 nov 2016, 18:46
0
voti
Il concetto di latch sincrono non mi è mai piaciuto, preferisco chiamarlo gated latch.
Ma forse è una questione di gusti.
La differenza principale tra latch e flip-flop, nella sua spiegazione canonica, è che il latch è level-sensitive, mentre il flip-flop è edge-triggered.
Si noti che oltre alla differenza tra i due tipi di segnale di controllo (level e edge), c'è anche una differenza nella reazione (sensitive e triggered). Triggered per me rafforza il concetto di qualcosa che dura solo un istante.
Da qui la mia tendenza ad evitare il termine "latch sincrono".
Poi ovviamente si possono costruire circuiti sincroni usando latches ed è anche stato fatto, per esempio nel DEC Alpha 21064.
Boiler
Ma forse è una questione di gusti.
La differenza principale tra latch e flip-flop, nella sua spiegazione canonica, è che il latch è level-sensitive, mentre il flip-flop è edge-triggered.
Si noti che oltre alla differenza tra i due tipi di segnale di controllo (level e edge), c'è anche una differenza nella reazione (sensitive e triggered). Triggered per me rafforza il concetto di qualcosa che dura solo un istante.
Da qui la mia tendenza ad evitare il termine "latch sincrono".
Poi ovviamente si possono costruire circuiti sincroni usando latches ed è anche stato fatto, per esempio nel DEC Alpha 21064.
Boiler
0
voti
Non ho riportato più dello stretto necessario del libro ma forse è il caso precisare che il libro tratta anche dei latch con enable. Ora uno può collegare questo enable anche a un segnale di clock ma evidentemente per il libro anche così i latch restano latch e i suoi ingressi anche così sono considerati asincroni (forse) perché, almeno per tutta la metà del tempo, possono ancora produrre variazioni.
Lo spartiacque, per il libro, è il meccanismo interno al dispositivo stesso e che lo porta a "sentire gli ingressi" solo sul fronte di salita (o di discesa) del clock. Se il dispositivo sa fare questo allora è un flip flop, e gli ingressi che sono attivi solo sui fronti del clock sono detti sincroni, altrimenti resta un semplice latch con enable, anche quando l'enable è collegato a un segnale di clock.
Insomma, io, avendo seguito il libro, mi trovo più sulla stessa lunghezza d'onda di boiler.
Tuttavia, appunto, come dicevo, non capisco poi del libro questo uso dei termini nella spiegazione del 555. Mi chiedevo se quello del libro è semplicemente un ributtare nell'indifferenziato e nel vago termini e concetti, oppure se c'era un'altra spiegazione.
Lo spartiacque, per il libro, è il meccanismo interno al dispositivo stesso e che lo porta a "sentire gli ingressi" solo sul fronte di salita (o di discesa) del clock. Se il dispositivo sa fare questo allora è un flip flop, e gli ingressi che sono attivi solo sui fronti del clock sono detti sincroni, altrimenti resta un semplice latch con enable, anche quando l'enable è collegato a un segnale di clock.
Insomma, io, avendo seguito il libro, mi trovo più sulla stessa lunghezza d'onda di boiler.
Tuttavia, appunto, come dicevo, non capisco poi del libro questo uso dei termini nella spiegazione del 555. Mi chiedevo se quello del libro è semplicemente un ributtare nell'indifferenziato e nel vago termini e concetti, oppure se c'era un'altra spiegazione.
1
voti
jaelec ha scritto:Mi chiedevo se quello del libro è semplicemente un ributtare nell'indifferenziato e nel vago termini e concetti, oppure se c'era un'altra spiegazione.
Da quel poco (pochissimo) che vedo, mi sembra un libro molto sul superficiale/divulgativo. Che scuola frequenta tuo nipote? Puoi dire che libro è?
Boiler
0
voti
boiler ha scritto:Il concetto di latch sincrono non mi è mai piaciuto, preferisco chiamarlo gated latch.
Non piace troppo neanche a me, ma in questo caso va utilizzato per evidenziare l'errore gravissimo fatto nei primi due post: "c'è il clock = è un flip-flop" è un'assunzione sbagliatissima.
jaelec ha scritto:Insomma, io, avendo seguito il libro, mi trovo più sulla stessa lunghezza d'onda di boiler.
Mi sa che 'sta lunghezza d'onda ti conviene rimisurarla, perché nel primo messaggio hai scritto:
jaelec ha scritto:se fosse un SRFF dovrebbe avere un ingresso di clock
Che non è assolutamente compatibile con quanto ha scritto
-

rugweri
5.948 2 8 13 - CRU - Account cancellato su Richiesta utente
- Messaggi: 1366
- Iscritto il: 25 nov 2016, 18:46
0
voti
rugweri ha scritto:"c'è il clock = è un flip-flop" è un'assunzione sbagliatissima.
Lo è davvero?
Cercando rapidamente mi sembra piuttosto di capire che noi ci siamo abituati ad una certa dicitura che sottintende una parte importante della storia.
Forse (e dico forse, al momento non ho tempo per una ricerca rigorosa) il libro ha ragione:
- flip-flop = elemento di memoria sincronizzato (in qualche modo) da un clock
--- gated latch: è un tipo di flip-flop
--- single-edge triggered flip-flop (quello che tutti noi per pigrizia chiamiamo solo flip-flop, dando origine a questo possible quid-pro-quo)
Boiler
1
voti
boiler ha scritto:jaelec ha scritto:Mi chiedevo se quello del libro è semplicemente un ributtare nell'indifferenziato e nel vago termini e concetti, oppure se c'era un'altra spiegazione.
Da quel poco (pochissimo) che vedo, mi sembra un libro molto sul superficiale/divulgativo. Che scuola frequenta tuo nipote? Puoi dire che libro è?
Boiler
Mio nipote frequenta un isitituto tecnico tecnologico - elettronica ed elettrotecnica - classe quarta. Deve fare la quinta.
Il libro è Elettrotecnica ed elettronica di Ambrosini-Spadaro
Il libro per la verità non mi sembra male, anzi, a volte leggo delle precisazioni illuminanti non trovate da altre parti. Tuttavia a volte, come in questo caso, trovo delle cose che non mi convincono e perciò chiedo in questo forum. Chiedo per spiegarmi la logica del libro in qualche specifico punto ma ovviamente anche per condividere e capire meglio l'argomento, se mi riesce. In ogni caso per poter dialogare con mio nipote devo restare ancorato a questo libro.
0
voti
boiler ha scritto:--- gated latch: è un tipo di flip-flop
--- single-edge triggered flip-flop (quello che tutti noi per pigrizia chiamiamo solo flip-flop, dando origine a questo possible quid-pro-quo)
Non è questa la nomenclatura universalmente utilizzata: la stragrande maggioranza dei testi di riferimento seri (solito esempio, ma posso proporne subito anche un altro) chiama "flip-flop" solo i circuiti edge-triggered, e in generale gli stessi designer (esempio) parlano di latch e non di flip-flop. Poi possiamo dare alle cose i nomi che vogliamo, ma a quel punto riusciremo a parlare solo con noi stessi.
Aggiungo a questo una precisazione linguistica: in inglese "to latch" è un verbo utilizzato per indicare la chiusura di una porta con un chiavistello, mentre "to latch on something" vuol dire letteralmente "attaccarsi/aggrapparsi a qualcosa". Il comportamento "apri-chiudi-mantieni" dei circuiti asincroni e level-triggered è suggerito già nel nome.
-

rugweri
5.948 2 8 13 - CRU - Account cancellato su Richiesta utente
- Messaggi: 1366
- Iscritto il: 25 nov 2016, 18:46
Chi c’è in linea
Visitano il forum: Nessuno e 48 ospiti

Elettrotecnica e non solo (admin)
Un gatto tra gli elettroni (IsidoroKZ)
Esperienza e simulazioni (g.schgor)
Moleskine di un idraulico (RenzoDF)
Il Blog di ElectroYou (webmaster)
Idee microcontrollate (TardoFreak)
PICcoli grandi PICMicro (Paolino)
Il blog elettrico di carloc (carloc)
DirtEYblooog (dirtydeeds)
Di tutto... un po' (jordan20)
AK47 (lillo)
Esperienze elettroniche (marco438)
Telecomunicazioni musicali (clavicordo)
Automazione ed Elettronica (gustavo)
Direttive per la sicurezza (ErnestoCappelletti)
EYnfo dall'Alaska (mir)
Apriamo il quadro! (attilio)
H7-25 (asdf)
Passione Elettrica (massimob)
Elettroni a spasso (guidob)
Bloguerra (guerra)


