termocoppia LT1025 con OpAmp
Moderatori:
carloc,
g.schgor,
BrunoValente,
IsidoroKZ
30 messaggi
• Pagina 2 di 3 • 1, 2, 3
0
voti
In pratica il rumore presente all'ingresso dell'opamp con quella amplificazione non verrebbe attenuato sufficientemente in uscita?e per quantificare il rumore in ingresso all'opamp come bisognerebbe agire?
-

Roswell1947
89 1 3 8 - Stabilizzato

- Messaggi: 438
- Iscritto il: 10 feb 2020, 16:39
0
voti
Ma se non ci fosse il condensatore C2 e si utilizzasse solo il condensatore C1 come filtro passabasso con taglio 6 Hz? ci sarebbero problemi?
Chi lo sa !. Ma il progettista abile ne previene la possibile comparsa.
Vuoi risparmiare un condensatore? Quanti circuiti devi costruire? 1 milione ? ,allora risparmieresti 1 milione di condensatori, vale una indagine approfondita.
Con quale risoluzione misuri il segnale in uscita del termometro?
Lo applichi direttamente a uno strumento o a uno SCADA ?
Se la temperatura "balla" per il rumore : per esempio visualizzi 450, 451, 450,451 C,°
un operatore può lamentarsi che è fastidioso ? Aggiungi un filtro passa basso nel programma?
0
voti
Vorrei solo parafrasare una tua domanda:
a che pro' C1 - che taglia la banda a 361 Hz - quando C2 taglia 6 Hz?
Good question!
Se tratti il circuito da un punto di vista teorico (componenti ideali) e' un non sense perche' il secondo polo (pendenza complessiva -40 dB/dec) a 361 Hz influenza poco il "taglio del rumore".
In ogni caso si puo' verificare banalmente che la configurazione che - ceteris paribus - da il miglior rapporto segnale/rumore e' quella in cui il taglio di banda avviene alla "fine del circuito".
C1 te lo potresti risparmiare!
In pratica - ma bisogna analizzare il sistema (non il circuito) reale - potrebbe essere che in uscita alla termocoppia - e qundi in ingresso all'amplificatore - c'e' un "forte" rumore* che satura lo stadio di ingresso dell'Op-Amp che quindi non lavora piu' in regime di linearita', nonostante il filtraggio dato da C2.
Il filtraggio "passivo" dato da C1 non soffre di problemi di non linerita' in funzione dell'ampiezza del segnale in ingresso essendo, appunto, passivo.
Perche' - con C1 - limitare la banda a 361 Hz (e non 6 Hz)?
Perche' occorrerebbe un condensatore 60 volte (361/6) piu' grosso (6 uF) che e' "impoponibile" in questa applicazione.
Nel caso che il valore di C1 (0.1 uF) non fosse sufficiente, e dovesse essere aumentato molto il suo valore, occorrerebbe adottare una diversa strategia per attenuare il rumore.
Ma questo esula dal quesito iniziale.
Per dare una risposta sintetica al quesito iniziale credo si possa dire:
Il circuito ed i valori sono un "ballpark" (vedi il significato su un buon dizionario inglese online) che permette di valutare se in una data applicazione l'approccio proposto per risolvere il problema e' utilizzabile.
* La Texas instrumens (ma anche altri costruttori) sui componenti piu' moderni specifica l'immunita' alla radiofrequenza in ingresso.
0
voti
Mi viene in mente che la temperatura del giunto freddo della termocoppia è una questione delicata: dipende da dove è messa :
Se l'elettronica e il LT1025 è messa in sala controllo, che sarà 25 C° è un conto.
Se il solo LT1025 è messo in locale motori, può assumere una temperatura di 70 C°.
Se la termocoppia indica per esempio una differenza di temperatura di 500 C° , la temperatura calda
effettiva è di 525 C° oppure di 570 C° ?
La tensione della termocoppia non è perfettamente lineare con la temperatura, viene introdotta una funziona di correzione nel software SCADA (Sistem Control And Data Acquisition termine di moda qualche decennio fa) ?
Se l'elettronica e il LT1025 è messa in sala controllo, che sarà 25 C° è un conto.
Se il solo LT1025 è messo in locale motori, può assumere una temperatura di 70 C°.
Se la termocoppia indica per esempio una differenza di temperatura di 500 C° , la temperatura calda
effettiva è di 525 C° oppure di 570 C° ?
La tensione della termocoppia non è perfettamente lineare con la temperatura, viene introdotta una funziona di correzione nel software SCADA (Sistem Control And Data Acquisition termine di moda qualche decennio fa) ?
0
voti
ok grazie a tutti per le risposte...sicuramente ne so più di prima.
-

Roswell1947
89 1 3 8 - Stabilizzato

- Messaggi: 438
- Iscritto il: 10 feb 2020, 16:39
2
voti
C2 ha due altre funzioni, legate al potenziometro.
La prima e` che quando si gira il potenziometro, il cursore potrebbe "saltellare" e creare un mare di rumori dovuti al fatto che apre e chiude in circuito sull'ingresso dell'operazionale. Con i vecchi potenziometri consumati capitava!
La seconda e` che un potenziometro collegato cosi` introduce una capacita` fra l'ingresso invertente e il resto dell'universo. Questa capacita` riduce il margine di fase, Una capacita` (basta molto piu` piccola) fra uscita e ingresso negativo elimina l'effetto del polo nella rete di retroazione.
La prima e` che quando si gira il potenziometro, il cursore potrebbe "saltellare" e creare un mare di rumori dovuti al fatto che apre e chiude in circuito sull'ingresso dell'operazionale. Con i vecchi potenziometri consumati capitava!
La seconda e` che un potenziometro collegato cosi` introduce una capacita` fra l'ingresso invertente e il resto dell'universo. Questa capacita` riduce il margine di fase, Una capacita` (basta molto piu` piccola) fra uscita e ingresso negativo elimina l'effetto del polo nella rete di retroazione.
Per usare proficuamente un simulatore, bisogna sapere molta più elettronica di lui
Plug it in - it works better!
Il 555 sta all'elettronica come Arduino all'informatica! (entrambi loro malgrado)
Se volete risposte rispondete a tutte le mie domande
Plug it in - it works better!
Il 555 sta all'elettronica come Arduino all'informatica! (entrambi loro malgrado)
Se volete risposte rispondete a tutte le mie domande
0
voti
IsidoroKZ ha scritto:C2 ha due altre funzioni, legate al potenziometro.
La prima e` che quando si gira il potenziometro, il cursore potrebbe "saltellare" e creare un mare di rumori dovuti al fatto che apre e chiude in circuito sull'ingresso dell'operazionale. Con i vecchi potenziometri consumati capitava!
La seconda e` che un potenziometro collegato cosi` introduce una capacita` fra l'ingresso invertente e il resto dell'universo. Questa capacita` riduce il margine di fase, Una capacita` (basta molto piu` piccola) fra uscita e ingresso negativo elimina l'effetto del polo nella rete di retroazione.
Scusa IsidoroKZ non ho capito bene in che modo C2 elimina questi due problemi che hai sottolineato
-

Roswell1947
89 1 3 8 - Stabilizzato

- Messaggi: 438
- Iscritto il: 10 feb 2020, 16:39
0
voti
Roswell1947 ha scritto:Scusa IsidoroKZ non ho capito bene in che modo C2 elimina questi due problemi che hai sottolineato
Provo a svolgere il compitino proposto da IsidoroKZ.
(Nei circuiti qui sotto C e' il C2 indicato da IsidoroKZ).
In Fig. 1a c'e' il circuito originale
In Fig. 1b il generatore Vnoise rappresenta il "cursore potrebbe "saltellare" e creare un mare di rumori" del post [16] di IsidoroKZ
- quale influenza ha C nei confronti di Vnoise?
In Fig. 1c il condensatore Cs e' la "capacita` fra l'ingresso invertente e il resto dell'universo" del post citato
Cs introduce uno zero
C introduce un polo
- qual e' la frequenza dello zero?
- qual e' la frequenza del polo?
0
voti
Alla prima domanda non saprei rispondere con esattezza ,mi sembra che all'aumentare di f l'op amp si comporti come buffer a guadagno unitario però il generatore di rumore è all'interno del loop di reazione (almeno mi sebrerebbe) e dovrebbe attenuarlo ma non saprei dare una giustificazione analitica,per la seconda domanda mi sembra che Cs e C formino una magia impropria di condensatori (risultano non indipendenti) e quindi introducano un solo polo,in realtà Cs vede una resistenza nulla dovuta al fatto che V- è circa uguale a V+ e Vin è nulla,viceversa C si verrebbe a trovare in parallelo a Cs e quindi il loro parallelo vedrebbe una resistenza pari al parallelo di (P+R1)//R2 ma magari sto dicendo una castroneria....chiedo ad elfo una spiegazione più dettagliata...sempre se gli è possibile.
-

Roswell1947
89 1 3 8 - Stabilizzato

- Messaggi: 438
- Iscritto il: 10 feb 2020, 16:39
0
voti
1) attendiamo pareri piu' autorevoli
2) La Fig. 1b potrebbe non essere propriamente corretta ma:
quindi a "bassa" frequenza il circuito guadagna 256 mentre ad "alta" frequenza guadagna 1.
Il rumore e' ad alta frequenza.
- Cosa ne deduci?
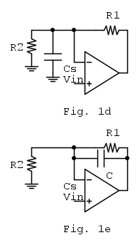
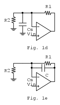
3) Guarda i circuiti qui sotto
Il circuito di Fig. 1c e' stato diviso nelle Fig. 1d e Fig. 1e
- Qual e' la risposta in frequenza dei due circuiti d, e?
- I due condensatori Cs e C "interagiscono" tra loro?
2) La Fig. 1b potrebbe non essere propriamente corretta ma:
Roswell1947 ha scritto:mi sembra che all'aumentare di f l'op amp si comporti come buffer a guadagno unitario
quindi a "bassa" frequenza il circuito guadagna 256 mentre ad "alta" frequenza guadagna 1.
Il rumore e' ad alta frequenza.
- Cosa ne deduci?
3) Guarda i circuiti qui sotto
Il circuito di Fig. 1c e' stato diviso nelle Fig. 1d e Fig. 1e
- Qual e' la risposta in frequenza dei due circuiti d, e?
- I due condensatori Cs e C "interagiscono" tra loro?
30 messaggi
• Pagina 2 di 3 • 1, 2, 3
Chi c’è in linea
Visitano il forum: Nessuno e 192 ospiti

Elettrotecnica e non solo (admin)
Un gatto tra gli elettroni (IsidoroKZ)
Esperienza e simulazioni (g.schgor)
Moleskine di un idraulico (RenzoDF)
Il Blog di ElectroYou (webmaster)
Idee microcontrollate (TardoFreak)
PICcoli grandi PICMicro (Paolino)
Il blog elettrico di carloc (carloc)
DirtEYblooog (dirtydeeds)
Di tutto... un po' (jordan20)
AK47 (lillo)
Esperienze elettroniche (marco438)
Telecomunicazioni musicali (clavicordo)
Automazione ed Elettronica (gustavo)
Direttive per la sicurezza (ErnestoCappelletti)
EYnfo dall'Alaska (mir)
Apriamo il quadro! (attilio)
H7-25 (asdf)
Passione Elettrica (massimob)
Elettroni a spasso (guidob)
Bloguerra (guerra)





